Chevrolet Trax: Repair instructions - off vehicle
Repair instructions - off vehicle
.gif)
Fig. 1: Identifying Lift Plate & Holding Fixture
Lift Plate and Holding Fixture Installation

.jpg)
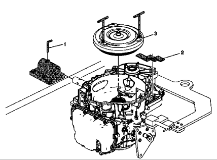
TORQUE CONVERTER REMOVAL

Fig. 2: View Of Torque Converter
Torque Converter Removal
.jpg)
CONTROL VALVE BODY ASSEMBLY REMOVAL
Control Valve Body Cover Removal

Fig. 3: View Of Control Valve Body Cover
Control Valve Body Cover Removal
.jpg)
Control Solenoid (With Body and TCM) Valve Assembly Removal

Fig. 4: View Of Control Solenoid (w/Body & TCM) Valve Assembly
Control Solenoid (With Body and TCM) Valve Assembly Removal
.jpg)
Control Valve Body Assembly Removal

Fig. 5: View Of Control Valve Body Assembly
Control Valve Body Assembly Removal
.jpg)
READ NEXT:
Fig. 6: View Of Input & Output Speed Sensor
Input and Output Speed Sensor Removal
TORQUE CONVERTER HOUSING WITH FLUID PUMP ASSEMBLY REMOVAL (NON HYBRID)
Fig. 7: View Of Torque Converter Hous
Fig. 17: View Of Case Side Front Wheel Drive Shaft Seal
Front Wheel Drive Shaft Seal Replacement - Case Side
TRANSMISSION CASE CLEANING AND INSPECTION
Fig. 18: Cleaning & Inspecting Transmis
Fig. 24: Disassembled View Of Input, Reaction & Output Carrier
Courtesy of GENERAL MOTORS COMPANY
Input, Reaction, and Output Carrier Disassemble
3-5-REVERSE AND 4-5-6 CLUTCH HOUSING DISASSEMB
SEE MORE:
Accident With or Without Air Bag Deployment - Component Inspections
WARNING: Proper operation of the Supplemental Inflatable Restraint (SIR)
sensing
system requires that any repairs to the vehicle structure return the
vehicle structure to the original production configuration. Not properly
repairin
Label Example
A vehicle-specific Certification/
Tire label is attached to the
center pillar (B-pillar).
The label shows the gross
weight capacity of your vehicle.
This is called the Gross Vehicle
Weight Rating (GVWR). The
GVWR includes the weight of
the vehicle, all occupants, fuel,
and cargo.
T