Low and Reverse Clutch Piston Removal
.gif)
Fig. 39: View Of Low & Reverse Clutch Piston
Low and Reverse Clutch Piston Removal
.jpg)
.jpg)
1-2-3-4 Clutch Piston Removal
.gif)
Fig. 40: View Of 1-2-3-4 Clutch Piston
1-2-3-4 Clutch Piston Removal
.jpg)
LOW AND REVERSE AND 1-2-3-4 CLUTCH HOUSING CLEANING AND INSPECTION
.gif)
Fig. 41: Identifying Low and Reverse & 1-2-3-4 Clutch Housing
Low and Reverse and 1-2-3-4 Clutch Housing Cleaning and Inspection
.jpg)
LOW AND REVERSE AND 1-2-3-4 CLUTCH HOUSING ASSEMBLE
1-2-3-4 Clutch Piston Installation
.gif)
Fig. 42: View Of 1-2-3-4 Clutch Piston
1-2-3-4 Clutch Piston Installation
.jpg)
.jpg)
Low and Reverse Clutch Piston Installation
.gif)
Fig. 43: View Of Low & Reverse Clutch Piston
Low and Reverse Clutch Piston Installation
.jpg)
.jpg)
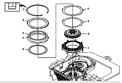
LOW AND REVERSE AND 1-2-3-4 CLUTCH HOUSING, AND 1-2-3-4 CLUTCH PLATE INSTALLATION (6T40)
.gif)
Fig. 44: View Of Low and Reverse & 1-2-3-4 Clutch Housing & Attached
Components
Low and Reverse and 1-2-3-4 Clutch Housing, and 1-2-3-4 Clutch Plate Installation (6T40)
.jpg)

Drive sprocket, driven sprocket, and drive link cleaning and inspection
Control valve body assembly assemble (gen 2)
DTC B018A, B048C, B048F, OR B1395: Windshield temperature sensor/humidity
sensor/control module voltage reference
Headlining trim panel replacement (without sunroof, encore)