
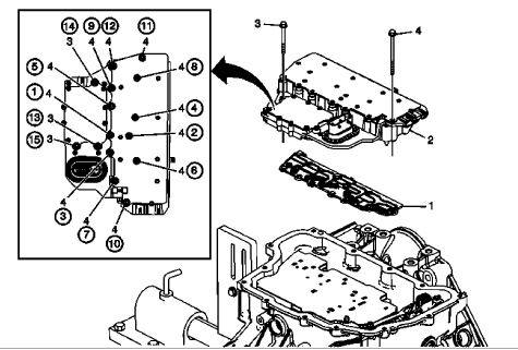
Fig. 66: Control Valve Body And Components
Control Valve Body Assembly Assemble (Gen 2)
.jpg)
CONTROL VALVE BODY ASSEMBLY INSTALLATION

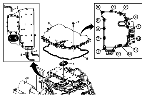
Fig. 67: View Of Control Valve Body Assembly Attachments
Control Valve Body Assembly Installation
.jpg)
.jpg)
CONTROL SOLENOID VALVE AND TRANSMISSION CONTROL MODULE ASSEMBLY INSTALLATION
.gif)
Fig. 68: Identifying Control Solenoid Valve & TCM Bolt Tightening Sequence
Control Solenoid Valve and Transmission Control Module Assembly Installation
.jpg)
.jpg)
CONTROL VALVE BODY COVER INSTALLATION
.gif)
Fig. 69: Identifying Control Valve Body Cover Bolt Tightening Sequence
Control Valve Body Cover Installation
.jpg)
.jpg)
TORQUE CONVERTER FLUID SEAL REPLACEMENT
.gif)
Fig. 70: View Of Torque Converter Fluid Seal & Retainer
Torque Converter Fluid Seal Replacement
.jpg)
.jpg)
TORQUE CONVERTER INSTALLATION
.gif)
Fig. 71: View Of Torque Converter
Torque Converter Installation
.jpg)
.jpg)
LIFT PLATE AND HOLDING FIXTURE REMOVAL
.gif)
Fig. 72: Identifying Lift Plate & Holding Fixture
Lift Plate and Holding Fixture Removal
.jpg)
.jpg)
Manual shift detent lever with shaft position witch assembly replacement
Automatic transmission range selector lever replacement
Seat belt system operational and functional checks
DTC B2345 (WITHOUT MEMORY A45): Seat heater disable circuit low voltage/high
temperature