.gif)
Fig. 24: Disassembled View Of Input, Reaction & Output Carrier
Courtesy of GENERAL MOTORS COMPANY
Input, Reaction, and Output Carrier Disassemble
.jpg)
3-5-REVERSE AND 4-5-6 CLUTCH HOUSING DISASSEMBLE (6T40 - GEN 2)
Turbine Shaft, Reluctor Wheel and Piston Removal

Fig. 25: Turbine Shaft, Reluctor Wheel And Piston
Turbine Shaft, Reluctor Wheel and Piston Removal
.jpg)
4-5-6 Clutch Plate Removal
.gif)
Fig. 26: 4-5-6 Clutch Plate Components
4-5-6 Clutch Plate Removal
.jpg)
4-5-6 Clutch Piston Removal

Fig. 27: 4-5-6 Clutch Piston Components
4-5-6 Clutch Piston Removal
.jpg)
.jpg)
Reluctor Wheel and Piston Removal
.gif)
Fig. 28: Disassembled View Of Reluctor Wheel & Piston
Reluctor Wheel and Piston Removal
.jpg)
.jpg)
3-5 Reverse Clutch Plate Removal

Fig. 29: 3-5 Reverse Clutch Plate Components
3-5 Reverse Clutch Plate Removal
.jpg)
.jpg)
3-5-REVERSE AND 4-5-6 CLUTCH HOUSING ASSEMBLE (6T40 - GEN 2)
4-5-6 Clutch Piston Installation
.gif)
Fig. 30: 4-5-6 Clutch Piston Components
4-5-6 Clutch Piston Installation
.jpg)
.jpg)
4-5-6 Clutch Fluid Dam Installation
.gif)
Fig. 31: 4-5-6 Clutch Fluid Dam
4-5-6 Clutch Fluid Dam Installation
.jpg)
.jpg)
3-5 Reverse Clutch Plates Installation

Fig. 32: 3-5 Reverse Clutch Plates
3-5 Reverse Clutch Plates Installation
.jpg)
Reluctor Wheel and Piston Installation
.gif)
Fig. 33: Exploded View Of Reluctor Wheel & Piston
Reluctor Wheel and Piston Installation
.jpg)
.jpg)
4-5-6 Clutch Plates Installation
.gif)
Fig. 34: 4-5-6 Clutch Plates
4-5-6 Clutch Plates Installation
.jpg)
Turbine Shaft Installation

Fig. 35: View Of Turbine Shaft
Turbine Shaft Installation
.jpg)
INPUT, REACTION, AND OUTPUT CARRIER ASSEMBLE (GEN 2)

Fig. 36: Input, Reaction, and Output Carrier Components (Gen 2)
Input, Reaction, and Output Carrier Assemble (Gen 2)
.jpg)
.jpg)
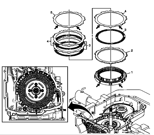
3-5-REVERSE AND 4-5-6 CLUTCH HOUSING, AND INPUT, REACTION, AND OUTPUT CARRIER INSTALLATION

Fig. 37: View Of 3-5-Reverse, 4-5-6 Clutch Housing, Input, Reaction & Output
Carrier Components
3-5-Reverse and 4-5-6 Clutch Housing, and Input, Reaction, and Output Carrier Installation
.jpg)
LOW AND REVERSE CLUTCH ASSEMBLY AND LOW AND REVERSE CLUTCH PLATE INSTALLATION
.gif)
Fig. 38: View Of Low and Reverse Clutch Assembly
Low and Reverse Clutch Assembly and Low and Reverse Clutch Plate Installation
.jpg)
.jpg)
Low and reverse and 1-2-3-4 clutch housing isassemble
Drive sprocket, driven sprocket, and drive link cleaning and inspection
Control valve body assembly assemble (gen 2)
Brake drum diameter measurement
Electronic vibration analyzer (EVA) description and operation