.gif)
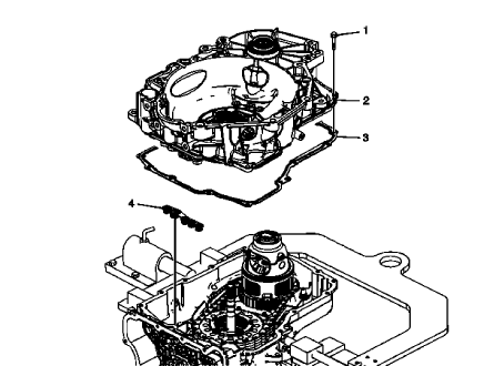
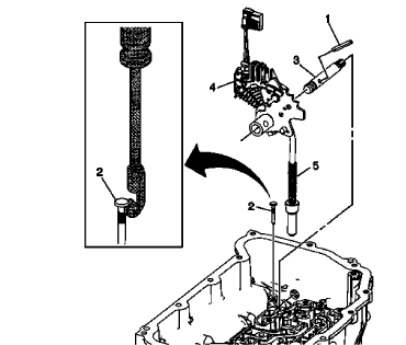
Fig. 6: View Of Input & Output Speed Sensor
Input and Output Speed Sensor Removal
.jpg)
TORQUE CONVERTER HOUSING WITH FLUID PUMP ASSEMBLY REMOVAL (NON HYBRID)

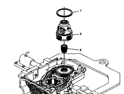
Fig. 7: View Of Torque Converter Housing & Fluid Pump Assembly
Torque Converter Housing with Fluid Pump Assembly Removal (Non Hybrid)
.jpg)
DIFFERENTIAL CARRIER REMOVAL (6T40)

Fig. 8: View Of Front Differential Carrier Assembly
Differential Carrier Removal (6T40)
.jpg)
DRIVE AND DRIVEN SPROCKET, DRIVE LINK, AND PARK PAWL REMOVAL (6T40)

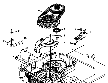
Fig. 9: View Of Drive and Driven Sprocket, Drive Link & Park Pawl
Drive and Driven Sprocket, Drive Link, and Park Pawl Removal (6T40)
.jpg)
.gif)
INTERNAL COMPONENTS REMOVAL

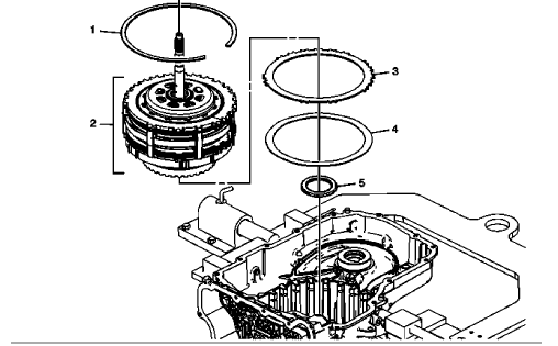
Fig. 10: View Of Transmission Internal Components
Internal Components Removal
.jpg)
.jpg)
2-6 CLUTCH PISTON REMOVAL

Fig. 11: View Of 2-6 Clutch Piston & Attached Components
2-6 Clutch Piston Removal
.jpg)
.jpg)
MANUAL SHIFT DETENT LEVER WITH SHAFT POSITION SWITCH ASSEMBLY AND PARK PAWL ACTUATOR REMOVAL
Manual Shaft Detent (w/Shift Position Switch) Lever Assembly Removal

Fig. 12: Identifying Manual Shaft Detent Lever Assembly
Manual Shaft Detent (w/Shift Position Switch) Lever Assembly Removal
.jpg)
.jpg)
Park Pawl Actuator Guide Removal
.gif)
Fig. 13: Identifying Park Pawl Actuator Guide Components
Park Pawl Actuator Guide Removal
.jpg)
.jpg)
Manual shift shaft seal removal
.gif)
Fig. 14: identifying Manual Shift Shaft Seal
Manual Shift Shaft Seal Removal
.jpg)
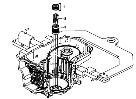
INPUT SHAFT SUPPORT REPLACEMENT (GEN 2)
.gif)
Fig. 15: Input Shaft Support Components (Gen 2)
Input Shaft Support Replacement (Gen 2)
.jpg)
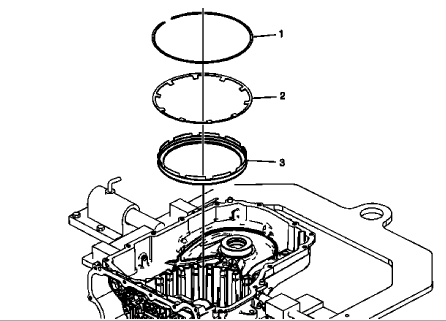
3-5-REVERSE AND 4-5-6 CLUTCH FLUID SEAL RING REPLACEMENT (GEN 2)

Fig. 16: 3-5-Reverse and 4-5-6 Clutch Fluid Seal Ring (Gen 2)
3-5-Reverse and 4-5-6 Clutch Fluid Seal Ring Replacement (Gen 2)
.jpg)
.jpg)
Front wheel drive shaft seal replacement - case side
Input, reaction, and output carrier disassemble
Low and reverse and 1-2-3-4 clutch housing isassemble
Front hinge pillar body sectioning
Odometer trip/reset switch malfunction (trax)