.gif)
Fig. 17: View Of Case Side Front Wheel Drive Shaft Seal
Front Wheel Drive Shaft Seal Replacement - Case Side
.jpg)
TRANSMISSION CASE CLEANING AND INSPECTION
.gif)
Fig. 18: Cleaning & Inspecting Transmission Case
Transmission Case Cleaning and Inspection
.jpg)

.jpg)
MANUAL SHIFT DETENT LEVER WITH SHAFT POSITION SWITCH ASSEMBLY AND PARK PAWL ACTUATOR INSTALLATION
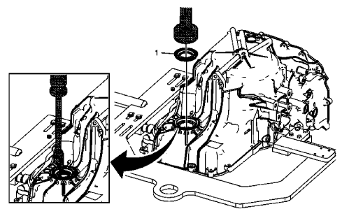
Park Pawl Actuator Guide Installation
.gif)
Fig. 19: View Of Park Pawl Actuator Guide & Seal
Park Pawl Actuator Guide Installation
.jpg)
.jpg)
Park Pawl Actuator Installation
.gif)
Fig. 20: Identifying Manual Shift Detent Lever with Shaft Position Switch
Assembly & Park Pawl Actuator
Park Pawl Actuator Installation
.jpg)

MANUAL SHIFT SHAFT SEAL INSTALLATION

Fig. 21: Identifying Manual Shift Shaft Seal
Manual Shift Shaft Seal Installation
.jpg)
2-6 CLUTCH PISTON INSTALLATION (6T40)
.gif)
Fig. 22: View Of 2-6 Clutch Piston Assembly
2-6 Clutch Piston Installation (6T40)
.jpg)
.jpg)
LOW AND REVERSE AND 1-2-3-4 CLUTCH HOUSING, LOW AND REVERSE CLUTCH ASSEMBLY, OUTPUT SUN GEAR, AND 2-6 CLUTCH PLATE DISASSEMBLE (GEN 2)
.gif)
Fig. 23: 1-2-3-4 Clutch Housing And Clutch Assembly Components
Low and Reverse and 1-2-3-4 Clutch Housing, Low and Reverse Clutch Assembly, Output Sun Gear, and 2-6 Clutch Plate Disassemble (Gen 2)
.jpg)
.jpg)
Input, reaction, and output carrier disassemble
Low and reverse and 1-2-3-4 clutch housing isassemble
Drive sprocket, driven sprocket, and drive link cleaning and inspection
Rear brake intermediate pipe replacement (right)
Object detection description and operation (side blind zone alert, UFT)