Chevrolet Trax: Schematic wiring diagrams
SPECIFICATIONS
FASTENER TIGHTENING SPECIFICATIONS
Fastener Tightening Specifications
.jpg)
POWER STEERING PUMP SPECIFICATIONS
Power Steering Pump Specifications
.jpg)
.jpg)
ADHESIVES, FLUIDS, LUBRICANTS, AND SEALERS
Adhesives, Fluids, Lubricants, and Sealers
.jpg)
SCHEMATIC WIRING DIAGRAMS
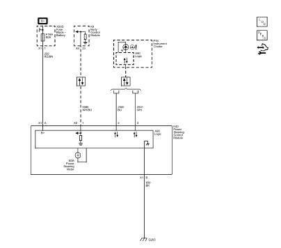
POWER STEERING WIRING SCHEMATICS (ENCORE)
Power Steering System
.jpg)
Fig. 1: Power Steering System
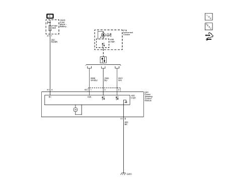
POWER STEERING WIRING SCHEMATICS (TRAX)
Power Steering System
.jpg)
Fig. 2: Power Steering System
READ NEXT:
DIAGNOSTIC CODE INDEX
DTC C0176: CONTROL MODULE TEMPERATURE SENSOR HIGH TEMPERATURE
Diagnostic Instructions
Diagnostic Instructions
Perform the Diagnostic System Check - Vehicle prior to using thi
Diagnostic Instructions
Perform the Diagnostic System Check - Vehicle prior to using this
diagnostic procedure.
Review Strategy Based Diagnosis for an overview of the diagnostic
approach.
Diag
SEE MORE:
TRANSMISSION SYSTEM DESCRIPTION AND OPERATION
The M32-6 is a 6-speed manual transmission. This manual transmission is an
all-synchromesh 3-shaft
transmission.
Fig. 93: 3 Shaft Transmission
This 3-shaft transmission (1) has the following advantages:
Compact construction
Improved smooth-running
SPECIFICATIONS
FASTENER TIGHTENING SPECIFICATIONS
Fastener Tightening Specifications
ADHESIVES, FLUIDS, LUBRICANTS, AND SEALERS
Adhesives, Fluids, Lubricants, and Sealers
DIAGNOSTIC INFORMATION AND PROCEDURES
TIRE DIAGNOSIS - IRREGULAR OR PREMATURE WEAR
Tire Wear
Fig. 1: Identifying Types Of Tir