Chevrolet Trax: Drive belt installation
Special Tools
- EN-955 Locking Pins
- EN-48488 Holding Wrench
For equivalent regional tools, refer to Special Tools.
NOTE: Ensure that the drive belt tensioner is held with EN-955-2
locking pin.
- Install the drive belt.
.gif)
Fig. 450: Locking Pin And Wrench
- Move the drive belt tensioner clockwise until EN-955-20 locking pin (2)
can be removed. Use EN-48488
wrench (1).
- Remove EN-955-20 locking pin (2) from the drive belt tensioner while
holding with EN-48488 wrench
(1).
- Release tension from drive belt tensioner and remove EN-48488 wrench
(1).
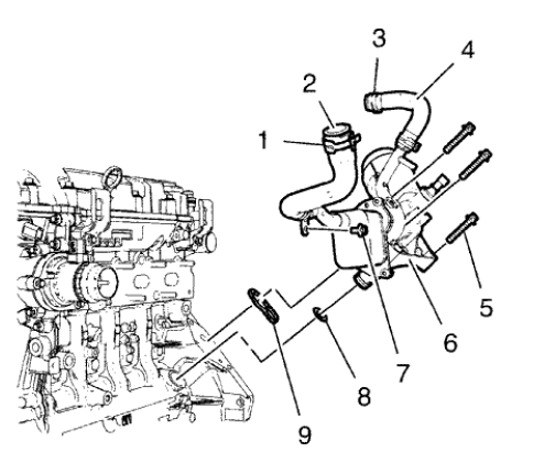
ENGINE OIL COOLER INSTALLATION
.gif)
Fig. 451: Locating Engine Oil Cooler Components
NOTE: Lubricate the oil cooler seal (8) with clean engine oil.
- Install the engine oil cooler assembly (6) along with 2 NEW sealings (8)
and (9).
- Install the 3 oil cooler bolts (5) and tighten to 10 N.m (89 lb in).
- Install the oil cooler coolant outlet pipe bolt (7) and tighten to 10
N.m (89 lb in).
- Install the oil cooler coolant outlet hose (2) to the engine coolant
thermostat housing.
- Install the oil cooler coolant outlet hose clamp (1).
- Install the oil cooler coolant inlet hose (4) to the water outlet.
- Install the oil cooler coolant inlet hose clamp (3).
WATER OUTLET INSTALLATION
- Clean the sealing surfaces.
.gif)
Fig. 452: Water Outlet, Bolts And Seal Ring
- Install the water outlet (2) and a NEW water outlet seal ring (1).
CAUTION: Refer to Fastener Caution .
- Install the 3 water outlet bolts (3) and tighten to 8 N.m (71 lb in).
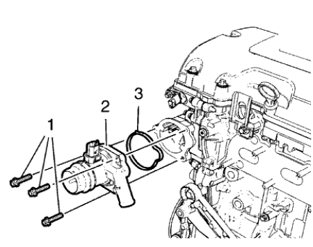
ENGINE COOLANT THERMOSTAT HOUSING INSTALLATION
- Clean the sealing surfaces.
.gif)
Fig. 453: Engine Coolant Thermostat Housing
- Install the engine coolant thermostat housing (2) and a NEW engine
coolant thermostat housing seal ring
(3).
CAUTION: Refer to Fastener Caution .
- Install the 3 engine coolant thermostat housing bolts (1) and tighten to
8 N.m (71 lb in).
TURBOCHARGER INSTALLATION
Special Tool
EN-49942 Holding Wrench
For equivalent regional tools, refer to Special Tools.
- Clean the sealing surfaces.
- Replace the connect fittings on the turbocharger coolant feed pipe and
the turbocharger coolant return pipe. Refer to
Turbocharger Disassemble, and Turbocharger Assemble.
.gif)
Fig. 454: Turbocharger Assembly And Turbocharger Gasket
NOTE: Mind the turbocharger oil return pipe.
- Install the turbocharger assembly (1) and a NEW turbocharger gasket (2).
.gif)
Fig. 455: Turbocharger Oil Return Pipe
- Connect the turbocharger oil return pipe to the engine while installing
the turbocharger.
- Install the turbocharger coolant feed pipe hollow screw along with 2 NEW
seal rings (1) and (2).
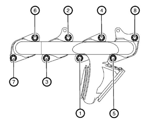
.gif)
Fig. 456: Turbocharger Nuts
- Install the 8 NEW turbocharger nuts (1).
.gif)
Fig. 457: Turbocharger Nuts Tightening Sequence
CAUTION: Refer to Fastener Caution .
CAUTION: Refer to Torque-to-Yield Fastener Caution .
- Tighten the 8 turbocharger nuts in a sequence as shown to 8 (71 lb in).
- Repeat the tightening procedure to ensure a proper fastening of the
turbocharger nuts.
.gif)
Fig. 458: Turbocharger Oil Feed Pipe Components
- Connect the turbocharger coolant return hose (6) to the oil cooler
coolant inlet pipe and install the
turbocharger coolant return pipe bolt (7) to the oil cooler. Tighten the
turbocharger coolant return pipe
bolt to 8 (71 lb in).
- Install the turbocharger oil feed pipe (2) along with a NEW rubber
seal ring.
- Install the turbocharger oil feed pipe hollow screw (4) in compound with
2 NEW seal rings (1) and (3).
- Install the turbocharger oil feed pipe bolt (5) to the oil cooler and
tighten to 8 (71 lb in).
- Tighten the turbocharger oil feed pipe hollow screw to 20 (15 lb ft).
.gif)
Fig. 459: Holding Wrench And Ratchet Wrench
NOTE: The EN-49942 holding wrench (2) should be installed to
turbocharger
coolant feed pipe as shown. The holding wrench should be installed to
avoid twisting of the turbocharger coolant feed pipe during the fastening
procedure.
- Install the EN-49942 holding wrench (2) to the turbocharger coolant feed
pipe. Guide a ratchet wrench
(1) along with an extension through EN-49942 holding wrench to the
turbocharger coolant feed pipe
hollow screw.
.gif)
Fig. 460: Ratchet Wrench, Holding Wrench And Coolant Feed Pipe
NOTE: EN-49942 holding wrench (2) should be installed to
turbocharger coolant
feed pipe as shown. The holding wrench should be installed to avoid twist
of the turbocharger coolant feed pipe while the fastening procedure.
- Tighten the turbocharger coolant feed pipe hollow screw with ratchet
wrench and extension (1) to 30 (22
lb ft).
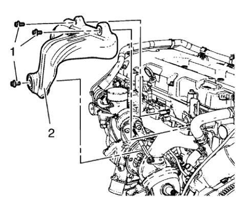
EXHAUST MANIFOLD HEAT SHIELD INSTALLATION
.gif)
Fig. 461: Exhaust Manifold Heat Shield
- Install the exhaust manifold heat shield (2).
CAUTION: Refer to Fastener Caution .
- Install the 3 exhaust manifold heat shield bolts (1) and the washers and
tighten to 8 N.m (71 lb in).
WARM UP THREE-WAY CATALYTIC CONVERTER INSTALLATION
.gif)
Fig. 462: Locating Catalytic Converter Components
- Install the warm up three way catalytic converter (5) to the brackets
and the turbocharger. Use a NEW
warm up three way catalytic converter seal (2).
NOTE: Never re-use the V-clamp.
- Install a NEW warm up three way catalytic converter V-clamp (1).
- Install the 2 catalytic converter to catalytic converter bracket nuts
(4) and (6) and hand tighten.
- Hand tighten the catalytic converter V-clamp.
- Connect the heated oxygen sensor wiring harness (3) to retainer
clip.
.gif)
Fig. 463: Catalytic Converter V-Clamp
- The catalytic converter V-clamp (1) should be installed in the shown
position.
CAUTION: Refer to Fastener Caution .
- Tighten the catalytic converter to catalytic converter bracket nuts to
22 N.m (16 lb ft).
- Tighten the catalytic converter V-clamp to 13 N.m (115 lb in).
READ NEXT:
Fig. 464: Turbocharger, Positive Crankcase Ventilation Pipe Assembly And
Charger Air Bypass Valve Pipe
Install the positive crankcase ventilation pipe assembly (1) to the
camshaft cover retaine
Special Tools
EN-955 Locking Pins
EN-48488 Holding Wrench
For equivalent regional tools, refer to Special Tools.
Fig. 474: Locking Pin And Wrench
Install EN-48488 wrench (1) to the drive belt
SEE MORE:
The audio system controls and
touchscreen are used to access the
personalization menus for
customizing vehicle features.
The following are all possible
personalization features. Depending
on the vehicle, some may not be
available.
CONFIG (Configuration): Press to
access the Configuration
Settings
Test Description
The number below refer to the step number on the diagnostic table:
5
Suspension components that are not operating properly may cause a disturbance
to the vehicle during
application of the brake system.
6
Steering components that are not operating correctly may cause a disturbance