Chevrolet Trax: Positive crankcase ventilation pipe installation
.gif)
Fig. 464: Turbocharger, Positive Crankcase Ventilation Pipe Assembly And
Charger Air Bypass Valve Pipe
- Install the positive crankcase ventilation pipe assembly (1) to the
camshaft cover retainer clips.
- Connect the positive crankcase ventilation pipe to turbocharger (3).
- Install the charger air bypass valve pipe (2) to turbo charger waste
regulator solenoid valve.
- Install the charger air bypass valve pipe to turbocharger.
- Fasten the charger air bypass valve pipe clamp (4).
.gif)
Fig. 465: Positive Crankcase Ventilation Pipe Retainer Clips And Retainer
Clamp
- Install the positive crankcase ventilation pipe to the intake manifold
and fix with retainer clamp (1).
- Clip in the positive crankcase ventilation pipe to the 2 retainer clips
(2) and (3).
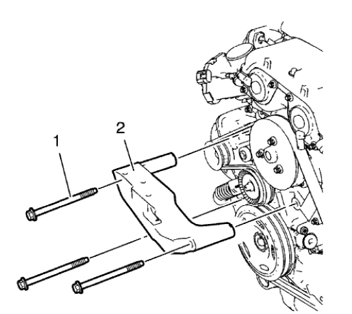
ENGINE MOUNT BRACKET INSTALLATION
.gif)
Fig. 466: Engine Mount Bracket And Bolts
- Install the engine mount bracket (2).
CAUTION: Refer to Fastener Caution .
- Install the 3 engine mount bracket bolts and tighten to 60 N.m (45 lb ft)
+ 45-60º.
ENGINE FRONT COVER AND OIL PUMP ASSEMBLE
Oil Pump Installation
.gif)
Fig. 467: Oil Pump Components
NOTE: The oil pump slide spring and pin, as well as the slide seal
and slide seal
spring can be ordered as single parts. All other oil pump components can
only be ordered as a replacement kit.
- Install the oil pump components in the following order:
NOTE: The bore (8) in the oil pump slide must fit smooth-running
and
without clearance to the oil pump slide pivot pin (7).
- Install the oil pump slide (6).
- Install the inner oil pump vane ring (5).
NOTE: Mind the installation position of the oil pump vane rotor
(4). The mark
(9) must point to direction of the oil pump cover.
- Install the oil pump vane rotor (4).
NOTE: Mind the localized flats (3) on the oil pump vanes (2) caused
by the oil pump vane rings. The localized flats must point to
the oil pump
vane rotor.
- Install the 6 oil pump vanes (2).
- Install the outer oil pump vane ring (1).
.gif)
Fig. 468: Oil Pump Slide Seal Springs And Grooves
- Install the 2 oil pump slide seals and the 2 oil pump slide seal springs
(2) in the position as shown to the 2
grooves (1) of the oil pump slide.
.gif)
Fig. 469: Oil Pump Slide Spring, Pin, Chambers And Front Cover Edge
- Protect the engine front cover edge (5) with a suitable piece of plastic.
NOTE: The length of the removed oil pump slide spring (2) should be
76.5 mm
(3.0118 in) for suction engines and 61 mm (2.4016 in) for turbo engines.
- Install the oil pump slide spring pin along with the oil pump slide
spring (4). Use a screwdriver to
compress the oil pump slide spring. The flat side of oil pump slide spring
pin must face upwards.
- Measure the oil pump clearances to ensure a correct installation
of the oil pump components. Refer to
Engine Front Cover and Oil Pump Cleaning and Inspection.
- Lubricate the oil pump vanes, the oil pump vane rotor, the oil pump
slide spring and the area (3) with
engine oil.
- Inspect the oil pump slide spring mechanism for functionality.
.gif)
Fig. 470: Engine Oil Pump Cover And Bolts
- Install the oil pump cover (2) and the 8 oil pump cover bolts (1).
.gif)
Fig. 471: Oil Pump Cover Bolts Tightening Sequence
CAUTION: Refer to Fastener Caution .
- Tighten the oil pump cover bolts in a sequence as shown to 8 N.m (71 lb
in).
.gif)
Fig. 472: Crankshaft Balancer
- Install the crankshaft balancer (1) and rotate in the direction shown
(2) in order to inspect the function of
the oil pump mechanism. The crankshaft balancer should rotate easily.
Engine Front Cover Assemble
.gif)
Fig. 473: Locating Engine Front Cover Components
- Install the crankshaft front oil seal (10).
- Install the oil pressure relief valve (7), (8) and (9) and tighten to 50
N.m (37 lb ft).
- Install the exhaust camshaft position sensor (5) and the seal ring (4).
- Install the exhaust camshaft sensor bolt (6) and tighten to 6 N.m (53 lb
in).
- Install the intake camshaft position sensor (2) and the seal ring (3).
- Install the intake camshaft sensor bolt (1) and tighten to 6 N.m (53 lb
in).
READ NEXT:
Special Tools
EN-955 Locking Pins
EN-48488 Holding Wrench
For equivalent regional tools, refer to Special Tools.
Fig. 474: Locking Pin And Wrench
Install EN-48488 wrench (1) to the drive belt
Cylinder Block
The cylinder hollow frame structured in-line 4 cylinder. The block has 5
crankshaft bearings with the thrust
bearing located on the third bearing from the front of the engine.
Cranksha
SEE MORE:
SYMPTOMS - TRANSFER CASE
Strategy Based Diagnostics
Review the system operations in order to familiarize yourself with the system
functions. Refer to Transfer
Case Disassembled View, Transfer Case Description and Operation, and Rear Drive
Axle Description and
Operation , . All diagnosis on a vehic
CAUTION: To prevent internal damage to the flexible coupling of the
catalytic
converter assembly, the converter must be supported. The vertical
movement at the rear of the catalytic converter assembly must not exceed
6 degrees up or down.
CLEAN, DRY, LOW PRESSURE GAS SOURCE CAUTION
CAUTION: Use the