Chevrolet Trax: Starter installation
.gif)
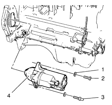
Fig. 437: Starter, Bolt, Stud And Washer
- Install the starter (4).
- Install the lower starter bolt stud (3) and if equipped the washer.
- Install the upper starter bolt (2) and if equipped the washer (1).
CAUTION: Refer to Fastener Caution .
- Tighten the starter bolt and starter bolt stud to 25 N.m (18 lb ft).
INTAKE MANIFOLD INSTALLATION
- Clean the sealing surfaces.
.gif)
Fig. 438: Intake Manifold
- Install the intake manifold (1) along with a NEW intake manifold gasket.
.gif)
Fig. 439: Intake Manifold Bolts
CAUTION: Refer to Fastener Caution .
- Install the 6 intake manifold bolts (1) and tighten to 20 N.m (15 lb ft).
THROTTLE BODY INSTALLATION
.gif)
Fig. 440: Throttle Body And Bolts
- Install the throttle body (2) and a NEW throttle body seal ring (1).
CAUTION: Refer to Fastener Caution .
- Install the 4 throttle body bolts (3) and tighten to 8 N.m (71 lb in).
WATER PUMP INSTALLATION
Special Tools
EN-45059 Angle Meter
For equivalent regional tools, refer to Special Tools.
- Clean the sealing surfaces.
.gif)
Fig. 441: Water Pump And Engine Front Cover Bolts
- The water pump and engine front cover bolts are located as followed:
- Engine front cover special bolt without cone end 60 mm (2.362 in) (1).
- Engine front cover standard bolt with cone end 52 mm (2.047 in) (2).
- Water pump bolt 25 mm (0.984 in) (3).
.gif)
Fig. 442: Water Pump, Bolts And Gasket
- Install the water pump (2) and a NEW water pump gasket (1).
CAUTION: Refer to Fastener Caution .
- Install the 5 water pump bolts (4) and the 5 long engine front cover
bolts (3) and tighten in a cross
sequence to 8 (71 lb in).
.gif)
Fig. 443: Identifying Water Pump Bolts
CAUTION: Refer to Torque-to-Yield Fastener Caution .
- Tighten the 2 water pump bolts (1) to an additional 30 degrees, using
the EN-45059 meter
CRANKSHAFT BALANCER INSTALLATION
Special Tools
- EN-470-B Angular Torque Wrench
- EN-956-1 Extension
- EN-49979 Crankshaft Shock Mount Retainer
For equivalent regional tools, refer to Special Tools.
.gif)
Fig. 444: Engine Oil Pump Rotor And Crankshaft
NOTE: The crankshaft balancer flange must fit to the hexagon
of the oil pump
rotor (2) and to the two-flat of the crankshaft (1).
- Install the crankshaft balancer by carefully pressing into position.
.gif)
Fig. 445: Engine Front Cover And Crankshaft Balancer
- Measure the distance a between the crankshaft balancer (2) and the
engine front cover (1). The distance a
should be 5.5 mm (0.21654 in).
NOTE: Never re-use the crankshaft balancer bolt.
- Install a NEW crankshaft balancer bolt.
.gif)
Fig. 446: Crankshaft Balancer, Retainer And Extension
CAUTION: Refer to Fastener Caution .
CAUTION: Refer to Torque-to-Yield Fastener Caution .
- Tighten the crankshaft balancer bolt (4) while holding the crankshaft
balancer (3) with EN-49979 retainer
(1) and EN-956-1 extension (2) in the following order:
- Tighten the crankshaft balancer bolt to 150 N.m (111 lb ft).
- Tighten the crankshaft balancer bolt to an additional 45 degrees, using
EN-470-B wrench.
WATER PUMP PULLEY INSTALLATION
.gif)
Fig. 447: Water Pump Pulley
- Install the water pump pulley (1).
- Install the 3 water pump pulley bolts (2).
CAUTION: Refer to Fastener Caution .
- Tighten the 3 water pump pulley bolts (2) to 22 N.m (16 lb ft) while
holding up the water pump pulley
hub with a wrench.
AIR CONDITIONING COMPRESSOR BRACKET INSTALLATION
.gif)
Fig. 448: Power Steering Pump Bracket/Air Conditioning Compressor Bracket And
Bolts
- Install the air conditioning compressor bracket (2).
CAUTION: Refer to Fastener Caution
- Install the 3 air conditioning compressor bracket bolts (1) and tighten
to 22 N.m (16 lb ft).
DRIVE BELT TENSIONER INSTALLATION
.gif)
Fig. 449: Drive Belt Tensioner And Bolts
- Install the drive belt tensioner (1).
- Install the upper drive belt tensioner bolt (2).
- Install the lower drive belt tensioner bolt (3).
CAUTION: Refer to Fastener Caution .
- Tighten the lower drive belt tensioner bolt (M8) to 22 N.m (16 lb ft).
- Tighten the upper drive belt tensioner bolt to 55 N.m (41 lb ft).
READ NEXT:
Special Tools
EN-955 Locking Pins
EN-48488 Holding Wrench
For equivalent regional tools, refer to Special Tools.
NOTE: Ensure that the drive belt tensioner is held with EN-955-2
locking pin.
In
Fig. 464: Turbocharger, Positive Crankcase Ventilation Pipe Assembly And
Charger Air Bypass Valve Pipe
Install the positive crankcase ventilation pipe assembly (1) to the
camshaft cover retaine
Special Tools
EN-955 Locking Pins
EN-48488 Holding Wrench
For equivalent regional tools, refer to Special Tools.
Fig. 474: Locking Pin And Wrench
Install EN-48488 wrench (1) to the drive belt
SEE MORE:
Visual Aiming Preparation Procedure
NOTE: Some state and
local laws specify requirements for headlamp aim. Comply with
all of these laws when performing any headlamp aiming operations.
Headlamp aim should be checked:
When a new headlamp capsule is installed.
If service or repairs to the front en
HVAC Control Module Replacement
When replacing or disconnecting the HVAC control module, it will be necessary
to perform a recalibration
process. When installing or reconnecting the HVAC control module, be sure to
perform the following:
Preferred Method (with Scan Tool)
NOTE: Do not adjust any con