Chevrolet Trax: Front wheel drive shaft seal replacement - right side (FWD)
.gif)
Fig. 76: Front Wheel Drive Shaft Seal - Right Side (FWD)
Front Wheel Drive Shaft Seal Replacement - Right Side (FWD)
.jpg)
.jpg)
TRANSMISSION REPLACEMENT
Removal Procedure
- Remove the battery and battery tray. Refer to Battery Tray Replacement .
- Remove front bumper fascia opening upper cover. Refer to Front Bumper
Fascia Opening Upper
Cover Replacement .
- Without draining the coolant or removing the hoses, remove and position
aside the radiator surge tank.
Refer to Radiator Surge Tank Replacement (LUV, 2H0, LUJ) .
- Remove the power brake booster pump assembly from left transmission
mount bracket, if equipped.
Refer to Power Brake Booster Pump Bracket Replacement .
.gif)
Fig. 77: Shift Lever And Selector Lever Cable End
- Disconnect the shift lever and selector lever cable ends (1) from the
transmission shift lever and selector
lever.
- Pull the cable retainers (2) up while pushing the cable retainers
rearward to release the shift lever and
selector lever cable from the shift lever and selector lever cable bracket.
- Disconnect the wiring harness clips from the transmission.
- Disconnect the electrical connector from the neutral position sensor.
.gif)
Fig. 78: Clutch Actuator Cylinder Front Pipe And Retainer
NOTE: Before disconnecting the clutch actuator cylinder front pipe,
remove the
clutch/brake fluid from the reservoir tank.
- Remove the clutch actuator cylinder front pipe retaining clip (1).
- Disconnect the clutch actuator cylinder front pipe (2) from the clutch
actuator cylinder pipe elbow.
.gif)
79: Backup Lamp Switch Electrical Connector
- Disconnect the electrical connector (1) from the backup lamp switch.
.gif)
Fig. 80: Upper Transmission Bolts
- Remove the 3 transmission upper bolts (1) from the transmission.
- Support the CRFM from the top.
- Install the engine support fixture. Refer to Engine Support Fixture .
- Remove the exhaust front pipe. Refer to Exhaust Front Pipe Replacement (LUV)
, Exhaust Front
Pipe Replacement .
- On AWD vehicles, remove the propeller shaft. Refer to Two-Piece
Propeller Shaft Replacement .
- Remove the drivetrain and front suspension frame. Refer to Drivetrain
and Front Suspension Frame
Replacement (Long Cradle) , Drivetrain and Front Suspension Frame
Replacement (Short
Cradle) .
- Drain the transmission fluid. Refer to Transmission Fluid Drain and Fill.

Fig. 81: Wheel Drive Shaft
- Remove the both front wheel drive shafts (1) from the transmission.
Refer to Front Wheel Drive Shaft
Replacement - Left Side , and Front Wheel Drive Shaft Replacement - Right
Side .
- On FWD vehicles, remove the intermediate shaft. Refer to Front
Wheel Drive Intermediate Shaft
Replacement (LUV with MH8 or MH5) .
- On AWD vehicles, remove the transfer case. Refer to Transfer Case
Replacement .
- Remove the transmission rear mount bracket. Refer to Transmission
Mount Bracket Replacement -
Rear (FWD), Transmission Mount Bracket Replacement - Rear (AWD).
.gif)
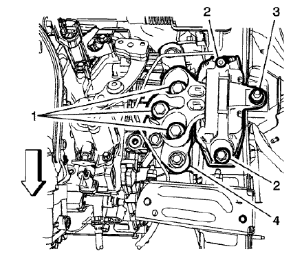
Fig. 82: Left Transmission Mount
- Remove the left transmission mount. Refer to Transmission Mount
Replacement - Left Side.
- Remove the left transmission mount bracket (4). Refer to Transmission
Mount Bracket Replacement -
Left Side.
- Support the transmission with a suitable jack.
.gif)
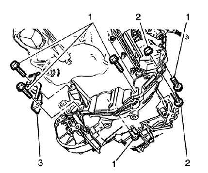
Fig. 83: Lower Transmission Bolts
- Remove the lower transmission bolts (1).
- Remove the lower transmission bolt and nut (2).
- On FWD vehicles, remove the transmission side cover (3).
- Separate the transmission from the engine.
- Lower the transmission with the transmission jack far enough to remove
the transmission.
Installation Procedure
WARNING: Use care when cleaning the clutch hub. The clutch hub may
have
sharp edges and can cause personal injury if contact is made. Wear
protective gloves to avoid personal injury.
- Clean the clutch hub and the input shaft from any debris and
contaminates with a lint-free towel.
.gif)
Fig. 84: Using Flat Brush To Apply Light Coating Of Multi-Purpose Grease
CAUTION: Applying too much or the wrong type of grease on the
transmission
input shaft may cause damage, clutch slippage or failure. Always
apply the correct type of grease. Never apply more grease than is
necessary to coat the transmission input shaft with a very thin film of
grease.
- Use a clean flat brush (1) to apply very light coating of
multi-purpose grease to input shaft until the metal
is only shiny. No visible clumps of grease are permissible regardless of
size. Smear away from the
transmission in direction of the shown arrow.
.gif)
Fig. 85: Lint Free Towel
CAUTION: Ensure that no grease remains on the lead surface of the
transmission input shaft. Clean the lead surface of the transmission
input shaft prior to the assembly of the transmission to the engine.
Failure to maintain a clean surface may cause clutch slippage or
failure.
- Clean the entire lead surface of the input shaft with a NEW, lint-free
towel (1).
- Raise the transmission with the transmission jack and position the
transmission to the engine.
.gif)
Fig. 86: Lower Transmission Bolts
- On FWD vehicles, install the transmission side cover (3).
CAUTION: Refer to Fastener Caution .
- Install the lower transmission bolts (1) and tighten to 58 (43 lb ft).
- Install the lower transmission bolt and nut (2) and tighten to 58 (43 lb
ft).
- Remove the transmission jack.
.gif)
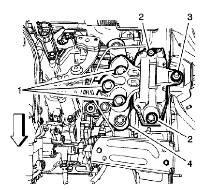
Fig. 87: Left Transmission Mount
- Install the left transmission mount bracket (4). Refer to Transmission
Mount Bracket Replacement -
Left Side.
- Install the left transmission mount. Refer to Transmission Mount
Replacement - Left Side.
- Install the transmission rear mount bracket. Refer to Transmission
Mount Bracket Replacement - Rear
(FWD), Transmission Mount Bracket Replacement - Rear (AWD).
- On AWD vehicles, install the transfer case. Refer to Transfer Case
Replacement .
- On FWD vehicles, install the intermediate shaft. Refer to Front Wheel
Drive Intermediate Shaft
Replacement (LUV with MH8 or MH5) .
.gif)
Fig. 88: Wheel Drive Shaft
- Install both front wheel drive shafts (1) to the transmission. Refer to
Front Wheel Drive Shaft
Replacement - Left Side , and Front Wheel Drive Shaft Replacement - Right
Side .
- Install the drivetrain and front suspension frame. Refer to
Drivetrain and Front Suspension Frame
Replacement (Long Cradle) , Drivetrain and Front Suspension Frame
Replacement (Short
Cradle) .
- On AWD vehicles, install the propeller shaft. Refer to Two-Piece
Propeller Shaft Replacement .
- Install the exhaust front pipe. Refer to Exhaust Front Pipe Replacement
(LUV) , Exhaust Front Pipe
Replacement .
- Remove the engine support fixture. Refer to Engine Support Fixture .
.gif)
Fig. 89: Upper Transmission Bolts
- Install the upper transmission bolts (1) and tighten to 58 (43 lb ft).
.gif)
Fig. 90: Backup Lamp Switch Electrical Connector
- Connect the electrical connector (1) to the backup lamp switch.
.gif)
Fig. 91: Clutch Actuator Cylinder Front Pipe And Retainer
- Connect the clutch actuator cylinder front pipe (2) to the clutch
actuator cylinder pipe elbow.
- Install the clutch actuator front pipe clip (1).
- Connect the electrical connector to the neutral position sensor.
- Connect the wire harness clips to the transmission.
.gif)
Fig. 92: Shift Lever And Selector Lever Cable End
- Install the shift lever and selector lever cable (2) to the shift lever
and selector lever cable bracket.
- Connect the transmission range selector lever cable terminals (1)
to the transmission manual pins.
- Adjust the shift lever and selector lever cables. Refer to Manual
Transmission Shift Lever and Selector
Lever Cable Adjustment.
- Bleed the clutch hydraulic system. Refer to Hydraulic Clutch
System Bleeding .
- Fill the transmission fluid. Refer to Transmission Fluid Drain and Fill.
- Install the power brake booster pump assembly to left transmission
mount bracket, if equipped. Refer to
Power Brake Booster Pump Bracket Replacement .
- Install the radiator surge tank. Refer to Radiator Surge Tank
Replacement (LUV, 2H0, LUJ) .
- Install front bumper fascia opening upper cover. Refer to Front Bumper
Fascia Opening Upper Cover
Replacement .
- Install the battery and battery tray. Refer to Battery Tray Replacement
.
READ NEXT:
TRANSMISSION SYSTEM DESCRIPTION AND OPERATION
The M32-6 is a 6-speed manual transmission. This manual transmission is an
all-synchromesh 3-shaft
transmission.
Fig. 93: 3 Shaft Transmission
This 3-s
SPECIFICATIONS
FASTENER TIGHTENING SPECIFICATIONS
Fastener Tightening Specifications
GENERAL SPECIFICATIONS
General Specifications
DIAGNOSTIC INFORMATION AND PROCEDURES
SYMPTOMS - CLUTCH
Symptom
CLUTCH PEDAL REPLACEMENT
NOTE: The clutch pedal is part of the brake, accelerator, and
clutch pedal assembly
and cannot be serviced separately.
To replace the brake, accelerator and clutch pedal asse
SEE MORE:
Fig. 30: Air Conditioning Evaporator Hose Assembly
Air Conditioning Evaporator Hose Assembly Replacement (LUJ, LUV)
AIR CONDITIONING EVAPORATOR HOSE ASSEMBLY REPLACEMENT (2H0)
Fig. 31: Air Conditioning Evaporator Hose Assembly (2H0)
Air Conditioning Evaporator Hose Assembly Replacement (2H0)
NOTE: This is GENERAL information. This article is not intended to
be specific to any
unique situation or individual vehicle configuration. For model-specific
information see appropriate articles where available.
INTRODUCTION
NOTE: This is GENERAL information. This article is not intended to
be sp