Chevrolet Trax: Manual Transmission - M20 M32 (MR5)
SPECIFICATIONS
FASTENER TIGHTENING SPECIFICATIONS
Fastener Tightening Specifications
.jpg)
.jpg)
MANUAL TRANSMISSION SPECIFICATIONS
Manual Transmission Specifications
.jpg)
Schematic wiring diagrams
MANUAL TRANSMISSION WIRING SCHEMATICS (ENCORE, MR5)
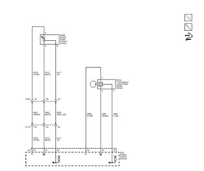
MR5
.jpg)
Fig. 1: MR5 (Encore, MR5)
MANUAL TRANSMISSION WIRING SCHEMATICS (TRAX, MR5)
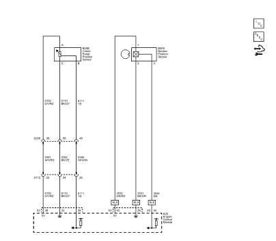
MR5
.jpg)
Fig. 2: MR5 (Trax, MR5)
READ NEXT:
MANUAL TRANSMISSION COMPONENT VIEWS
Shift Control and Shift Lever/Selector Lever Cable Components
Fig. 3: Shift Control and Shift Lever/Selector Lever Cable Components
Shift Shaft Components
Fig
DIAGNOSTIC CODE INDEX
DTC P0502 OR P0503: VEHICLE SPEED SENSOR (VSS)
Diagnostic Instructions
Perform the Diagnostic System Check - Vehicle prior to using this
diagnostic procedure.
Review Strat
SEE MORE:
Diagnostic Instructions
Perform the Diagnostic System Check - Vehicle prior to using this
diagnostic procedure.
Review Strategy Based Diagnosis for an overview of the diagnostic
approach.
Diagnostic Procedure Instructions provides an overview of each
diagnostic category.
DTC Descriptor
DT
Removal Procedure
WARNING: Gasoline or gasoline vapors are highly flammable. A fire
could occur
if an ignition source is present. Never drain or store gasoline or
diesel fuel in an open container, due to the possibility of fire or
explosion. Have a dry chemical (Class B) fire extinguisher nearby.