Chevrolet Trax: Turbocharger replacement - Removal Procedure
Special Tools
EN-49942 Holding Wrench
For equivalent regional tools, refer to Special Tools.
Removal Procedure
- Disconnect battery negative cable. Refer to Battery Negative Cable
Disconnection and Connection .
- Drain the cooling system. Refer to Cooling System Draining and Filling .
- Remove the air cleaner outlet duct. Refer to Air Cleaner Outlet Duct
Replacement .
- Disconnect the positive crankcase ventilation pipe from turbocharger.
- Remove the exhaust manifold heat shield. Refer to Exhaust Manifold Heat
Shield Replacement
(LUV) .
.gif)
Fig. 196: Turbocharger Wastegate Regulator Solenoid Valve Wiring Harness
Connector And Retaining Clip
- Disconnect the turbocharger wastegate regulator solenoid valve wiring
harness connector (1) and unclip
wiring harness from retainer clip (2).
.gif)
Fig. 197: Turbocharger Oil Feed Pipe Components
- Remove the turbocharger oil feed pipe hollow screw (4).
- Remove and DISCARD the 2 seal rings (1) and (3).
- Remove the turbocharger oil feed pipe bolt (5).
NOTE: Close the screw bore in the turbocharger in order to avoid
contamination.
- Remove the turbocharger oil feed pipe (2).
- Loosen the turbocharger coolant return hose clamp and remove the
turbocharger coolant return hose (6)
from the oil cooler inlet pipe.
- Remove the turbocharger coolant return pipe bolt (7).
- Remove the charge air cooler inlet air hose from the turbocharger. Refer
to Charge Air Cooler Inlet Air
Hose Replacement
NOTE: It is not necessary to evacuate the air conditioning system
when
repositioning the compressor.
- Remove the air conditioning compressor bracket and reposition the air
conditioning compressor. Refer to Air Conditioning Compressor Bracket
Replacement (LUJ, LUV) .
.gif)
Fig. 198: Ratchet Wrench And Holding Wrench
- Install the EN-49942 holding wrench (2) to the turbocharger coolant feed
pipe. Guide a ratchet wrench
(1) along with an extension through EN-49942 holding wrench to the
turbocharger coolant feed pipe
hollow screw.
.gif)
Fig. 199: Ratchet Wrench, Holding Wrench And Coolant Feed Pipe
NOTE: EN-49942 holding wrench (2) should be installed to
turbocharger coolant
feed pipe as shown. The holding wrench should be installed to avoid twist
of the turbocharger coolant feed pipe during the loosening procedure.
- Loosen the turbocharger coolant feed pipe hollow screw with ratchet
wrench and extension (1).
- Remove the turbocharger coolant feed pipe hollow screw.
- Remove and DISCARD the 2 seal rings.
- Remove the warm up three-way catalytic converter. Refer to Warm Up
Three-Way Catalytic
Converter Replacement (2H0, LUV) .
.gif)
Fig. 200: Turbocharger Oil Return Pipe Bolts
- Remove the 2 turbocharger oil return pipe bolts (1) from turbocharger.
- Remove the turbocharger oil return pipe from the turbocharger.
- Remove and DISCARD the gasket.
NOTE: It is only necessary to move the wastegate actuator
aside enough to
access the manifold nuts.
- Remove the wastegate actuator nuts and set aside.
.gif)
Fig. 201: Turbocharger Nuts
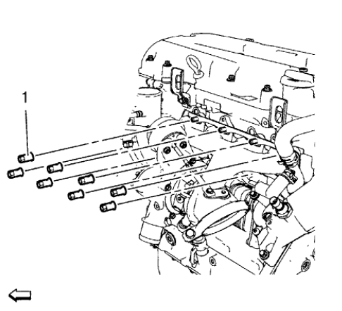
- Remove and DISCARD the 8 turbocharger nuts (1).
.gif)
Fig. 202: Turbocharger Assembly And Gasket
- Remove the turbocharger assembly (1).
- Remove and DISCARD the turbocharger gasket (2).
- Remove the assembly parts from the turbocharger as necessary. Refer to
Turbocharger Disassemble.
- If the turbocharger is being reused, refer to Turbocharger Cleaning and
Inspection.
READ NEXT:
Install the assembly parts to the turbocharger as necessary. Refer to
Turbocharger Assemble.
Clean the sealing surfaces.
Fig. 203: Turbocharger Assembly And Gasket
Install a NEW turbocharger
Fig. 237: Engine Support Fixture Components
Engine Support Fixture
ENGINE MOUNT BRACKET REMOVAL
Fig. 238: Engine Mount Bracket And Bolts
Remove the 3 engine mount bracket bolts (1).
Remove
SEE MORE:
The infotainment system is operated
by using the pushbuttons,
multifunction knobs, and menus
shown on the display.
Turning the System On or Off
/VOL (Power/Volume): Press to
turn the radio on and off.
Automatic Switch-Off
If the infotainment system has been
turned on after the ignition is turned
of
WATERLEAK TEST PREPARATION
GM vehicles are designed to operate under normal environmental
conditions.
The design criteria for sealing materials and components takes into
consideration the sealing forces
required to withstand the natural elements. These specifications cannot take
into consi