Chevrolet Trax: Instrument panel assembly replacement (encore)
Removal Procedure
- Disable the SIR system. Refer to SIR Disabling and Enabling .
.gif)
Fig. 64: Windshield Garnish Molding Assembly
- Remove both of the windshield garnish moldings (1). Refer to Windshield
Garnish Molding
Replacement (Encore) .
.gif)
Fig. 65: Front Floor Console
- Remove the front floor console (3). Refer to Front Floor Console
Replacement (Encore).
.gif)
Fig. 66: Front Floor Console Stowage Tray
- Remove the front floor console stowage tray (2). Refer to Front Floor
Console Stowage Tray
Replacement (Encore).
.gif)
Fig. 67: Instrument Panel Outer Trim Cover
- Remove the instrument panel outer trim covers (1) left side and (2)
right side. Refer to Instrument Panel
Outer Trim Cover Replacement (Encore).
.gif)
Fig. 68: Radio
- Remove the radio (2). Refer to Radio Replacement (Encore) .
.gif)
Fig. 69: Instrument Panel Lower Center Trim Plate Applique
- Remove the instrument panel lower center trim plate applique (2). Refer
to Instrument Panel Lower
Center Trim Plate Applique Replacement (Encore).
.gif)
Fig. 70: Instrument Panel Upper Trim Panel Bracket
- Remove the UAG instrument panel upper trim panel bracket (2), if
equipped. Refer to Instrument Panel
Upper Trim Panel Bracket Replacement (UAG)
.gif)
Fig. 71: Instrument Panel Upper Trim Panel Bracket
- Remove the UDN instrument panel upper trim panel bracket (2), if
equipped. Refer to Instrument Panel
Upper Trim Panel Bracket Replacement (UDN)
.gif)
Fig. 72: Instrument Panel Upper Compartment
- Remove the instrument panel upper compartment (3). Refer to Instrument
Panel Upper Compartment
Replacement (Encore).
.gif)
Fig. 73: Instrument Panel Compartment
- Remove the instrument panel compartment (2). Refer to Instrument Panel
Compartment
Replacement.
.gif)
Fig. 74: Instrument Panel Center Air Outlet
- Remove the instrument panel center air outlet (1). Refer to Instrument
Panel Center Air Outlet
Replacement (Encore) .
.gif)
Fig. 75: Instrument Panel Outer Air Outlet
- Remove the instrument panel outer air outlets (1) left side and (2)
right side. Refer to Instrument Panel
Outer Air Outlet Replacement (Encore) .
- Remove the steering column. Refer to Steering Column Replacement (Mexico,
N40) , Steering
Column Replacement (Canada, NJ1) , Steering Column Replacement (United
States, NJ1)
.gif)
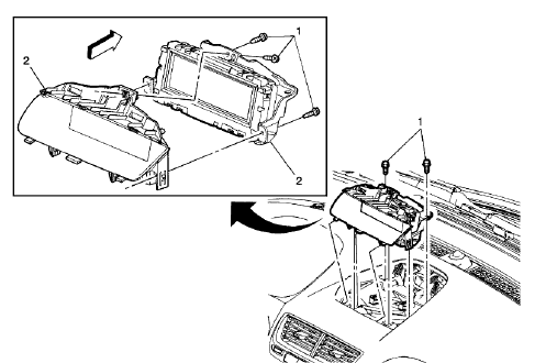
Fig. 76: Instrument Cluster
- Remove the instrument cluster (2). Refer to Instrument Cluster
Replacement (Encore) .
.gif)
Fig. 77: Headlamp Switch
- Remove the headlamp switch (1). Refer to Headlamp Switch Replacement (Encore)
.
.gif)
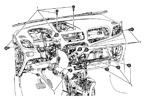
Fig. 78: Instrument Panel Bolts
- Remove the instrument panel bolts (1).
.gif)
Fig. 79: Instrument Panel Inflatable Restraint Module Bracket And Bolts
- Remove the instrument panel inflatable restraint module bracket bolts
(1).
- Remove the instrument panel compartment door latch striker bolt (2).
.gif)
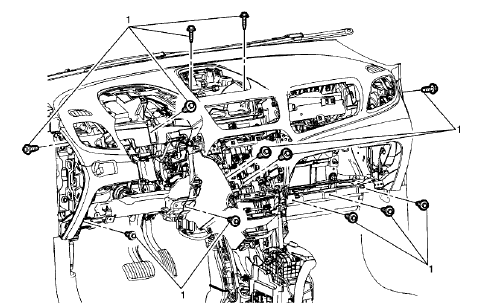
Fig. 80: Instrument Panel Electrical Harness Assembly
- Note the location and routing of the instrument panel electrical harness
assembly, to ensure proper
reinstallation.
- Disconnect the fasteners securing the instrument panel electrical
harness assembly to the instrument panel
and position out of the way.
- With the aid of an assistant lift the instrument panel (1) rearward and
upward from the tie bar assembly.
- Remove the instrument panel from the vehicle.
- Transfer all necessary components.
Installation Procedure
.gif)
Fig. 81: Instrument Panel Electrical Harness Assembly
- With the aid of an assistant, load the instrument panel (1) to the
instrument panel tie bar to the locator
pins.
- Reposition the instrument panel wiring harness into the vehicle position
as was noted in the removal and
connect the fasteners securing the instrument panel wiring harness to the
instrument carrier.
.gif)
Fig. 82: Instrument Panel Bolts
CAUTION: Refer to Fastener Caution .
- Install the instrument panel bolts (1).
.gif)
Fig. 83: Instrument Panel Inflatable Restraint Module Bracket And Bolts
- Install the instrument panel inflatable restraint module bracket bolts
(1) and tighten to 9 N.m (80 lb in).
- Install the instrument panel compartment door latch striker bolt (2) and
tighten to 9 N.m (80 lb in).
.gif)
Fig. 84: Headlamp Switch
- Install the headlamp switch (1). Refer to Headlamp Switch Replacement (Encore)
.
.gif)
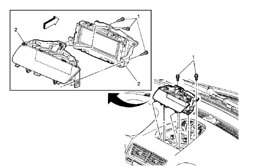
Fig. 85: Instrument Cluster
- Install the instrument cluster (2). Refer to Instrument Cluster
Replacement (Encore) .
- Install the steering column. Refer to Steering Column Replacement (Mexico,
N40) , Steering Column
Replacement (Canada, NJ1) , Steering Column Replacement (United States, NJ1)
.
.gif)
Fig. 86: Instrument Panel Center Air Outlet
- Install the instrument panel center air outlet (1). Refer to Instrument
Panel Center Air Outlet
Replacement (Encore) .
.gif)
Fig. 87: Instrument Panel Outer Air Outlet
- Install the instrument panel outer air outlets (1) left side and (2)
right side. Refer to Instrument Panel
Outer Air Outlet Replacement (Encore) .
.gif)
Fig. 88: Instrument Panel Compartment
- Install the instrument panel compartment (2). Refer to Instrument Panel
Compartment Replacement
.gif)
Fig. 89: Instrument Panel Upper Compartment
- Install the instrument panel upper compartment (3). Refer to Instrument
Panel Upper Compartment
Replacement (Encore).
.gif)
Fig. 90: Instrument Panel Upper Trim Panel Bracket
- Install the UDN instrument panel upper trim panel bracket (2), if
equipped. Refer to Instrument Panel
Upper Trim Panel Bracket Replacement (UDN)
.gif)
Fig. 91: Instrument Panel Upper Trim Panel Bracket
- Install the UAG instrument panel upper trim panel bracket (2), if
equipped. Refer to Instrument Panel
Upper Trim Panel Bracket Replacement (UAG)
.gif)
Fig. 92: Instrument Panel Lower Center Trim Plate Applique
- Install the instrument panel lower center trim plate applique (2). Refer
to Instrument Panel Lower
Center Trim Plate Applique Replacement (Encore).
.gif)
Fig. 93: Radio
- Install the radio (2). Refer to Radio Replacement (Encore) .
.gif)
Fig. 94: Instrument Panel Outer Trim Cover
- Install the instrument panel outer trim covers (1) left side and (2)
right side. Refer to Instrument Panel
Outer Trim Cover Replacement (Encore).
.gif)
Fig. 95: Front Floor Console Stowage Tray
- Install the front floor console stowage tray (2). Refer to Front Floor
Console Stowage Tray
Replacement (Encore).
.gif)
Fig. 96: Front Floor Console
- Install the front floor console (3). Refer to Front Floor Console
Replacement (Encore).
.gif)
Fig. 97: Windshield Garnish Molding Assembly
- Install both of the windshield garnish moldings (1). Refer to Windshield
Garnish Molding
Replacement (Encore) .
- Enable the SIR system. Refer to SIR Disabling and Enabling .
READ NEXT:
Removal Procedure
Remove the left instrument panel outer air outlet. Refer to Instrument
Panel Outer Air Outlet
Replacement (Trax) , Instrument Panel Outer Air Outlet Replacement (Encore)
.
Re
Removal Procedure
Remove the right instrument panel outer air outlet. Refer to Instrument
Panel Outer Air Outlet
Replacement (Encore) .
Remove the right instrument panel outer trim cover. Refer
Removal Procedure
Remove the Instrument panel assembly. Refer to Instrument Panel Assembly
Replacement (Trax),
Instrument Panel Assembly Replacement (Encore).
Remove the instrument panel lower t
SEE MORE:
If the vehicle is involved in a
collision and it is damaged, have the
damage repaired by a qualified
technician using the proper
equipment and quality replacement
parts. Poorly performed collision
repairs diminish the vehicle resale
value, and safety performance can
be compromised in subsequent
coll
System Component Description
The brake assist system consists of the following:
Brake Pedal
Receives, multiplies and transfers brake system input force from driver.
Brake Pedal Pushrod
Transfers multiplied input force received from the brake pedal to the vacuum
brake booster.
Vacuum Brake Booster
U