Chevrolet Trax: Front brake caliper bracket replacement
Removal Procedure
WARNING: Refer to Brake Dust Warning .
- Raise and support the vehicle. Refer to Lifting and Jacking the Vehicle
.
- Remove the tire and wheel assembly. Refer to Tire and Wheel Removal and
Installation .
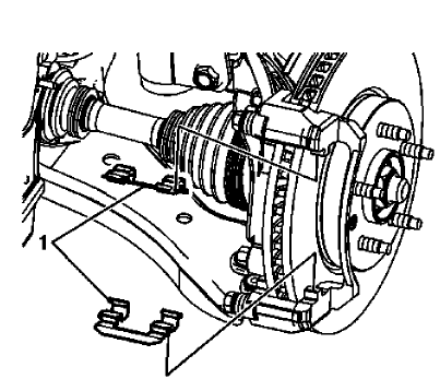
.gif)
Fig. 38: Upper And Lower Brake Caliper Guide Pin Bolts
NOTE:
- DO NOT use any air tools to remove or install the guide pin bolts.
Use
hand tools ONLY.
- Install an open end wrench to hold the caliper guide pin in line with
the brake caliper while removing or installing the caliper guide pin
bolt. DO NOT allow the open end wrench to come in contact with the
brake caliper. Allowing the open end wrench to come in contact with
the brake caliper will cause a pulsation when the brakes are applied.
- Hold the brake caliper guide pin stationary and remove the brake caliper
guide pin bolts (1).
CAUTION: Support the brake caliper with heavy mechanic wire, or
equivalent, whenever it is separated from its mount and the
hydraulic flexible
brake hose is still connected. Failure to support the caliper in this
manner will cause the flexible brake hose to bear the weight of the
caliper, which may cause damage to the brake hose and in turn may
cause a brake fluid leak.
- Remove the brake caliper and support with heavy mechanics wire.
.gif)
Fig. 39: Brake Pads
NOTE: Note the location of the wear sensor for correct installation.
- Remove the inner brake pad (1).
- Remove the outer brake pad (2).
.gif)
Fig. 40: Brake Pad Shims
- Remove the brake pad springs (1).

Fig. 41: Upper And Lower Brake Caliper Guide Pins
NOTE: The upper brake caliper guide pin is equipped with a
bushing and must be
installed in the same location.
- Remove the upper brake caliper guide pin (1).
- Remove the lower brake caliper guide pin (2).
- Remove the 2 brake caliper guide pin seals.
.gif)
Fig. 42: Brake Caliper Bracket Bolts
NOTE: Do not reuse the brake caliper bracket bolts.
- Remove and discard the brake caliper bracket bolts (1).

Fig. 43: Brake Caliper Bracket
- Remove the brake caliper bracket (1).
Installation Procedure

Fig. 44: Brake Caliper Bracket
- Install the brake caliper bracket (1).
.gif)
Fig. 45: Brake Caliper Bracket Bolts
CAUTION: Refer to Fastener Caution
- Install new brake caliper bracket bolts (1) and tighten to 160 (118 lb
ft).

Fig. 46: Brake Pad Shims
- Install the brake pad springs (1).

Fig. 47: Upper And Lower Brake Caliper Guide Pins
- Install the 2 brake caliper guide pin seals.
- Ensure the brake caliper guide pin seals are fully seated in the groove
of the brake caliper bracket.
NOTE: The upper brake caliper guide pin is equipped with a bushing
and must be
installed in the same location.
- Install the upper brake caliper guide pin (1).
- Install the lower brake caliper guide pin (2).
- Ensure the brake caliper guide pin seals are fully seated in the groove
of the brake caliper guide pins.

Fig. 48: Brake Pads
NOTE: Note the location of the wear sensor for correct installation.
- Install the inner brake pad (1).
- Install the outer brake pad (2).
- Position the brake caliper over the brake pads and to the caliper
bracket.

Fig. 49: Upper And Lower Brake Caliper Guide Pin Bolts
- Using a backup wrench to hold the brake caliper guide pin stationary,
install the brake caliper guide pin
bolts (1) and tighten to 28 (21 lb ft).
- Install the tire and wheel assembly. Refer to Tire and Wheel Removal and
Installation .
READ NEXT:
Removal Procedure
WARNING: Refer to Brake Dust Warning .
Raise and support the vehicle. Refer to Lifting and Jacking the Vehicle
.
Remove the tire and wheel assembly. Refer to Tire and Wheel Remo
Special Tools
CH-41013 Rotor Resurfacing Kit
CH-42450-A Wheel Hub Resurfacing Kit
For equivalent regional tools, refer to Special Tools.
Removal Procedure
WARNING: Refer to Brake Dust Warning .
Special Tools
CH-41013 Rotor Resurfacing Kit
CH-42450-A Wheel Hub Resurfacing Kit
For equivalent regional tools, refer to Special Tools.
Removal Procedure
WARNING: Refer to Brake Dust Warning .
SEE MORE:
Frequency interference and static
can occur during normal radio
reception if items such as mobile
phone chargers, vehicle
convenience accessories, and
external electronic devices are
plugged into the accessory power
outlet. If there is interference or
static, unplug the item from the
accessory power
NOTE: The following steps must be completed before using the
symptom tables.
Perform the Brake System Vehicle Road Test before using the hydraulic
brake symptom tables in order
to duplicate the customers concern.
Review the system operation in order to familiarize yourself with the
system f