Chevrolet Trax: Floor rear air outlet duct replacement - left side
.gif)
Fig. 85: Floor Rear Air Outlet Duct - Left Side
Floor Rear Air Outlet Duct Replacement - Left Side

FLOOR REAR AIR OUTLET DUCT REPLACEMENT - RIGHT SIDE
.gif)
Fig. 86: Floor Rear Air Outlet Duct - Right Side
Floor Rear Air Outlet Duct Replacement - Right Side

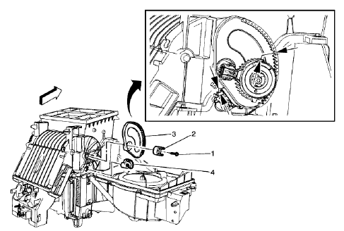
TEMPERATURE VALVE GEAR REPLACEMENT (C60)
.gif)
Fig. 87: Temperature Valve Gear (C60)
Temperature Valve Gear Replacement (C60)

.jpg)
HEATER CORE REPLACEMENT
.gif)
Fig. 88: Heater Core
Heater Core Replacement
.jpg)
HEATER CASE REPLACEMENT
.gif)
Fig. 89: Heater Case
Heater Case Replacement
.jpg)
READ NEXT:
Heating and air conditioning system description and operation
Engine Coolant
Engine coolant is the key element of the heating system. The thermostat
controls engine operating coolant
temperature. The
SCHEMATIC WIRING DIAGRAMS
HVAC WIRING SCHEMATICS (ENCORE)
Power, Ground, and Blower Motor
Fig. 1: Power, Ground, and Blower Motor
Compressor Controls
Fig. 2: Compressor Controls
Duct and Evaporato
SEE MORE:
Driving is an important
responsibility. Driver behavior, the
driving environment, and the
vehicle's design all affect how well a
vehicle performs.
Being aware of these factors can
help in understanding how the
vehicle handles and what can be
done to avoid many types of
crashes, including a rollover
Fig. 8: Neutral -- Engine Running Fluid Flow Diagram
Drive Range, First Gear Engine Braking (Gen 2/Hybrid)
Note: Some models of the 6T30/40/45/50 automatic transmission are equipped
with an electric auxiliary fluid
pump for use in hybrid vehicles (BAS+). Hybrid vehicles do not require internal
c