Chevrolet Trax: Diagnostic information and procedures
SCHEMATIC WIRING DIAGRAMS
HVAC WIRING SCHEMATICS (ENCORE)
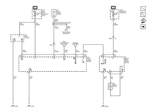
Power, Ground, and Blower Motor
.jpg)
Fig. 1: Power, Ground, and Blower Motor
Compressor Controls
.jpg)
Fig. 2: Compressor Controls
Duct and Evaporator Temperature Sensors
.jpg)
Fig. 3: Duct and Evaporator Temperature Sensors
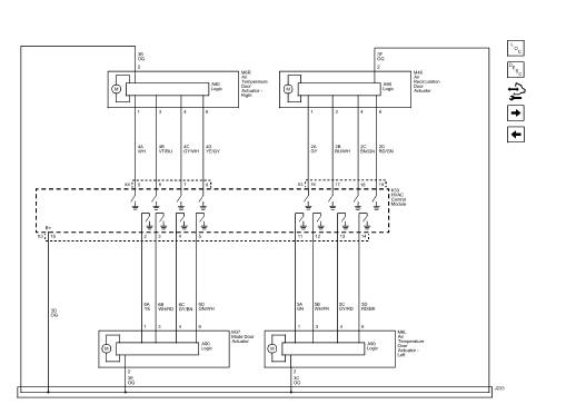
Mode and Temperature Control Actuators
.jpg)
Fig. 4: Mode and Temperature Control Actuators
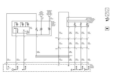
Sunload Sensor and Windshield Temperature Sensor
.jpg)
Fig. 5: Sunload Sensor and Windshield Temperature Sensor
DIAGNOSTIC INFORMATION AND PROCEDURES
HVAC COMPONENT REPLACEMENT REFERENCE
HVAC Component Replacement Reference
.jpg)
.jpg)
.jpg)
DIAGNOSTIC CODE INDEX
DIAGNOSTIC CODE INDEX
.jpg)
.jpg)
.jpg)
- DTC B0163, B0183, OR B1405: Passenger compartment
temperature sensor/solar load sensor/control module voltage reference
- DTC B018A, B048C, B048F, OR B1395: Windshield temperature sensor/humidity
sensor/control module voltage reference
- DTC B0193: Front blower motor speed circuit
- DTC B0223, B022A, B0233, B023A, B0408, OR B0418:
Recirculate position command/air flow control/temperature control circuit
- DTC P0532 OR P0533: Air conditioning (a/c) refrigerant
pressure sensor
- DTC P0645, P0646, OR P0647: Air conditioning (A/C)
compressor clutch relay
- Symptoms - HVAC systems - automatic
- HVAC System malfunction
- Air conditioning compressor malfunction
- Actuator recalibration
READ NEXT:
Diagnostic Instructions
Perform the Diagnostic System Check - Vehicle prior to using this
diagnostic procedure.
Review Strategy Based Diagnosis for an overview of the diagnostic
approach.
Diag
Diagnostic Instructions
Perform the Diagnostic System Check - Vehicle prior to using this
diagnostic procedure.
Review Strategy Based Diagnosis for an overview of the diagnostic
approach.
Diag
Diagnostic Instructions
Perform the Diagnostic System Check - Vehicle prior to using this
diagnostic procedure.
Review Strategy Based Diagnosis for an overview of the diagnostic
approach.
Diag
SEE MORE:
Special Tool
EN-49942 Holding Wrench
For equivalent regional tools, refer to Special Tools.
Fig. 261: Holding Wrench And Ratchet Wrench
Install the EN-49942 holding wrench (2) to the turbocharger coolant feed
pipe. Guide a ratchet wrench
(1) along with an extension through EN-49942 holding wr
When to Change Engine Oil
This vehicle has a computer system
that indicates when to change the
engine oil and filter. This is based
on a combination of factors which
include engine revolutions, engine
temperature, and miles driven.
Based on driving conditions, the
mileage at which an oil change is