Chevrolet Trax: Exhaust muffler replacement (LUV)
.gif)
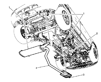
Fig. 22: Exhaust Muffler
Exhaust Muffler Replacement (LUV)
.jpg)
.jpg)
EXHAUST MUFFLER REPLACEMENT (2HO)
.gif)
Fig. 23: Exhaust Muffler (2HO)
Exhaust Muffler Replacement (2HO)
.jpg)
.jpg)
CATALYTIC CONVERTER HEAT SHIELD REPLACEMENT (2H0)
Removal Procedure
WARNING: Refer to Exhaust Service Warning .
WARNING: Refer to Protective Goggles and Glove Warning .
- Disconnect the battery negative cable. Refer to Battery Negative Cable
Disconnection and
Connection .
- Disconnect the heated oxygen sensor wiring harness plug.
- Remove the oil level indicator tube. Refer to Oil Level Indicator Tube
Replacement.
- Disconnect the air conditioning compressor hose from the air
conditioning compressor assembly. Refer to
Air Conditioning Compressor Hose Replacement (2H0) .
- Disconnect the air conditioning condenser hose from the compressor
assembly. Refer to Air
Conditioning Condenser Hose Replacement (2H0) .
.gif)
Fig. 24: Wiring Harness Bracket
- Remove the wiring harness bracket fastener (2) and the wiring harness
bracket (1).
- Remove the 2 exhaust manifold heat shield fasteners (4).
- Remove the exhaust manifold heat shield (3).
Installation Procedure
.gif)
Fig. 25: Wiring Harness Bracket
- Install the exhaust manifold heat shield (3).
CAUTION: Refer to Fastener Caution .
- Install the 2 exhaust manifold heat shield fasteners (4) and tighten to
8 N.m (71 lb in).
- Install the wiring harness bracket (1) and the wiring harness bracket
fastener (2) and tighten to 15 N.m
(11 lb ft).
- Install the oil level indicator tube. Refer to Oil Level Indicator Tube
Replacement.
- Connect the air conditioning compressor hose to the air conditioning
compressor assembly. Refer to Air
Conditioning Compressor Hose Replacement (2H0) .
- Connect the air conditioning condenser hose to the compressor
assembly. Refer to Air Conditioning
Condenser Hose Replacement (2H0) .
- Connect the heated oxygen sensor wiring harness plug.
- Connect the battery negative cable. Refer to Battery Negative
Cable Disconnection and Connection
CATALYTIC CONVERTER FRONT HEAT SHIELD REPLACEMENT
.gif)
Fig. 26: Catalytic Converter Front Heat Shield
Catalytic Converter Front Heat Shield Replacement
.jpg)
.jpg)
EXHAUST CROSSOVER PIPE HEAT SHIELD REPLACEMENT
.gif)
Fig. 27: Exhaust Crossover Pipe Heat Shield
Exhaust Crossover Pipe Heat Shield Replacement
.jpg)
.jpg)
EXHAUST MANIFOLD HEAT SHIELD REPLACEMENT (LUV)
.gif)
Fig. 28: Exhaust Manifold Heat Shield (1.4L LUV)
Exhaust Manifold Heat Shield Replacement (LUV)
.jpg)
EXHAUST REAR MUFFLER HEAT SHIELD REPLACEMENT
.gif)
Fig. 29: Exhaust Rear Muffler Heat Shield
Exhaust Rear Muffler Heat Shield Replacement
.jpg)
.jpg)
READ NEXT:
EXHAUST SYSTEM DESCRIPTION
NOTE: Use of non-OEM parts may cause driveability concerns.
The exhaust system carries exhaust gases, treated by the catalytic converter,
through a resonator, if applicable
FIRING ORDER & CYLINDER IDENTIFICATION
NOTE: This information is intended as a quick reference for firing
order and cylinder
identification only. The information provided covers many vehicles and
SEE MORE:
Rear safety belt comfort guides may
provide added safety belt comfort
for older children who have
outgrown booster seats and for
some adults. When installed on a
shoulder belt, the comfort guide
positions the shoulder belt away
from the neck and head.
Safety belt comfort guides are
available throug
Removal Procedure
Remove the left instrument panel outer air outlet. Refer to Instrument
Panel Outer Air Outlet
Replacement (Trax) , Instrument Panel Outer Air Outlet Replacement (Encore)
.
Remove the left instrument panel outer trim cover. Refer to Instrument
Panel Outer Trim Cover
Repla