Chevrolet Trax: Engine replacement - Removal Procedure
- Remove the battery and battery tray. Refer to Battery Tray Replacement .
- Relieve the fuel system pressure. Refer to Fuel Pressure Relief .
- Recover the refrigerant. Refer to Refrigerant Recovery and Recharging
(R-134a) .
- Remove the front tire and wheel assembly. Refer to Tire and Wheel
Removal and Installation .
- Remove the front bumper fascia. Refer to Front Bumper Fascia Replacement
(Trax) , Front Bumper
Fascia Replacement (Encore) .
- Drain the cooling system. Refer to Cooling System Draining and Filling .
.gif)
Fig. 140: Intermediate Steering Shaft And Bolt
- Remove the lower intermediate steering shaft bolt (2) and slide the
shaft away from steering column.
Refer to Intermediate Steering Shaft Replacement (NJ1) , Intermediate
Steering Shaft Replacement
(N40) .
.gif)
Fig. 141: Air Cleaner Assembly
- Remove the air cleaner assembly (1). Refer to Air Cleaner Assembly
Replacement .
.gif)
Fig. 142: Junction Block And Cover
- Remove the junction block cover (1).
.gif)
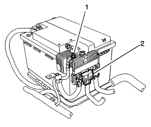
Fig. 143: Positive Battery Cable And Nut
- Remove the positive battery cable nut (1) from the junction block.
- Remove the positive battery cable (2) from the junction block.
.gif)
Fig. 144: Body Wiring Harness Connector And Positive Cable Nut
- Remove the positive cable nut (1) and battery positive cable from the
battery positive cable junction
block.
- Disconnect the body wiring master harness connector (2) from the battery
positive cable junction block.
.gif)
Fig. 145: Junction Block
- Remove the junction block nut (1).
- Remove the junction block bolts (2).
- Disconnect the wiring harness from the junction block base.
- Remove the junction block (3) from the base.
- Disconnect the wiring harness plug from the front compartment fuse
block.
.gif)
Fig. 146: Wiring Harness - Top Of Engine
- Reposition the wiring harness (1) on top of the engine.
.gif)
Fig. 147: Wiring Harness And Ground Nuts
- Remove the ground nuts (1) and reposition the wiring harness (2) aside.
- Disconnect the power vacuum brake booster vacuum sensor electrical
connector, if equipped.
- Disconnect the heater inlet hose from the heater core. Refer to Heater
Inlet Hose Replacement (LUJ,
LUV) .
.gif)
Fig. 148: Heater Outlet Hose
- Disconnect the heater outlet hose (1) from the heater core. Refer to
Heater Outlet Hose Replacement
(LUJ, LUV) , Heater Outlet Hose Replacement (LUJ, LUV Rear) .
.gif)
Fig. 149: Automatic Transmission Range Selector Lever Cable Terminal And
Shift Lever Pin
- If equipped with an automatic transmission, disconnect the transmission
range selector lever cable
terminal (1) from the transmission manual shift lever pin.
- Remove the transmission range selector lever cable (2) from the cable
bracket.
.gif)
Fig. 150: Selector Level Cable Components
- If equipped with manual transmission, disconnect the shift lever and
selector lever cable end (1) from the
transmission shift lever and selector lever.
- Pull the cable retainers (2) to release the shift lever and selector
lever cable from the shift lever and
selector lever cable bracket.
- Disconnect the shift lever and selector lever cable from the shift lever
and selector lever cable bracket.
.gif)
Fig. 151: Radiator Surge Tank And Mounting Bolts
- Remove the radiator surge tank (2) and position aside. Refer to Radiator
Surge Tank Replacement
(LUV, 2H0, LUJ) .
- Disconnect the fan connector.
.gif)
Fig. 152: A/C Compressor And Condenser Hose
- Remove air conditioning compressor and condenser hose nut (1).
- Remove air conditioning compressor and condenser hose (2) from
refrigerant hose.
.gif)
Fig. 153: Fuel Feed Pipe And Plastic Collars
- Disconnect the fuel feed pipe. Refer to Plastic Collar Quick Connect
Fitting Service .
.gif)
Fig. 154: Evaporative Emission Pipe
- Disconnect the evaporative emission pipe (1). Refer to Plastic Collar
Quick Connect Fitting Service .
.gif)
Fig. 155: Wheel Drive Shaft
- Remove the wheel drive shafts. Refer to Front Wheel Drive Shaft
Replacement - Left Side , and Front
Wheel Drive Shaft Replacement - Right Side .
- Remove the front exhaust pipe. Refer to Exhaust Front Pipe Replacement (LUV)
, Exhaust Front
Pipe Replacement .
.gif)
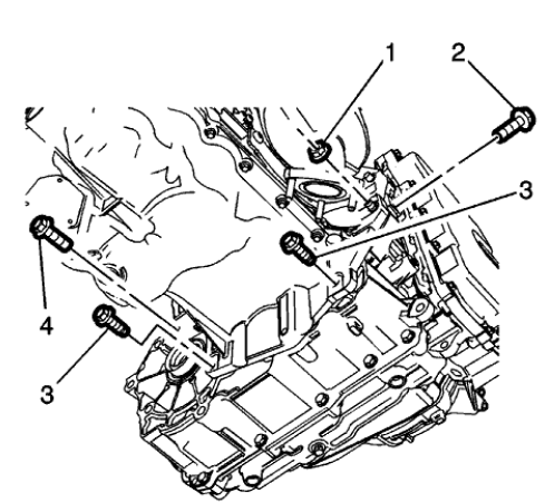
Fig. 156: Lower Transmission Nut And Bolts
- If equipped with an automatic transmission, remove the lower
transmission nut (1) and the lower
transmission bolts (2, 3, 4).
.gif)
Fig. 157: Lower Transmission Bolts
- If equipped with manual transmission, remove the lower transmission bolt
(3) and nut (4).
- Remove the lower transmission bolts (1, 2).
.gif)
Fig. 158: Front Frame Bolts
- Remove the frame front bolts (1).
- Position the lift table under the powertrain and support with blocks of
wood
.gif)
Fig. 159: Frame Suspension Retaining Bolts
- Remove the upper frame suspension retaining bolts (1) on both sides.
.gif)
Fig. 160: Right Side Engine Mount
- Remove the right side engine mount (1). Refer to Engine Mount
Replacement - Right Side.
.gif)
Fig. 161: Left Transmission Mount & Components
- Remove and DISCARD the transmission mount bolts (1) - left side. Refer
to Transmission Mount
Replacement - Left Side .
- Disconnect any additional electrical connections as necessary.
- Raise the vehicle until the powertrain is clear for removal.
.gif)
Fig. 162: Torque Converter To Flywheel Bolt
- If equipped with an automatic transmission, remove the starter. Refer to
Starter Replacement (LUV) .
- Mark the relationship of the flex plate to the torque converter for
reassembly.
- Remove and DISCARD the flex plate to torque converter bolts (1).
.gif)
Fig. 163: Upper Transmission To Engine Bolts
- If equipped with an automatic transmission, remove the upper
transmission to engine bolts (1) and
separate the engine and transmission.
.gif)
Fig. 164: Upper Transmission-To-Engine Bolts
- If equipped with manual transmission, remove the upper transmission to
engine bolts (1). And separate
the engine and transmission.
- Disconnect any electrical connectors as needed.
- Transfer parts as necessary.
READ NEXT:
Install the transmission to the engine.
Fig. 165: Upper Transmission-To-Engine Bolts
CAUTION: Refer to Fastener Caution .
If equipped with a manual transmission, install the upper transmission
Removal Procedure
Open hood.
Place a drain pan below the vehicle.
CAUTION: To prevent damage to oil filter cap ensure proper tool is
used. Do not
use an open end wrench which may cause damage to
SEE MORE:
Removal Procedure
WARNING: Gasoline or gasoline vapors are highly flammable. A fire
could occur
if an ignition source is present. Never drain or store gasoline or
diesel fuel in an open container, due to the possibility of fire or
explosion. Have a dry chemical (Class B) fire extinguisher nearby.
The accessory power outlets can be
used to plug in electrical equipment,
such as a cell phone or MP3 player.
The vehicle has an accessory
power outlet in front of the
cupholders on the center stack.
There may also be one on the rear
of the center console.
Remove the cover to access and
replace wh