Chevrolet Trax: Draining fluids and oil filter removal
.gif)
Fig. 255: Engine Oil Filter Element, Cap And Seal Ring
- Remove the engine oil filter cap (2) along with the engine oil filter
cap seal ring (3) and the oil filter
element (1).
- Remove the oil pan drain plug and allow the oil to drain out.
CAUTION: Refer to Fastener Caution .
- Install the oil pan drain plug and a NEW seal ring and tighten to 14 N.m
(124 lb in).
- Install the engine oil filter cap along with a NEW engine oil filter cap
seal ring and a NEW oil filter
element.
- Tighten the engine oil filter cap to 25 N.m (18 lb ft).
.gif)
Fig. 256: Water Pump Drain Plug And Seal Ring
- Remove the water pump drain plug (1) and the water pump drain plug seal
ring (2) and allow the
remaining coolant to drain out.
- Install the water pump drain plug and a NEW seal ring and tighten to 15
N.m (11 lb ft).
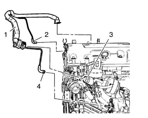
POSITIVE CRANKCASE VENTILATION PIPE REMOVAL
.gif)
Fig. 257: Positive Crankcase Ventilation Pipe Retainer Clips And Retainer
Clamp
- Open the 2 positive crankcase ventilation pipe retainer clips (2) and
(3).
NOTE: Move retainer clamp (1) in direction of the arrow.
- Remove the positive crankcase ventilation pipe from the intake
manifold.
.gif)
Fig. 258: Turbocharger, Positive Crankcase Ventilation Pipe Assembly And
Charger Air Bypass Valve Pipe
- Loosen the charger air bypass valve pipe clamp (4).
- Remove the charger air bypass valve pipe from turbocharger.
- Remove the charger air bypass valve pipe (2) from turbo charger waste
regulator solenoid valve.
- Disconnect the positive crankcase ventilation pipe from turbocharger
(3).
- Unclip and remove the positive crankcase ventilation pipe assembly (1)
from the camshaft cover retainer
clips.
EXHAUST MANIFOLD HEAT SHIELD REMOVAL
.gif)
Fig. 259: Exhaust Manifold Heat Shield
- Remove the 3 exhaust manifold heat shield bolts (1) and the washers.
- Remove the exhaust manifold heat shield (2).
WARM UP THREE-WAY CATALYTIC CONVERTER REMOVAL
.gif)
Fig. 260: Locating Catalytic Converter Components
- Disconnect the heated oxygen sensor wiring harness (3) from retainer
clip.
- Remove the 2 catalytic converter to catalytic converter bracket nuts (4)
and (6).
- Loosen the three way warm up catalytic converter V-clamp (1).
- Remove the three way warm up catalytic converter (5) and the catalytic
converter seal (2).
READ NEXT:
Special Tool
EN-49942 Holding Wrench
For equivalent regional tools, refer to Special Tools.
Fig. 261: Holding Wrench And Ratchet Wrench
Install the EN-49942 holding wrench (2) to the turbocharger
Special Tools
EN-952 Fixing Pin
EN-953-A Fixing Tool
EN-955-10 Fixing Pin from EN-955 Kit
For equivalent regional tools, refer to Special Tools.
The engine should be adjusted to TDC.
The crank
Fig. 314: Crankshaft Position Sensor, Bolt And Seal Ring
Remove the crankshaft position sensor bolt (3).
Remove the crankshaft position sensor (1) and the crankshaft position
sensor seal ring (
SEE MORE:
NOTE: Examples used in this article are general in nature and do
not necessarily relate
to a specific engine or system. Illustrations and procedures have been chosen
to guide mechanic through engine overhaul process. Descriptions of processes
of cleaning, inspection, assembly and machine shop pract
Warning
If a LATCH-type child restraint is
not attached to anchors or with
the safety belt, the child restraint
will not be able to protect the child
correctly. In a crash, the child
could be seriously injured or
killed. Install a LATCH-type child
restraint properly using the
anchors, or use the veh