Chevrolet Trax: Turbocharger removal
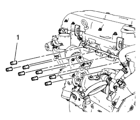
Special Tool
EN-49942 Holding Wrench
For equivalent regional tools, refer to Special Tools.
.gif)
Fig. 261: Holding Wrench And Ratchet Wrench
- Install the EN-49942 holding wrench (2) to the turbocharger coolant feed
pipe. Guide a ratchet wrench
(1) along with an extension through EN-49942 holding wrench to the
turbocharger coolant feed pipe
hollow screw.
.gif)
Fig. 262: Ratchet Wrench, Holding Wrench And Coolant Feed Pipe
NOTE: EN-49942 holding wrench (2) should be installed to
turbocharger coolant
feed pipe as shown. The holding wrench should be installed to avoid twist
of the turbocharger coolant feed pipe during the loosening procedure.
- Loosen the turbocharger coolant feed pipe hollow screw with ratchet
wrench and extension (1).
.gif)
Fig. 263: Turbocharger Oil Return Pipe
- Remove the turbocharger coolant feed pipe hollow screw (3) and the 2
seal rings (1) and (2).
- Disconnect the turbocharger oil return pipe (4) from the engine block.
.gif)
Fig. 264: Turbocharger Oil Feed Pipe Components
- Remove the turbocharger oil feed pipe bolt (5) from the oil cooler.
- Remove the turbocharger oil feed pipe hollow screw (4) and the 2 seal
rings (1) and (3) and close the
screw bore in the turbocharger.
- Remove the turbocharger oil feed pipe (2) and the rubber seal ring.
- Disconnect the turbocharger coolant return hose (6) from the oil cooler
coolant inlet pipe and remove the
turbocharger coolant return pipe bolt (7) from the oil cooler.
.gif)
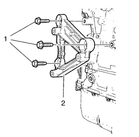
Fig. 265: Turbocharger Nuts
- Remove the 8 turbocharger nuts (1).
.gif)
Fig. 266: Turbocharger Assembly And Turbocharger Gasket
- Remove the turbocharger assembly (1) and the turbocharger gasket (2).
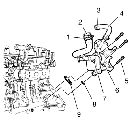
ENGINE OIL COOLER REMOVAL
.gif)
Fig. 267: Locating Engine Oil Cooler Components
- Remove the oil cooler coolant outlet hose clamp (1).
- Remove the oil cooler coolant outlet hose (2) from engine coolant
thermostat housing.
- Remove the oil cooler coolant inlet hose clamp (3).
- Remove the oil cooler coolant inlet hose (4) from water outlet.
- Remove the oil cooler coolant outlet pipe bolt (7).
- Remove the 3 oil cooler bolts (5).
- Remove the engine oil cooler assembly (6) and the 2 oil cooler sealings
(8) and (9).
ENGINE COOLANT THERMOSTAT HOUSING REMOVAL
.gif)
Fig. 268: Engine Coolant Thermostat Housing
- Remove the 3 engine coolant thermostat housing bolts (1).
- Remove the engine coolant thermostat housing (2) and the engine coolant
thermostat housing seal ring
(3).
WATER OUTLET REMOVAL
.gif)
Fig. 269: Water Outlet, Bolts And Seal Ring
- Remove the 3 water outlet bolts (3).
- Remove the water outlet (2) and the water outlet seal ring (1).
DRIVE BELT TENSIONER REMOVAL
.gif)
Fig. 270: Drive Belt Tensioner And Bolts
CAUTION: The drive belt tensioner must always be in a pre-tensioned
state and
must never be free from tension. If the drive belt tensioner is free
from the belt tension, it must always stay fixed with an appropriate
locking pin. Failure to follow this instruction will lead to a damage of
the drive belt tensioner.
- Remove the upper drive belt tensioner bolt (2).
- Remove the lower drive belt tensioner bolt (3).
- Remove the drive belt tensioner (1).
AIR CONDITIONING COMPRESSOR BRACKET REMOVAL
.gif)
Fig. 271: Power Steering Pump Bracket/Air Conditioning Compressor Bracket And
Bolts
- Remove the 3 air conditioning compressor bracket bolts (1).
- Remove the air conditioning compressor bracket (2).
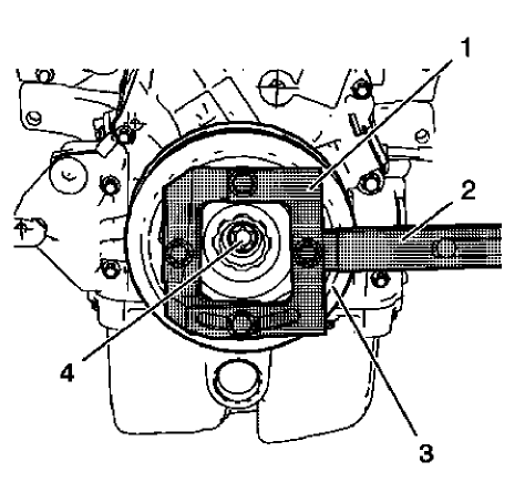
WATER PUMP PULLEY REMOVAL
.gif)
Fig. 272: Water Pump Pulley
- Loosen the 3 water pump pulley bolts (2) while holding up the water pump
pulley hub with a wrench.
- Remove the 3 water pump pulley bolts (2).
- Remove the water pump pulley (1).
CRANKSHAFT BALANCER REMOVAL
Special Tools
- EN-956-1 Extension
- EN-49979 Crankshaft Shock Mount Retainer
For equivalent regional tools, refer to Special Tools.
- Install EN-49979 retainer to EN-956-1 extension.
.gif)
Fig. 273: Crankshaft Balancer, Retainer And Extension
NOTE: The crankshaft balancer can be incorrectly installed
180º from the required
position. Be sure to note the location of the alignment hole on the
crankshaft balancer prior to removing the crankshaft balancer from the
engine.
- Loosen the crankshaft balancer bolt (4) while fixing the crankshaft
balancer (3) with EN-49979 retainer
(1) and EN-956-1 extension (2).
.gif)
Fig. 274: Crankshaft Balancer And Bolt
- Remove and DISCARD the crankshaft balancer bolt (2).
- Remove the crankshaft balancer (1).
WATER PUMP REMOVAL
.gif)
Fig. 275: Water Pump, Gasket And Bolts
- Remove the 5 short water pump bolts (4) and the 5 long water pump bolts
(3).
- Remove the water pump (2).
- Remove the water pump gasket (1).
THROTTLE BODY REMOVAL
.gif)
Fig. 276: Throttle Body And Bolts
- Remove the 4 throttle body bolts (3).
- Remove the throttle body (2) and the throttle body seal ring (1).
INTAKE MANIFOLD REMOVAL
.gif)
Fig. 277: Intake Manifold Bolts
NOTE: Intake manifold bolts remain in intake manifold screw
bores.
- Remove the 6 intake manifold bolts (1).
.gif)
Fig. 278: Intake Manifold
- Remove the intake manifold (1) along with the intake manifold gasket.
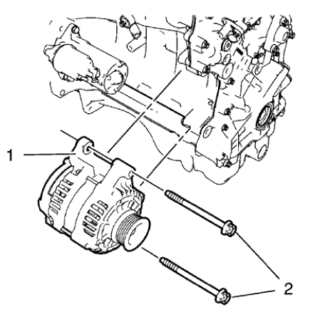
GENERATOR REMOVAL
.gif)
Fig. 279: Generator And Bolts
- Remove the 2 generator bolts (2).
- Remove the generator (1).
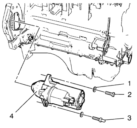
STARTER REMOVAL
.gif)
Fig. 280: Starter, Bolt, Stud And Washer
- Remove the upper starter bolt (2) and if equipped the washer (1).
- Remove the lower starter bolt stud (3) and if equipped the washer.
- Remove the starter (4).
ENGINE FLYWHEEL REMOVAL
Special Tools
EN-652 Flywheel Holder
For equivalent regional tools, refer to Special Tools
.gif)
Fig. 281: Engine Flywheel And Holder
- Install EN-652 holder (1) to hold the engine flywheel (2).
.gif)
Fig. 282: Engine Flywheel And Bolts
- Remove and DISCARD the 6 engine flywheel bolts (2).
- Remove the engine flywheel (1).
IGNITION COIL REMOVAL
Special Tools
EN-6009 Remover and Installer Ignition Module
For equivalent regional tools, refer to Special Tools.
.gif)
Fig. 283: Ignition Coil Bolts
- Remove the 2 ignition coil bolts (1).
.gif)
Fig. 284: Ignition Coil And Remover/Installer
- Install EN-6009 remover and installer (2) and remove the ignition coil
(1).
CAMSHAFT COVER REMOVAL
.gif)
Fig. 285: Engine Oil Level Indicator
- Remove the oil level indicator (1).
.gif)
Fig. 286: Camshaft Cover And Gasket
- Remove the 15 camshaft cover bolts (1).
- Remove the camshaft cover (2) and the camshaft cover gasket (3).
CAMSHAFT POSITION ACTUATOR SOLENOID VALVE REMOVAL
.gif)
Fig. 287: Camshaft Position Actuator Solenoid Valve Bolts
- Remove the 4 camshaft position actuator solenoid valve bolts (1).
.gif)
Fig. 288: Intake Camshaft Position Actuator Solenoid Valve And Exhaust
Camshaft Position Actuator Solenoid Valve
- Move the intake camshaft position actuator solenoid valve (1) carefully
counter clockwise in the position
shown.
- Move the exhaust camshaft position actuator solenoid valve (2) carefully
clockwise in the position
shown.
.gif)
Fig. 289: Camshaft Position Actuator Solenoid Valves And Seal Rings
CAUTION: The camshaft position actuator solenoid valves must be kept
parallel
to the engine front cover during removal and installation. The
camshaft position actuator solenoid valves can be damaged if they
become wedged or stuck during this process.
- Carefully remove the 2 camshaft position actuator solenoid valves (2)
and the seal rings (1).
OIL PAN REMOVAL
.gif)
Fig. 290: Oil Pan Bolts
- Remove the 16 oil pan bolts (1).
.gif)
Fig. 291: Oil Pan Prying Area
CAUTION: Pry the oil pan carefully in order to prevent damage to the
transaxle
case or the oil pan sealing surfaces.
- Place a suitable prying tool to the area shown (1) and carefully pry the
oil pan loose.
.gif)
Fig. 292: Oil Pan
- Remove the oil pan (1).
ENGINE FRONT COVER AND OIL PUMP REMOVAL
- Set engine to TDC. Refer to Camshaft Timing Chain Inspection.
.gif)
Fig. 293: M6, M10 Front Cover Bolts And Engine Front Cover
- Remove the 13 engine front cover bolts M6 (1).
- Remove the 2 engine front cover bolts M10 (2).
- Remove the engine front cover.
READ NEXT:
Special Tools
EN-952 Fixing Pin
EN-953-A Fixing Tool
EN-955-10 Fixing Pin from EN-955 Kit
For equivalent regional tools, refer to Special Tools.
The engine should be adjusted to TDC.
The crank
Fig. 314: Crankshaft Position Sensor, Bolt And Seal Ring
Remove the crankshaft position sensor bolt (3).
Remove the crankshaft position sensor (1) and the crankshaft position
sensor seal ring (
Special Tools
EN-6216 Gauge
EN-6216-200/300/400 Gauge Instruments
For equivalent regional tools refer to Special Tools.
Cleaning Procedure
Remove any old thread sealant, gasket material or seala
SEE MORE:
FRONT SEAT HEATER CONTROL MODULE REPLACEMENT
Fig. 3: Front Seat Heater Control Module
Front Seat Heater Control Module Replacement
DRIVER OR PASSENGER SEAT BACK CUSHION HEATER REPLACEMENT
Fig. 4: Driver Or Passenger Seat Back Cushion Heater
Driver or Passenger Seat Back Cushion Heater Replac
CLUTCH TROUBLE SHOOTING
NOTE: This is GENERAL information. This article is not intended to
be specific to any
unique situation or individual vehicle configuration. The purpose of this
Trouble
Shooting information is to provide a list of common causes to problem
symptoms. For model-specific Trouble