Chevrolet Trax: Camshaft timing chain removal
Special Tools
- EN-952 Fixing Pin
- EN-953-A Fixing Tool
- EN-955-10 Fixing Pin from EN-955 Kit
For equivalent regional tools, refer to Special Tools.
- The engine should be adjusted to TDC.
- The crankshaft should be fixed with EN-952 fixing pin.
- The camshaft should be fixed with EN-953-A fixing tool.
.gif)
Fig. 294: Timing Chain And Timing Chain Tensioner
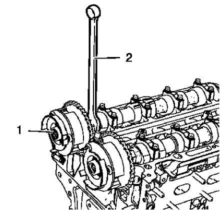
- Push the timing chain (2) in direction to the timing chain tensioner (1)
and fix the tensioner with EN-955-
10 fixing pin (3).
.gif)
Fig. 295: Upper Timing Chain Guide And Bolts
- Remove the 2 upper timing chain guide bolts (1).
- Remove the upper timing chain guide (2).
.gif)
Fig. 296: Timing Chain Guide Right Side
- Remove the 2 timing chain guide right side bolts (2).
- Remove the timing chain guide right side (1).
.gif)
Fig. 297: Timing Chain Tensioner Shoe And Bolt
- Remove the timing chain tensioner shoe bolt (2).
- Remove the timing chain tensioner shoe (1).
.gif)
Fig. 298: Timing Chain And Crankshaft Sprocket
- Remove the timing chain (1) in compound with the crankshaft sprocket
(2).
TIMING CHAIN TENSIONER REMOVAL
.gif)
Fig. 299: Timing Chain Tensioner And Bolts
- Remove the 2 timing chain tensioner bolts (1).
- Remove the timing chain tensioner (2).
ENGINE FRONT COVER GASKET REMOVAL
.gif)
Fig. 300: Engine Front Cover Gasket
Remove and DISCARD the engine front cover gasket (1).
CAMSHAFT SPROCKET REMOVAL
.gif)
Fig. 301: Intake Camshaft And Intake Camshaft Sprocket Bolt
- Loosen the intake camshaft sprocket bolt (1) while holding the hexagon
of intake camshaft (2) with a
wrench.
.gif)
Fig. 302: Intake Camshaft Sprocket, Bolt And Intake Camshaft Position Exciter
Wheel
- Remove the intake camshaft sprocket bolt (1) and the intake camshaft
position exciter wheel (2).
- Remove the intake camshaft sprocket (3).
- Loosen the exhaust camshaft sprocket bolt while holding the hexagon of
exhaust camshaft with a wrench.
- Remove the exhaust camshaft sprocket bolt and the exhaust camshaft
position exciter wheel.
- Remove the exhaust camshaft sprocket.
INTAKE CAMSHAFT REMOVAL
.gif)
Fig. 303: Intake Camshaft Bearing Cap Bolts Removal Sequence
- Remove the camshaft bearing cap bolts in a spiral sequence as shown one
turn at a time until there is no
spring tension pushing on the camshaft.
.gif)
Fig. 304: Intake Camshaft, Camshaft Bearing Caps And Bolts
NOTE: Mind the markings on the camshaft bearing caps to ensure they
will be
installed in the same position.
- Remove the 10 camshaft bearing cap bolts (1).
- Remove the 5 camshaft bearing caps (2).
- Remove the intake camshaft (3).
EXHAUST CAMSHAFT REMOVAL
.gif)
Fig. 305: Exhaust Camshaft Bearing Cap Bolts Removal Sequence
- Remove the camshaft bearing cap bolts in a spiral sequence as shown one
turn at a time until there is no
spring tension pushing on the camshaft.
.gif)
Fig. 306: Exhaust Camshaft, Camshaft Bearing Caps And Bolts
NOTE: Mind the markings on the camshaft bearing caps to ensure they
will be
installed in the same position.
- Remove the 10 camshaft bearing cap bolts (1).
- Remove the 5 camshaft bearing caps (2).
- Remove the exhaust camshaft (3).
HYDRAULIC VALVE LASH ADJUSTER ARM REMOVAL
.gif)
Fig. 307: Hydraulic Valve Lash Adjuster Arms
NOTE: Mind the installation position of the hydraulic valve lash
adjuster arms.
Remove the 16 hydraulic valve lash adjuster arms (1).
HYDRAULIC VALVE LASH ADJUSTER REMOVAL
.gif)
Fig. 308: Hydraulic Valve Lash Adjusters
NOTE: Mind the installation position of the hydraulic valve lash
adjusters.
Remove the 16 hydraulic valve lash adjusters (1).
CYLINDER HEAD REMOVAL
.gif)
Fig. 309: Cylinder Head Bolts Loosening Sequence
- Loosen the 12 cylinder head bolts in the sequence as shown. Use the
following procedure:
- Loosen the cylinder head bolts 90 degrees.
- Loosen the cylinder head bolts 180 degrees.
.gif)
Fig. 310: Cylinder Head, Gasket, Bolts And Guide Sleeves
NOTE: Do not damage the guide sleeves (4) and (5).
- Remove the 12 cylinder head bolts (1).
- Remove the cylinder head (2).
- Remove the cylinder head gasket (3).
PISTON, CONNECTING ROD, AND BEARING REMOVAL
.gif)
Fig. 311: Rod Bearing Caps And Bolts
NOTE: Mark the installation position of the connecting rod bearing
caps. The
connecting rod bearings and bearing caps must not be interchanged with
other connecting rods.
- Remove the 4 connecting rod bearing cap bolts (1) of cylinder 2 and 3.
- Remove the 2 connecting rod bearing caps (2) and the 2 connecting rod
bearings of cylinder 2 and 3.
- Rotate the crankshaft 180 degrees.
.gif)
Fig. 312: Rod Bearing Caps And Bolts
- Remove the 4 connecting rod bearing cap bolts (1) of cylinder 1 and 4.
- Remove the 2 connecting rod bearing caps (2) and the 2 connecting rod
bearings of cylinder 1 and 4.
.gif)
Fig. 313: Pistons, Connecting Rods And Bearings
- Remove the 4 pistons (1) and connecting rods (2) and the 4 upper
connecting rod bearings (3) from the
cylinder block.
READ NEXT:
Fig. 314: Crankshaft Position Sensor, Bolt And Seal Ring
Remove the crankshaft position sensor bolt (3).
Remove the crankshaft position sensor (1) and the crankshaft position
sensor seal ring (
Special Tools
EN-6216 Gauge
EN-6216-200/300/400 Gauge Instruments
For equivalent regional tools refer to Special Tools.
Cleaning Procedure
Remove any old thread sealant, gasket material or seala
Special Tools
EN-49941 Remover / Installer Piston Retainer Ring
For equivalent regional tools, refer to Special Tools.
Fig. 345: Connecting Rod, Piston And Piston Pin
NOTE: Lubricate the piston pin
SEE MORE:
Now and then, check that the safety
belt reminder light, safety belts,
buckles, latch plates, retractors, and
anchorages are all working properly.
Look for any other loose or
damaged safety belt system parts
that might keep a safety belt system
from doing its job. See your dealer
to have it repaire
Diagnostic Instructions
Perform the Diagnostic System Check - Vehicle prior to using this
diagnostic procedure.
Review Strategy Based Diagnosis for an overview of the diagnostic
approach.
Diagnostic Procedure Instructions provides an overview of each
diagnostic category.
DTC Descriptor
DT