Chevrolet Trax: Transmission replacement
Removal Procedure
- Remove the battery tray. Refer to Battery Tray Replacement .
- Remove the front bumper fascia opening upper cover. Refer to Front
Bumper Fascia Opening Upper
Cover Replacement .
- Without draining the coolant or removing the hoses, remove and position
aside the radiator surge tank.
Refer to Radiator Surge Tank Replacement (LUV, 2H0, LUJ) .
- Remove the transmission range selector lever cable. Refer to Range
Selector Lever Cable
Replacement.
- Remove the power brake booster pump assembly, if equipped. Refer to
Power Brake Booster Pump
Replacement .
.gif)
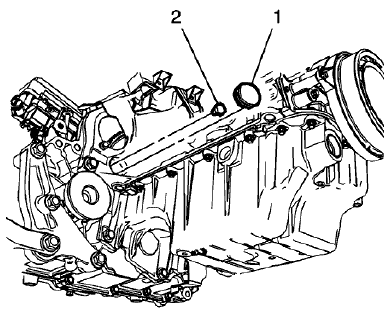
Fig. 66: Identifying Control Valve Body Transmission Control Module (TCM)
Electrical Connector
- Disconnect the control valve body transmission control module electrical
connector (1) then unclip the
connector from the transmission.
- Remove the transmission fluid cooler inlet hose from the transmission.
Refer to Transmission Fluid
Cooler Inlet Pipe Replacement .
- Remove the transmission fluid cooler outlet hose from the transmission.
Refer to Transmission Fluid Cooler Outlet Pipe Replacement .
- Plug and/or cap the pipes and transmission to prevent contamination.
.gif)
Fig. 67: Upper Transmission To Engine Bolts
- Remove the upper transmission to engine bolts (2).
- Install the support fixture.
.gif)
Fig. 68: Identifying Fluid Level Hole Plug
- Drain the transmission fluid. Refer to Transmission Fluid Drain and
Fill.
- Remove the exhaust front pipe. Refer to Exhaust Front Pipe
Replacement (LUV) , Exhaust Front
Pipe Replacement .
- Remove the drivetrain and front suspension frame. Refer to
Drivetrain and Front Suspension Frame
Replacement (Long Cradle) , Drivetrain and Front Suspension Frame
Replacement (Short
Cradle) .
- Remove the front wheel drive shafts from the transmission. Refer to
Front Wheel Drive Shaft
Replacement - Left Side , and Front Wheel Drive Shaft Replacement - Right
Side .
- On FWD vehicles, remove the intermediate shaft. Refer to Front
Wheel Drive Intermediate Shaft
Replacement (LUV with MH8 or MH5) .
- On AWD vehicles, remove the transfer case. Refer to Transfer Case
Replacement .
- Remove the rear transmission mount bracket from the transmission.
Refer to Transmission Mount
Bracket Replacement - Rear (AWD), Transmission Mount Bracket Replacement -
Rear (FWD).
- Remove the starter motor. Refer to Starter Replacement (LUV) ,
Starter Replacement (2H0) .

Fig. 69: Flywheel Bolts And Hole Cover
- Mark the relationship of the flywheel to the torque converter for
reassembly.
- Remove the hole cover (1) and the three torque converter to flywheel
fasteners (2).
.gif)
Fig. 70: Left Transmission Mount
- Remove the left transmission mount (6). Refer to Transmission Mount
Replacement - Left Side.
- Use a transmission jack in order to support the transmission.

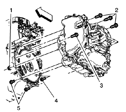
Fig. 71: Upper Transmission To Engine Bolts
- Remove the lower transmission fasteners (1, 3, 4, 5).
NOTE: Ensure the torque converter remains securely in place on the
transmission input shaft while separating and removing the transmission.
- Separate the transmission from the engine.
- Lower the transmission with the transmission jack far enough to
remove the transmission.
- Flush and flow test the transmission oil cooler and lines. Refer to
Transmission Fluid Cooler Flushing
and Flow Test .
Installation Procedure
- Raise the transmission with the transmission jack and position the
transmission to the engine.

Fig. 72: Upper Transmission To Engine Bolts
CAUTION: Refer to Fastener Caution .
- Install the transmission bolts (3, 4) and tighten to 60 (44 lb ft).
- Install the transmission bolts (5) and the transmission nut (1) and
tighten to 40 (30 lb ft).
- Remove the transmission jack.
.gif)
Fig. 73: Left Transmission Mount
- Install the left transmission mount (6). Refer to Transmission Mount
Replacement - Left Side.

Fig. 74: Flywheel Bolts And Hole Cover
NOTE: If reusing the torque converter bolts, clean the threads and
apply
threadlocker to the threads prior to installation.
- Install the torque converter to flywheel bolts (2) and tighten to 60 (44
lb ft) and install the hole cover (1).
- Install the starter motor. Refer to Starter Replacement (LUV) , Starter
Replacement (2H0) .
- Install the rear transmission mount bracket to the transmission. Refer
to Transmission Mount Bracket
Replacement - Rear (AWD), Transmission Mount Bracket Replacement - Rear
(FWD).
- On AWD vehicles, install the transfer case. Refer to Transfer Case
Replacement .
- On FWD vehicles, install the intermediate shaft. Refer to Front
Wheel Drive Intermediate Shaft
Replacement (LUV with MH8 or MH5) .
- Install the front wheel drive shafts to the transmission. Refer to
Front Wheel Drive Shaft Replacement -
Left Side , and Front Wheel Drive Shaft Replacement - Right Side .
- Install the drivetrain and front suspension frame. Refer to
Drivetrain and Front Suspension Frame
Replacement (Long Cradle) , Drivetrain and Front Suspension Frame
Replacement (Short
Cradle) .
- Install the exhaust front pipe. Refer to Exhaust Front Pipe Replacement
(LUV) , Exhaust Front Pipe Replacement .
- Remove the support fixture.

Fig. 75: Upper Transmission To Engine Bolts
- Install the upper transmission to engine bolts (2) and tighten to 60 (44
lb ft).
.gif)
Fig. 76: Identifying Control Valve Body Transmission Control Module (TCM)
Electrical Connector
- Connect the control valve body transmission control module electrical
connector (1) then clip the
connector to the transmission.
- Install the transmission fluid cooler outlet hose to the
transmission. Refer to Transmission Fluid Cooler
Outlet Pipe Replacement .
- Install the transmission fluid cooler inlet hose to the transmission.
Refer to Transmission Fluid Cooler
Inlet Pipe Replacement .
- Install the power brake booster pump assembly, if equipped. Refer to
Power Brake Booster Pump
Replacement .
- Install the transmission range selector lever cable. Refer to Range
Selector Lever Cable Replacement.
- Adjust the automatic transmission range selector lever cable. Refer to
Range Selector Lever Cable
Adjustment.
- Install the radiator surge tank. Refer to Radiator Surge Tank
Replacement (LUV, 2H0, LUJ) .
- Install the front bumper fascia opening upper cover. Refer to
Front Bumper Fascia Opening Upper
Cover Replacement .
- Install the battery tray. Refer to Battery Tray Replacement .
- Fill the transmission with fluid. Refer to Transmission Fluid Drain and
Fill.
- If a NEW transmission control module (TCM) has been installed into the
vehicle, the NEW module needs
to be reprogrammed.
NOTE:
The transmission adaptive values learn procedure must be performed
when one of the following repairs have been made to the vehicle. Failure
to perform the procedure after one of the following repairs may result in
poor transmission performance, as well as transmission DTCs being set:
- Transmission internal service/overhaul
- Valve body repair or replacement
- Control solenoid valve assembly replacement
- TCM software/calibration update
- Any service in response to a shift quality concern
- Perform the transmission adaptive values learn. Refer to Transmission
Adaptive Values Learn .
- Road test the vehicle.
READ NEXT:
Automatic transmission controls wiring schematics (ENCORE, MH8 OR MHB)
Module Power, Ground, Data Communication, and MIL
Fig. 1: Module Power, Ground, Data Communication, and MIL
Speed and Temperatu
Throttle Positions
Engine Braking
A condition where the engine is used to slow the vehicle by manually
downshifting during a zero throttle
coastdown.
Full Throttle Downshift
A quick apply of the acce
SEE MORE:
For information about how to
navigate the menu system using the
infotainment controls
Pairing without Touchscreen
A Bluetooth-enabled cell phone
must be paired to the Bluetooth
system and then connected to the
vehicle before it can be used. See
your cell phone manufacturer's user
guide for Bluetooth
MANUAL TRANSMISSION COMPONENT VIEWS
Shift Control and Shift Lever/Selector Lever Cable Components
Fig. 3: Shift Control and Shift Lever/Selector Lever Cable Components
Shift Shaft Components
Fig. 4: Shift Shaft Components
Clutch Housing Components - Right Hand View
Fig. 5: Locating Clutch