Automatic transmission controls wiring schematics (ENCORE, MH8 OR MHB)
Module Power, Ground, Data Communication, and MIL
.jpg)
Fig. 1: Module Power, Ground, Data Communication, and MIL
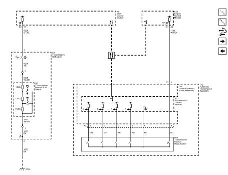
Speed and Temperature Sensors, Pressure and Shift Controls
.jpg)
Fig. 2: Speed and Temperature Sensors, Pressure and Shift Controls
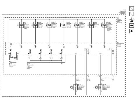
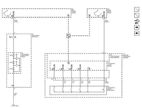
Internal Mode Switch and Tap Up/Tap Down Switches

Fig. 3: Internal Mode Switch and Tap Up/Tap Down Switches
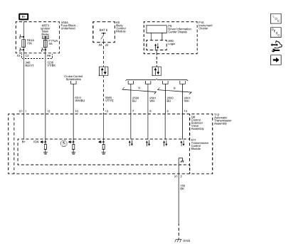
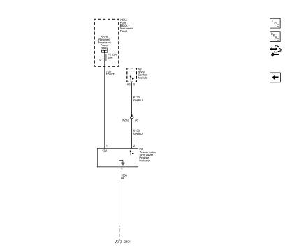
Shift Indicator
.jpg)
Fig. 4: Shift Indicator
AUTOMATIC TRANSMISSION CONTROLS SCHEMATICS (TRAX, MH8 OR MHB)
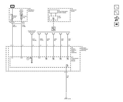
Module Power, Ground, Data Communication, and MIL
.jpg)
Fig. 5: Module Power, Ground, Data Communication, and MIL
Speed and Tempreature Sensors, Pressure and Shift Controls
.jpg)
Fig. 6: Speed and Tempreature Sensors, Pressure and Shift Controls
Internal Mode Switch and Tap Up/Tap Down Switches
.jpg)
Fig. 7: Internal Mode Switch and Tap Up/Tap Down Switches
Special tools and equipment
SPECIAL TOOLS
.jpg)
.jpg)
.jpg)
.jpg)
.jpg)
.jpg)
.jpg)
.jpg)
.jpg)
.jpg)
.jpg)
.jpg)
.jpg)
.jpg)
.jpg)
.jpg)
.jpg)
.jpg)
.jpg)
.jpg)
.jpg)
.jpg)
.jpg)
.jpg)
.jpg)
.jpg)
.jpg)
.jpg)
.jpg)
.jpg)
.jpg)
.jpg)
.jpg)
.jpg)
.jpg)
.jpg)
.jpg)
.jpg)
.jpg)
.jpg)
.jpg)
.jpg)
.jpg)
.jpg)
.jpg)
.jpg)
.jpg)
.jpg)

.jpg)
Definitions and abbreviations
Transmission general description
Heater and air conditioning control replacement (C60)
DTC B3930: Child security lock motors