Chevrolet Trax: Transmission mount replacement - left side
Removal Procedure
- Remove the battery tray. Refer to Battery Tray Replacement .
.gif)
Fig. 52: Electronic Vacuum Pump (EVP)
- Disconnect the electrical connector (1) from the Electronic Vacuum Pump
(EVP) (3).
- Remove the two EVP fasteners (2).
- Position the EVP out of the way.
- Install the engine support fixture.

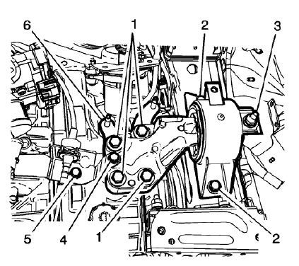
Fig. 53: Left Transmission Mount
- Remove the shift cable bracket to transmission mount bolt (4).
NOTE: Do Not remove the shift cable bracket bolt.
- Loosen the shift cable bracket bolt (5).
- Remove and DISCARD the left transmission mount to bracket bolts (1).
- Remove the left transmission mount to body bolts (2).
- Remove the left transmission mount to body nut (3).
- Remove the transmission mount (6) from the vehicle.
Installation Procedure

Fig. 54: Left Transmission Mount
- Install the left transmission mount (6) to the vehicle.
CAUTION: Refer to Fastener Caution .
- Install the transmission mount to body bolts (2) and tighten to 58 (43
lb ft).
- Install the transmission mount to body nut (3) and tighten to 58 (43 lb
ft).
- Install the NEW left transmission mount to transmission bolts (1) and
tighten to 50 (37 lb ft) plus 60-75
degrees.
- Install the shift cable bracket to transmission mount bolt (4) and
tighten to 22 (16 lb ft).
- Tighten the shift cable bracket bolt (5) to 22 (16 lb ft).
- Remove the engine support fixture.
.gif)
Fig. 55: Electronic Vacuum Pump (EVP)
- Reposition the EVP (3) to the transmission mount.
- Install the EVP to transmission mount nuts (2) and tighten to 22 (16 lb
ft).
- Connect the electrical connector (1) to the EVP (3).
- Install the battery tray. Refer to Battery Tray Replacement .
TRANSMISSION REAR MOUNT REPLACEMENT (AWD)
Removal Procedure
- Remove the transfer case. Refer to Transfer Case Replacement .

Fig. 56: Transmission Bracket Fasteners
- Remove and DISCARD the five transmission bracket fasteners (1, 2).
.gif)
Fig. 57: Transmission Bracket And Through Bolt
- Remove and DISCARD the rear transmission mount through bolt (1).
- Remove the transmission bracket (2) from the transmission.
.gif)
Fig. 58: Transmission Rear Mount
- Remove and DISCARD the transmission rear mount fastener (2).
- Remove the transmission rear mount (1) from the vehicle.
Installation Procedure

Fig. 59: Transmission Rear Mount
- Install the transmission rear mount (1) to the vehicle.
.gif)
Fig. 60: Transmission Bracket And Through Bolt
- Install the transmission bracket (2) to the transmission.
.gif)
Fig. 61: Transmission Bracket Fasteners
CAUTION: Refer to Fastener Caution .
- Install the NEW transmission bracket to transmission fasteners (1) and
tighten to 100 (74 lb ft) plus 30-40
degrees.
- Install the NEW transmission bracket to transmission fastener (2) and
tighten to 60 (44 lb ft) plus 60-75
degrees.
.gif)
Fig. 62: Transmission Rear Mount
- Install the NEW transmission rear mount fastener (2) and tighten to 100
(75 lb ft) plus 90 - 105 degrees.

Fig. 63: Transmission Bracket And Through Bolt
Install the New rear transmission mount through bolt (1) and tighten to 80
(59 lb ft) plus 45-60 degrees.
Install the transfer case. Refer to Transfer Case Replacement
TRANSMISSION REAR MOUNT REPLACEMENT (FWD)
Removal Procedure
- Raise and support the vehicle. Refer to Lifting and Jacking the Vehicle
.
.gif)
Fig. 64: Rear Transmission Mount Bracket To Rear Mount Through Bolt
- Remove and DISCARD the rear transmission mount bracket to rear mount
through bolt (1).
- Remove and DISCARD the rear transmission mount bracket to transmission
bolts (2).
- Remove the rear transmission mount bracket.
- Remove and DISCARD the rear transmission mount to frame bolt (3).
- Remove the rear transmission mount.
Installation Procedure

Fig. 65: Rear Transmission Mount Bracket To Rear Mount Through Bolt
- Install the rear transmission mount.
CAUTION: Refer to Fastener Caution .
- Install the NEW rear transmission mount to frame bolt (3) and tighten to
100 (74 lb ft) plus 90 - 105
degrees.
- Install the rear transmission mount bracket.
- Install the NEW rear transmission mount bracket to transmission bolts
(2) and tighten to 100 (74 lb ft)
plus 30-45 degrees.
- Install the NEW rear transmission mount bracket to rear mount through
bolt (1) and tighten to 80 (59 lb
ft) plus 45-60 degrees.
- Lower the vehicle.
READ NEXT:
Removal Procedure
Remove the battery tray. Refer to Battery Tray Replacement .
Remove the front bumper fascia opening upper cover. Refer to Front
Bumper Fascia Opening Upper
Cover Replacement .
Automatic transmission controls wiring schematics (ENCORE, MH8 OR MHB)
Module Power, Ground, Data Communication, and MIL
Fig. 1: Module Power, Ground, Data Communication, and MIL
Speed and Temperatu
SEE MORE:
HVAC Control Module Replacement
When replacing or disconnecting the HVAC control module, it will be necessary
to perform a recalibration
process. When installing or reconnecting the HVAC control module, be sure to
perform the following:
Preferred Method (with Scan Tool)
NOTE: Do not adjust any con
A computer system called OBD II
(On-Board Diagnostics-Second
Generation) monitors the operation
of the vehicle to ensure emissions
are at acceptable levels, helping to
maintain a clean environment. The
malfunction indicator lamp comes
on when the vehicle is placed in
ON/RUN, as a check to show it is