Chevrolet Trax: Transfer case fluid replacement
Removal Procedure
- Raise and support the vehicle. Refer to Lifting and Jacking the Vehicle
.
- Place a suitable drain pan under the transfer case.
.gif)
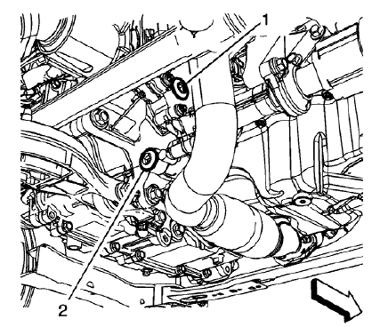
Fig. 2: Transfer Case Drain Plugs
NOTE: Both plugs are to be discarded if removed and NEW plugs
installed.
- Remove the drain plug (2) and discard.
- Remove the fill plug (1) and discard.
Installation Procedure
.gif)
Fig. 3: Transfer Case Drain Plugs
- Install the new drain plug.
- Tighten the drain plug to 40 (30 lb ft).
- Fill the transfer case to the bottom of the fill plug hole. Refer to
Adhesives, Fluids, Lubricants, and
Sealers
- Install a NEW fill plug and tighten to 40 (30 lb ft).
- Lower the vehicle.
DRAIN PLUG REPLACEMENT
Removal Procedure
- Raise and support the vehicle. Refer to Lifting and Jacking the Vehicle
.
.gif)
Fig. 4: Transfer Case Drain And Fill Plugs
NOTE: Both plugs are to be discarded if removed and NEW plugs
installed.
- Remove the drain plug (2) and discard.
- Remove the fill plug (1) and discard.
Installation Procedure
.gif)
Fig. 5: Transfer Case Drain And Fill Plugs
- Install the new drain plug.
- Tighten the drain plug to 40 (30 lb ft).
- Fill the transfer case to the bottom of the fill plug hole.
- Install a NEW fill plug and tighten to 40 (30 lb ft).
- Lower the vehicle.
FILL PLUG REPLACEMENT
Removal Procedure
- Raise and support the vehicle. Refer to Lifting and Jacking the Vehicle
.
.gif)
Fig. 6: Transfer Case Drain And Fill Plugs
- Remove the fill plug (1) and discard.
Installation Procedure
.gif)
Fig. 7: Transfer Case Drain And Fill Plugs
- Install a NEW fill plug.
- Tighten the fill plug to 40 (30 lb ft).
- Lower the vehicle.
TRANSFER CASE VENT HOSE REPLACEMENT
Removal Procedure
.gif)
Fig. 8: Vent Hose And Retaining Clip
- Unclip the upper portion of the vent hose (2) from the retaining clip
(1).
- Raise the vehicle on a hoist. Refer to Lifting and Jacking the Vehicle .
.gif)
Fig. 9: Transfer Case Vent Hose
- Disconnect the vent hose (1) from the transfer case (2).
- Remove the vent hose from the vehicle.
Installation Procedure
.gif)
Fig. 10: Transfer Case Vent Hose
- Connect the vent hose (1) to the transfer case (2).
- Lower the vehicle.
.gif)
Fig. 11: Vent Hose And Retaining Clip
- Clip the upper portion of the vent hose (2) to the retaining clip (1).
READ NEXT:
Special Tools
J-41819 Input Shaft Seal Installer
DT-50937 Seal Protector
For equivalent regional tools, refer to Special Tools.
Removal Procedure
Remove the right drive shaft. Refer to Front Whe
Removal Procedure
Raise and support the vehicle. Refer to Lifting and Jacking the Vehicle
.
Drain the transfer case fluid. Refer to Transfer Case Fluid Replacement.
Remove the rear propeller sha
Removal Procedure
Remove the transfer case. Refer to Transfer Case Replacement.
Fig. 24: Transfer Case-To-Transfer Case Bracket Seal
Remove and DISCARD the transfer case adapter seal from the t
SEE MORE:
WATER MANAGEMENT DESCRIPTION AND OPERATION
Plenum Water Flow Direction and Cleaning
A large percentage of water will flow off the windshield area into the plenum
chamber drain system and then
down the outside on the plenum to the underside of the vehicle. To ensure that
the plenum chamber water
ma
WARNING: Restraint systems can be damaged in a collision. To help
avoid injury and
ensure that all parts in need of replacement are replaced:
Replace any seat belt system that was in use during the
collision
serious enough to deploy any automatic restraint device such as air
bags and seat bel