Chevrolet Trax: Strut assembly removal and installation
Special Tools
CH-49375 Spanner
For equivalent regional tools, refer to Special Tools .
Removal Procedure
- Remove the air inlet grille panel. Refer to Air Inlet Grille Panel
Replacement (Trax) , Air Inlet Grille
Panel Replacement (Encore) .
.gif)
Fig. 32: Front Suspension Strut Mount Plate Nut Cap
- If equipped, remove the front suspension strut mount plate nut cap (1).
.gif)
Fig. 33: Special Tool And Torx(R) Bit
- Use the CH-49375 spanner (2) and a suitable tool (1) to loosen the front
suspension strut mount plate nut.
.gif)
Fig. 34: Front Strut Nut And Retaining Plate
- Remove the front suspension strut mount plate nut (1) and the front
suspension strut mount plate (2).
- Raise and support the vehicle. Refer to Lifting and Jacking the Vehicle
.
- Remove the tire and wheel assembly. Refer to Tire and Wheel Removal and
Installation .
- Remove any harnesses or hoses attached to the strut assembly.
- Disconnect the stabilizer shaft link from the strut assembly. Refer to
Stabilizer Shaft Link
Replacement.
.gif)
Fig. 35: Front Strut Components
- Remove the front suspension strut nuts (1) and bolts (2).
.gif)
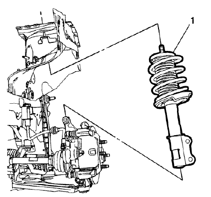
Fig. 36: Front Strut Assembly
- Push the lower control arm and steering knuckle downward to disengage
the strut assembly and remove
the strut assembly (1) from the vehicle.
- If removing the strut assembly to service any of the strut assembly
components, refer to Strut, Strut
Component, or Spring Replacement.
Installation Procedure
.gif)
Fig. 37: Front Strut Assembly
- Push the lower control arm and steering knuckle downward and install
strut assembly (1) on the vehicle.
.gif)
Fig. 38: Front Strut Components
CAUTION: Refer to Fastener Caution .
- Install the front suspension strut nuts (1) and bolts (2) and tighten
the nuts (1) to 110 N.m (82 lb ft).
- Connect the stabilizer shaft link to the strut assembly. Refer to
Stabilizer Shaft Link Replacement.
- Connect any harnesses or hoses previously attached to the strut
assembly.
- Install the tire and wheel assembly. Refer to Tire and Wheel Removal and
Installation .
.gif)
Fig. 39: Front Strut Nut And Retaining Plate
- Install the front suspension strut mount plate (2) and start the front
suspension strut mount plate nut (1)
.gif)
Fig. 40: Special Tool And Torx(R) Bit
- Use the CH-49375 spanner (2) and a suitable tool (1) to tighten the
front suspension strut mount plate nut
to 65 N.m (48 lb ft).
.gif)
Fig. 41: Front Suspension Strut Mount Plate Nut Cap
- If equipped, install the front suspension strut mount plate nut cap (1).
- Install the air inlet grille panel. Refer to Air Inlet Grille Panel
Replacement (Trax) , Air Inlet Grille
Panel Replacement (Encore) .
READ NEXT:
Disassembly Procedure
Remove the strut assembly from the vehicle. Refer to Strut Assembly
Removal and Installation.
Fig. 42: Compressing/Releasing Lower Part Of Shock Spring
NOTE: The spring is
FRONT SUSPENSION DESCRIPTION AND OPERATION
The front suspension has 2 primary purposes:
Isolate the driver from irregularities in the road surface.
Define the ride and handling characteristics of t
SEE MORE:
Diagnostic Instructions
Perform the Diagnostic System Check - Vehicle prior to using this
diagnostic procedure.
Review Strategy Based Diagnosis for an overview of the diagnostic
approach.
Diagnostic Procedure Instructions provides an overview of each
diagnostic category.
Diagnostic Fault
This vehicle has airbags. A rear
seat is a safer place to secure a
forward-facing child restraint. See
Where to Put the Restraint
Never put a rear-facing child seat in
the front. This is because the risk to
the rear-facing child is so great,
if the airbag deploys.
Warning
A child in a rear-facing ch