Chevrolet Trax: Steering knuckle replacement
Removal Procedure
- Raise and support the vehicle. Refer to Lifting and Jacking the Vehicle
.
- Remove the tire and wheel assembly. Refer to Tire and Wheel Removal and
Installation .
- Disconnect the steering linkage outer tie rod from the steering knuckle.
Refer to Steering Linkage Outer
Tie Rod Replacement .
- If equipped, remove the front wheel speed sensor from the steering
knuckle. Refer to Front Wheel Speed
Sensor Replacement .
- Disconnect the front wheel drive shaft from the steering knuckle. Refer
to Front Wheel Drive Shaft
Replacement - Left Side , or Front Wheel Drive Shaft Replacement - Right
Side .
- Remove the front brake shield. Refer to Front Brake Shield Replacement .
- Disconnect the lower control arm from the steering knuckle. Refer to
Lower Control Arm
Replacement.
- Disconnect the strut assembly from the steering knuckle. Refer to Strut
Assembly Removal and
Installation.
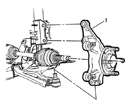
.gif)
Fig. 17: Steering Knuckle Assembly
- Remove the steering knuckle (1) from the vehicle.
- Remove the wheel bearing and hub assembly from the steering knuckle.
Refer to Front Wheel Bearing
and Hub Replacement.
Installation Procedure
- Install the wheel bearing and hub assembly in the steering knuckle.
Refer to Front Wheel Bearing and
Hub Replacement.
.gif)
Fig. 18: Steering Knuckle Assembly
- Position the steering knuckle (1) on the vehicle.
- Connect the strut assembly to the steering knuckle. Refer to Strut
Assembly Removal and Installation.
- Connect the lower control arm to the steering knuckle. Refer to Lower
Control Arm Replacement.
- Install the front brake shield. Refer to Front Brake Shield Replacement
.
- Connect the front wheel drive shaft to the steering knuckle. Refer to
Front Wheel Drive Shaft
Replacement - Left Side , or Front Wheel Drive Shaft Replacement - Right
Side .
- If equipped, install the front wheel speed sensor in the steering
knuckle. Refer to Front Wheel Speed
Sensor Replacement .
- Connect the steering linkage outer tie rod to the steering knuckle.
Refer to Steering Linkage Outer Tie
Rod Replacement .
- Install the tire and wheel assembly. Refer to Tire and Wheel Removal and
Installation .
- If the vehicle had a camber adjustment repair, check the front wheel
alignment. Refer to Wheel
Alignment Specifications .
LOWER CONTROL ARM REPLACEMENT
Removal Procedure
.gif)
Fig. 19: Front Suspension Measurement
- Record the front suspension measurement (p) at curb weight which is the
distance from the center of the
wheel to the bottom of the front fender.
- Raise and support the vehicle. Refer to Lifting and Jacking the Vehicle
.
- Remove the tire and wheel assembly. Refer to Tire and Wheel Removal and
Installation .
.gif)
Fig. 20: Steering Knuckle Nut And Bolt
- Remove the steering knuckle nut (1) and bolt (2).
.gif)
Fig. 21: Front Lower Control Arm Front Bolt And Nut
- Remove the front lower control arm front bolt (1) and nut (2).
.gif)
Fig. 22: Front Lower Control Arm Rear Nut And Bolt
- Remove the front lower control arm rear nut (1) and bolt (2).
- Push the front brake corner forward and remove the lower control arm (3)
from the vehicle.
Installation Procedure
.gif)
Fig. 23: Front Lower Control Arm Rear Nut And Bolt
- Push the front brake corner forward and position the lower control arm
(3) on the vehicle.
- Install the front lower control arm rear nut (1) and front lower control
arm rear bolt (2) and tighten by
hand.
.gif)
Fig. 24: Front Lower Control Arm Front Bolt And Nut
- Install the front lower control arm front bolt (1) and front lower
control arm front nut (2) and tighten by
hand.
.gif)
Fig. 25: Steering Knuckle Nut And Bolt
- Install the steering knuckle nut (1) and steering knuckle bolt (2) and
tighten the nut to 37 N.m (27 lb ft).
- After tightening, loosen the steering knuckle nut (1) 120 degrees.
- After loosening, tighten the steering knuckle nut (1) to 30 N.m (22 lb
ft) + (30-45 degrees).
.gif)
Fig. 26: Front Suspension Measurement
- Support the lower control arm with a hydraulic jack and lift the control
arm until the previously recorded
measurement (p) is achieved.
.gif)
Fig. 27: Front Lower Control Arm Front Bolt And Nut
- Tighten the front lower control arm front bolt (1) to 115 N.m (85 lb
ft).
- After tightening, loosen the front lower control arm front bolt (1) 720
degrees.
- After loosening, tighten the front lower control arm front bolt (1) to
70 N.m (52 lb ft) + (90-105 degrees).
.gif)
Fig. 28: Front Lower Control Arm Rear Nut And Bolt
- Tighten the front lower control arm rear bolt (2) to 80 N.m (59 lb ft) +
(60-75 degrees).
- Install the tire and wheel assembly. Refer to Tire and Wheel Removal and
Installation .
READ NEXT:
Special Tools
CH-43631 Ball Joint Separator
For equivalent regional tools, refer to Special Tools.
Removal Procedure
Raise and support the vehicle. Refer to Lifting and Jacking the Vehicle
.
Remo
Special Tools
CH-49375 Spanner
For equivalent regional tools, refer to Special Tools .
Removal Procedure
Remove the air inlet grille panel. Refer to Air Inlet Grille Panel
Replacement (Trax) , Air
Disassembly Procedure
Remove the strut assembly from the vehicle. Refer to Strut Assembly
Removal and Installation.
Fig. 42: Compressing/Releasing Lower Part Of Shock Spring
NOTE: The spring is
SEE MORE:
CLUTCH PEDAL REPLACEMENT
NOTE: The clutch pedal is part of the brake, accelerator, and
clutch pedal assembly
and cannot be serviced separately.
To replace the brake, accelerator and clutch pedal assembly, refer to Brake,
Accelerator, and Clutch Pedal
Replacement .
CLUTCH MASTER CYLINDER RESERVOIR
NOTE: This is GENERAL information. This article is not intended to
be specific to any
unique situation or individual vehicle configuration. For model-specific
information see appropriate articles where available.
GENERAL INFORMATION
NOTE: This is GENERAL information. This article is not intended to