Chevrolet Trax: Brake pressure modulator valve front brake pipe replacement
(LEFT)
Removal Procedure
WARNING: Refer to Brake Dust Warning .
WARNING: Refer to Brake Fluid Irritant Warning .
CAUTION: Refer to Brake Fluid Effects on Paint and Electrical
Components Caution
- Remove the battery. Refer to Battery Replacement .
.gif)
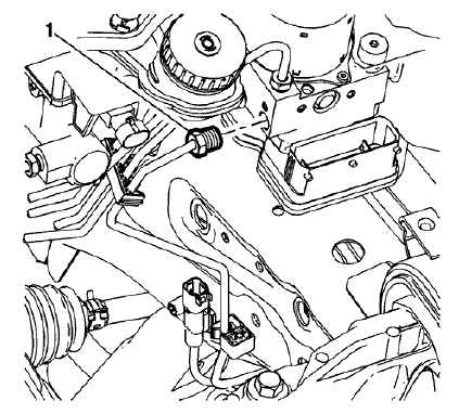
Fig. 75: Brake Pressure Modulator Valve (BPMV) Front Brake Pipe Fitting
- Disconnect the brake pressure modulator valve (BPMV) front brake pipe
fitting (1) from the BPMV.
- Plug the BPMV outlet port to prevent brake fluid loss and contamination.
.gif)
Fig. 76: Front Brake Pipe Retaining Clip
- Release the BPMV front brake pipe from the retaining clip (1).
- Raise and support the vehicle. Refer to Lifting and Jacking the Vehicle
.
- Remove the left front tire and wheel assembly. Refer to Tire and Wheel
Removal and Installation
.gif)
Fig. 77: Brake Pipe Fitting
- Disconnect the BPMV front brake pipe fitting (1) from the left front
brake hose.
- Remove the BPMV front brake pipe from the vehicle.
Installation Procedure
- Install the BPMV front brake pipe to the vehicle.
- Position, but do not secure, the BPMV front brake pipe to the retaining
clip.
.gif)
Fig. 78: Brake Pipe Fitting
CAUTION: Refer to Fastener Caution .
- Install the BPMV front brake pipe fitting (1) to the left front brake
hose and tighten the fitting to 18 N.m
(13 lb ft).
- Lower the vehicle to access the brake pipe retaining clip.
.gif)
Fig. 79: Front Brake Pipe Retaining Clip
- Secure the BPMV front brake pipe to the retaining clip (1).
.gif)
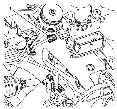
Fig. 80: Brake Pressure Modulator Valve (BPMV) Front Brake Pipe Fitting
- Install the BPMV front brake pipe fitting (1) to the BPMV and tighten
the fitting to 18 N.m (13 lb ft).
- Install the battery. Refer to Battery Replacement .
- Bleed the hydraulic brake system. Refer to Hydraulic Brake System
Bleeding (Manual), Hydraulic
Brake System Bleeding (Pressure).
- Install the left front tire and wheel assembly. Refer to Tire and Wheel
Removal and Installation .
READ NEXT:
Removal Procedure
WARNING: Refer to Brake Dust Warning .
WARNING: Refer to Brake Fluid Irritant Warning .
CAUTION: Refer to Brake Fluid Effects on Paint and Electrical
Components Caution .
Remove t
Special Tools
CH-45405 Brake Pipe Flaring Tool Kit
For equivalent regional tools, refer to Special Tools.
Fig. 89: Sectioning Brake Pipe Using Pipe Cutter
WARNING: Refer to Brake Fluid Irritant Warn
Removal Procedure
WARNING: Refer to Brake Dust Warning .
WARNING: Refer to Brake Fluid Irritant Warning .
CAUTION: Refer to Brake Fluid Effects on Paint and Electrical
Components Caution
Raise and
SEE MORE:
These materials are confidential and are not to be disclosed to, or utilized
by, any individual or entity other than
participants of the Motorist Assurance Program (MAP).
The Automotive Maintenance and Repair Association (AMRA) and MAP do not warrant
these materials or
guarantee their accuracy, a
Fig. 15: Drive Range, Fifth Gear -- Gen 2/Hybrid Fluid Flow Diagram
Drive Range, Sixth Gear (Gen 2/Hybrid)
As vehicle speed increases, the transmission control module (TCM) processes
input signals from the automatic
transmission input and output speed sensors, the throttle position sensor and
ot