FASTENER TIGHTENING SPECIFICATIONS (ON VEHICLE)
Fastener Tightening Specifications (On Vehicle)
.jpg)
.jpg)
FASTENER TIGHTENING SPECIFICATIONS (OFF VEHICLE)
Fastener Tightening Specifications (Off Vehicle)
.jpg)
.jpg)
TRANSMISSION GENERAL SPECIFICATIONS(6T40)
Transmission General Specifications(6T40)
.jpg)
.jpg)
ADHESIVES, FLUIDS, LUBRICANTS, AND SEALERS
Adhesives, Fluids, Lubricants, and Sealers
.jpg)
FLUID CAPACITY SPECIFICATIONS (6T40)
Fluid Capacity Specifications (6T40)
.jpg)
FLUID PUMP SELECTIVE SPECIFICATIONS
Fluid Pump Selective Specifications
.jpg)
RANGE REFERENCE
Range Reference
.jpg)
.jpg)
SHIFT SOLENOID VALVE STATE AND GEAR RATIO
Shift Solenoid Valve State and Gear Ratio
.jpg)
TRANSMISSION INTERNAL MODE SWITCH LOGIC
Transmission Internal Mode Switch Logic
.jpg)
.jpg)
SOLENOID VALVE PRESSURE (GEN 2)
Line PC Solenoid Valve Pressure
.jpg)
TRANSMISSION PARTS KIT SPECIFICATIONS
A/Trans Seal Kit (Gen 1& 2) 24251028
.gif)
Fig. 1: Automatic Trans Seal Kit (Gen 1 And 2) 24251028
NOTE: Callouts with boxes around them indicate part is included in the service kit.
Callouts without boxes are shown for relationship purposes only.
A/Trans Seal Kit (Gen 1& 2) 24251028
.jpg)
Front Wheel Seal Kit (Gen 1& 2) 19258415
.gif)
Fig. 2: Front Wheel Seal Kit (Gen 1 And 2) 19258415
NOTE: Callouts with boxes around them indicate part is included in the service kit.
Callouts without boxes are shown for relationship purposes only.
Front Wheel Seal Kit (Gen 1& 2) 19258415
.jpg)
Front Wheel Seal Kit (Gen 1& 2) 19258416
.gif)
Fig. 3: Front Wheel Seal Kit (Gen 1 And 2) 19258416
NOTE: Callouts with boxes around them indicate part is included in the service kit.
Callouts without boxes are shown for relationship purposes only.
Front Wheel Seal Kit (Gen 1& 2) 19258416
.jpg)
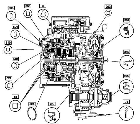
A/Trans Seal Kit (Gen 1) 24251353 (1 of 2)
.gif)
Fig. 4: Automatic Trans Seal Kit (Gen 1) 24251353 (1 Of 2)
A/Trans Seal Kit (Gen 1) 24251353 (1 of 2)
.jpg)
.jpg)
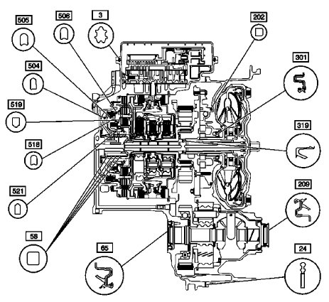
A/Trans Seal Kit (Gen 1) 24251353 (2 of 2)
.gif)
Fig. 5: Automatic Trans Seal Kit (Gen 1) 24251353 (2 Of 2)
NOTE: Callouts with boxes around them indicate part is included in the service kit.
Callouts without boxes are shown for relationship purposes only.
A/Trans Seal Kit (Gen 1) 24251353 (2 of 2)
.jpg)
.jpg)
A/Trans Seal Kit (Gen 2) 24260603 (1 of 2)
.gif)
Fig. 6: Automatic Trans Seal Kit (Gen 2) 24260603 (1 Of 2)
A/Trans Seal Kit (Gen 2) 24260603 (1 of 2)
.jpg)
.jpg)
A/Trans Seal Kit (Gen 2) 24260603 (2 of 2)
.gif)
Fig. 7: Automatic Trans Seal Kit (Gen 2) 24260603 (2 Of 2)
NOTE: Callouts with boxes around them indicate part is included in the service kit.
Callouts without boxes are shown for relationship purposes only.
A/Trans Seal Kit (Gen 2) 24260603 (2 of 2).jpg)
.jpg)
Transmission Kit (Gen 1) 24260701
.gif)
Fig. 8: Transmission Kit (Gen 1) 24260701
NOTE: Callouts with boxes around them indicate part is included in the service kit.
Callouts without boxes are shown for relationship purposes only.
Transmission Kit (Gen 1) 24260701
.jpg)
.jpg)
Control Valve Body Kit (Gen 1) 24248473
.gif)
Fig. 9: Control Valve Body Kit (Gen 1) 24248473
NOTE: Callouts with boxes around them indicate part is included in the service kit.
Callouts without boxes are shown for relationship purposes only.
Control Valve Body Kit (Gen 1) 24248473
.jpg)
.jpg)
Control Valve Body Kit (Gen 2) 24260702
.gif)
Fig. 10: Control Valve Body Kit (Gen 2) 24260702
NOTE: Callouts with boxes around them indicate part is included in the service kit.
Callouts without boxes are shown for relationship purposes only.
Control Valve Body Kit (Gen 2) 24260702
.jpg)
.jpg)
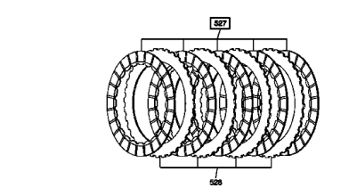
Clutch Plate Package (Gen 1) 24249460
.gif)
Fig. 11: Clutch Plate Package (Gen 1) 24249460
NOTE: Callouts with boxes around them indicate part is included in the service kit.
Callouts without boxes are shown for relationship purposes only.
Clutch Plate Package (Gen 1) 24249460
.jpg)
Clutch Plate Package (Gen 2) 24260695
.gif)
Fig. 12: Clutch Plate Package (Gen 2) 24260695
NOTE: Callouts with boxes around them indicate part is included in the service kit.
Callouts without boxes are shown for relationship purposes only.
Clutch Plate Package (Gen 2) 24260695
.jpg)
.jpg)
4-5-6 Plate Assembly (Gen 2) 24260700
.gif)
Fig. 13: 4-5-6 Plate Assembly (Gen 2) 24260700
NOTE: Callouts with boxes around them indicate part is included in the service kit.
Callouts without boxes are shown for relationship purposes only.
4-5-6 Plate Assembly (Gen 2) 24260700
.jpg)
Low and Reverse Plate Assembly (Gen 2) 24260696
.gif)
Fig. 14: Low And Reverse Plate Assembly (Gen 2) 24260696
NOTE: Callouts with boxes around them indicate part is included in the service kit.
Callouts without boxes are shown for relationship purposes only.
Low and Reverse Plate Assembly (Gen 2) 24260696
.jpg)
3-5 Reverse Plate Assembly (Gen 2) 24260697
.gif)
Fig. 15: 3-5 Reverse Plate Assembly (Gen 2) 24260697
NOTE: Callouts with boxes around them indicate part is included in the service kit.
Callouts without boxes are shown for relationship purposes only.
3-5 Reverse Plate Assembly (Gen 2) 24260697
.jpg)
2-6 Plate Assembly (Gen 2) 24260698
.gif)
Fig. 16: 2-6 Plate Assembly (Gen 2) 24260698
NOTE: Callouts with boxes around them indicate part is included in the service kit.
Callouts without boxes are shown for relationship purposes only.
2-6 Plate Assembly (Gen 2) 24260698
.jpg)
1-2-3-4 Plate Assembly (Gen 2) 24260699
.gif)
Fig. 17: 1-2-3-4 Plate Assembly (Gen 2) 24260699
NOTE: Callouts with boxes around them indicate part is included in the service kit.
Callouts without boxes are shown for relationship purposes only.
1-2-3-4 Plate Assembly (Gen 2) 24260699
.jpg)
A/Trans Seal Kit (Gen 2) 24260704
.gif)
Fig. 18: Automatic Trans Seal Kit (Gen 2) 24260704
NOTE: Callouts with boxes around them indicate part is included in the service kit.
Callouts without boxes are shown for relationship purposes only.
A/Trans Seal Kit (Gen 2) 24260704
.jpg)
.jpg)
A/Trans Auxiliary Seal Kit (Gen 2) 24260705
.gif)
Fig. 19: Automatic Trans Auxiliary Seal Kit (Gen 2) 24260705
NOTE: Callouts with boxes around them indicate part is included in the service kit.
Callouts without boxes are shown for relationship purposes only.
A/Trans Auxiliary Seal Kit (Gen 2) 24260705
.jpg)
.jpg)
Manual Transmission - M20 M32 (MR5)
Component locator
Symptoms - wiper/washer systems
DTC P0243, P0245, OR P0246