Chevrolet Trax: Rear wheel bearing and hub replacement (with disc brakes)
SPECIFICATIONS
FASTENER TIGHTENING SPECIFICATIONS
Fastener Tightening Specifications
.jpg)
REPAIR INSTRUCTIONS
REAR WHEEL BEARING AND HUB REPLACEMENT (WITH DISC BRAKES)
Special Tools
CH 50559 Wheel Hub/Bearing Remover Kit
For equivalent regional tools, refer to Special Tools
Removal Procedure
- Raise and support the vehicle. Refer to Lifting and Jacking the Vehicle
.
- Remove the tire and wheel assembly. Refer to Tire and Wheel Removal and
Installation .
- Separate the wheel drive shaft from the wheel bearing/hub. Refer to Rear
Wheel Drive Shaft
Replacement .
- Remove the rear brake shield. Refer to Rear Brake Shield Replacement .
- Remove the rear wheel speed sensor. Refer to Rear Wheel Speed Sensor
Replacement .
.gif)
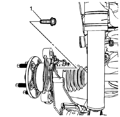
Fig. 1: Wheel Hub Bolts
- Remove the 4 wheel hub bolts (1).
.gif)
Fig. 2: Wheel Hub Assembly
- Remove the wheel hub assembly (1) from the rear axle.
.gif)
Fig. 3: Retaining Ring
NOTE: When removing the retaining ring, ensure the original
position of retaining
ring.
- Remove the retaining ring (1).
- Position the rear knuckle assembly on a press so that the wheel hub is
horizontally placed using a suitable
spacer.
- Using the CH-50559-2 adaptor , the appropriate extension and press,
remove the wheel hub from the
wheel bearing.
- If the inner race of the bearing is pulled out with the hub, remove the
inner race from the hub using the
appropriate tools.
- Using the CH-50559-3 adaptor , the appropriate extension and press,
remove the wheel bearing from the
rear knuckle and discard it.
Installation Procedure
.gif)
Fig. 4: Adapter, Press Extension And Bearing
- Using the Ch-50559-4 adaptor (2) the appropriate extension and press
(1), install the NEW bearing (3)
into the rear knuckle until it is correctly seated.
.gif)
Fig. 5: Special Tool
- Position the Ch-50559-4 adaptor (1) to the inside of the bearing and
position the Ch-50559-2 adaptor (2)
and the appropriate extension on the wheel hub.
.gif)
Fig. 6: Retaining Ring
NOTE: Ensure that the retaining ring is seated in the original
position.
- Using the appropriate tool, install the retaining ring (1).
.gif)
Fig. 7: Wheel Hub Assembly
- Position the wheel bearing/hub assembly (1) in the rear axle.
.gif)
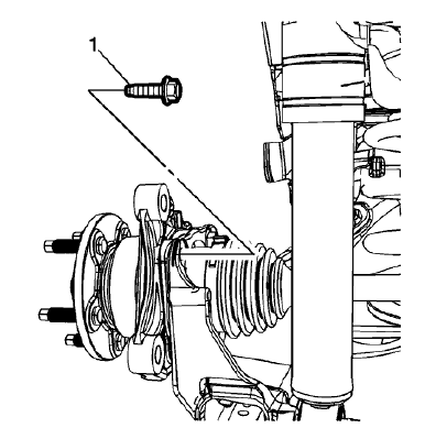
Fig. 8: Wheel Hub Bolts
CAUTION: Refer to Fastener Caution .
- Install the 4 wheel hub bolts (1) and tighten to 60 (44 lb ft)
- Install the rear wheel speed sensor. Refer to Rear Wheel Speed Sensor
Replacement .
- Install the rear brake shield. Refer to Rear Brake Shield Replacement
- Install the NEW wheel drive shaft nut. Refer to Rear Wheel Drive Shaft
Replacement .
- Install the tire and wheel assembly. Refer to Tire and Wheel Removal and
Installation .
- Remove the support and lower the vehicle.
READ NEXT:
Fig. 9: Rear Wheel Bearing And Hub (With Drum Brakes)
Rear Wheel Bearing and Hub Replacement (With Drum Brakes)
STRUT AND SHOCK ABSORBER INSPECTION
NOTE: The shock absorber assembly DOES NOT have
Special Tools
CH 51035 Rear Axle Supporter Adapter
DT 50187 Rear Axle Supporter
For equivalent regional tools, refer to Special Tools .
Removal Procedure
Raise and support the vehicle. Refer to
Special Tools
CH 43631 Ball Joint Separator
For the regional equivalent tool, refer to Special Tools.
Removal Procedure
Raise and support the vehicle. Refer to Lifting and Jacking the Vehicle
.
R
SEE MORE:
NOTE: This is GENERAL information. This article is not
intended to be specific to any
unique situation or individual vehicle configuration. For model-specific
information see appropriate articles where available.
INTERPRETING A VOLTAGE CONTROLLED PATTERN
NOTE: Voltage controlled drivers are also k
The vehicle may have a CD player.
The CD player can play audio CDs
and MP3 CDs.
The CD player will not play
8 cm (3 in) CDs.
Care of CDs
Sound quality can be reduced due
to disc quality, recording method,
quality of the music recorded, and
how the disc has been handled.
Handle discs carefully and