Chevrolet Trax: Range selector lever cable adjustment
NOTE: Adjust the automatic transmission range selector cable while
the
transmission and the gear selector are in the Park position only. Failure to
do so may cause mis-adjustment.
- Set the park brake and chock the wheels.
- Verify the transmission range select lever is in the park position.
- Verify the transmission manual shift lever is in the park position.
.gif)
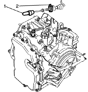
Fig. 14: Cable Tube & Adjuster Clip
- Release the range select cable adjuster clip (1).
.gif)
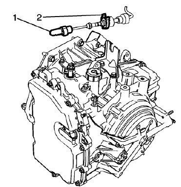
Fig. 15: Cable Tube & Adjuster Clip
- Depress the adjuster clip (1) locking the adjuster clip completely.
- Ensure the cable tube (2) is secure.
- Check the transmission range select lever in all gear selections for
proper operation.
RANGE SELECTOR LEVER CABLE BRACKET REPLACEMENT
Removal Procedure
- Set the park brake and chock the wheels.
- Remove the battery tray. Refer to Battery Tray Replacement .
.gif)
Fig. 16: Range Selector Lever Cable
- Disconnect the range selector cable end (1) from the range selector
lever.
- Disconnect the range selector cable (2) from the range selector cable
bracket.
.gif)
Fig. 17: Range Selector Cable Bracket And Bolts
- Remove the transmission range selector cable bracket bolts (1).
- Remove the transmission range selector cable bracket (2).
Installation Procedure
.gif)
Fig. 18: Range Selector Cable Bracket And Bolts
- Install the transmission range selector cable bracket (2).
CAUTION: Refer to Fastener Caution .
- Install the transmission range selector cable bracket bolts (1) and
tighten to 22 (16 lb ft).
.gif)
Fig. 19: Range Selector Lever Cable
- Connect the range selector cable (2) to the range selector cable
bracket.
- Connect the range selector cable end (1) to the range selector lever.
- Check the range selector cable adjustment. Refer to Range Selector Lever
Cable Adjustment.
- Install the battery tray. Refer to Battery Tray Replacement .
READ NEXT:
Removal Procedure
Fig. 20: Identifying Fluid Level Hole Plug
Raise and support the vehicle. Refer to Lifting and Jacking the Vehicle
.
Remove the front compartment front center insulator, if eq
Special Tools
DT-45201 Cooler Line Seal Remover
DT-49101 Seal Installer
For equivalent regional tools, refer to Special Tools .
Removal Procedure
Remove the battery tray. Refer to Battery Tray R
Removal Procedure
Disconnect the battery negative cable. Refer to Battery Negative Cable
Disconnection and
Connection .
Raise and support the vehicle. Refer to Lifting and Jacking the Vehicle
SEE MORE:
Camshaft Actuator System Overview
Fig. 1: Identifying Camshaft Actuator System Components
The camshaft actuator system enables the engine control module (ECM) to
change camshaft timing of all 4
camshafts while the engine is operating. The camshaft position (CMP) actuator
assembly (15) varies
Fig. 14: Drive Range, Fourth Gear Default -- Gen 2/Hybrid Fluid Flow Diagram
Drive Range, Fifth Gear (Gen 2/Hybrid)
As vehicle speed increases, the transmission control module (TCM) processes
input signals from the automatic
transmission input and output speed sensors, the throttle position senso