Special Tools
CH-44721 Power Steering Analyzer
For equivalent regional tools, refer to Special Tools.
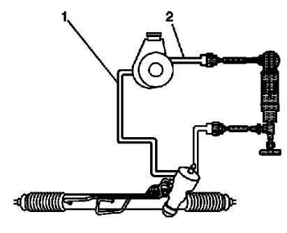
Rack and Pinion System
.gif)
Fig. 3: Testing Rack and Pinion System Pressures
.jpg)
.jpg)
Test Description
The numbers below refer to the step numbers on the diagnostic table.
5
This step tests the system for restrictions.
7
This step tests the following components for the following conditions:
8
This step tests the ability of the power steering pump to regulate flow at maximum pressure.
10
This step tests the ability of the power steering pump to regulate flow under normal operating conditions
12
This step tests the internal components of the power steering pump and the steering gear.
Power Steering System Test
.jpg)
.jpg)
.jpg)
.jpg)
POWER STEERING FLUID LEAKS
Special Tools
GE-28431-6 Fluorescent Dye
For equivalent regional tools, refer to Special Tools.
NOTE:
Some customers may comment on a fluid LEAK or NOISY power steering pump. Upon inspection, the technician may find power steering fluid leaking from the hydraulic power steering system. Use the following inspection procedure in order to diagnose the source of the leak and take appropriate action to correct the condition.
CAUTION: Do not clean using brake cleaner or other reactive solvents as these solvents can damage rubber gaskets, seals and bushings.
RATTLE, CLUNK, OR SHUDDER NOISE FROM THE POWER STEERING SYSTEM (NJ1)
Rattle, Clunk, or Shudder Noise from the Power Steering System (NJ1)
.jpg)
.jpg)
RATTLE, CLUNK, OR SHUDDER NOISE FROM THE POWER STEERING SYSTEM (2H0, N40)
Rattle, Clunk, or Shudder Noise from the Power Steering System (2H0, N40)
.jpg)
.jpg)
RATTLE, CLUNK, OR SHUDDER NOISE FROM THE POWER STEERING SYSTEM (LUJ, N40)
.jpg)
.jpg)
WHINE OR GROWL NOISE FROM THE POWER STEERING SYSTEM (N40)
Whine or Growl Noise from the Power Steering System (N40)
.jpg)
.jpg)
WHINE OR GROWL NOISE FROM THE POWER STEERING SYSTEM (NJ1)
Whine or Growl Noise from the Power Steering System (NJ1)
.jpg)
.jpg)
INCREASE IN EFFORT WHILE TURNING STEERING WHEEL
Increase in Effort While Turning Steering Wheel
.jpg)
.jpg)
POOR RETURN OF STEERING WHEEL
Poor Return of Steering Wheel
.jpg)
.jpg)
.jpg)
STEERING EFFORT HARD OR TOO EASY IN ONE OR BOTH DIRECTIONS (N40)
Steering Effort Hard or Too Easy in One or Both Directions (N40)
.jpg)
STEERING EFFORT HARD OR TOO EASY IN ONE OR BOTH DIRECTIONS (NJ1)
Steering Effort Hard or Too Easy in One or Both Directions (NJ1)
.jpg)
.jpg)
Steering linkage inner tie rod inspection
Power steering system bleeding
Blower motor malfunction (C41, C60)
DTC P0133, P013A, P013B, P013E, P013F, P015A, P015B, P2270, OR P2271 (LUV)