SCHEMATIC WIRING DIAGRAMS
HVAC WIRING SCHEMATICS (ENCORE)
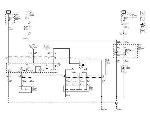
Power, Ground, and Blower Motor
.jpg)
Fig. 1: Power, Ground, and Blower Motor
Mode and Temperature Control Actuators
.jpg)
Fig. 2: Mode and Temperature Control Actuators
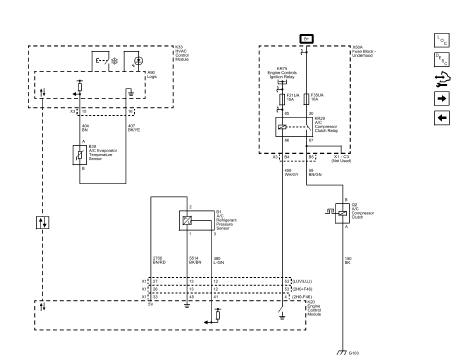
Compressor Controls
.jpg)
Fig. 3: Compressor Controls
HVAC WIRING SCHEMATICS (TRAX)
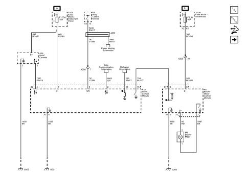
Power, Ground, Blower Motor and Air Inlet Actuator
.jpg)
Fig. 4: Power, Ground, Blower Motor and Air Inlet Actuator
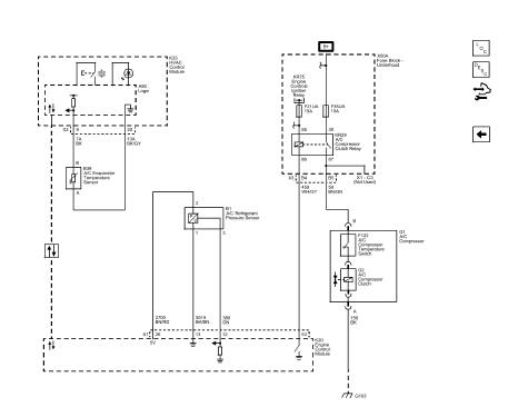
Compressor Controls (C60)
.jpg)
Fig. 5: Compressor Controls (C60)
DIAGNOSTIC INFORMATION AND PROCEDURES
HVAC COMPONENT REPLACEMENT REFERENCE (C67)
HVAC Component Replacement Reference (C67)
.jpg)
.jpg)
HVAC COMPONENT REPLACEMENT REFERENCE (C60)
HVAC Component Replacement Reference (C60)
.jpg)
.jpg)
HVAC COMPONENT REPLACEMENT REFERENCE (C41)
HVAC Component Replacement Reference (C41)
.jpg)
DIAGNOSTIC CODE INDEX
DIAGNOSTIC CODE INDEX
.jpg)
.jpg)
DTC B0193: Front blower motor speed circuit
DTC B0223 (C60): Recirculate position command 1 circuit
DTC B0223, B0233, B023A, OR B0408 (C67): Recirculate position command 1
circuit/airflow control circuit/actuators supply voltage
Transmission fluid cooler hose/pipe quick-connect fitting disconnection and
connection
DTC C0775: Tire pressure monitoring system sensors
malfunction