Chevrolet Trax: Steering gear replacement (NJ1)
Removal Procedure
- Disconnect the intermediate steering shaft from the steering gear. Refer
to Intermediate Steering Shaft
Replacement (NJ1) .
- Remove the intermediate steering shaft upper seal. Refer to Intermediate
Steering Shaft Upper Seal
Replacement .
- Raise and support the vehicle. Refer to Lifting and Jacking the Vehicle
.
- Disconnect the steering linkage outer tie rods from the steering
knuckles. Refer to Steering Linkage
Outer Tie Rod Replacement.
- Disconnect the stabilizer shaft links from the stabilizer shaft. Refer
to Stabilizer Shaft Link
Replacement .
- Disconnect the exhaust isolators from the drivetrain and front
suspension frame. Refer to Exhaust Front
Pipe Replacement (LUV) , Exhaust Front Pipe Replacement .
- Remove the rear transmission mount bracket through bolt. Refer to
Transmission Mount Bracket
Replacement - Rear (AWD) , Transmission Mount Bracket Replacement - Rear (FWD)
.
- Position adjustable jack stands underneath the left and right sides of
the rear of the drivetrain and front
suspension frame.
- Loosen, but do not remove, the drivetrain and front suspension frame
front bolts. Refer to Drivetrain and
Front Suspension Frame Replacement (Long Cradle) , Drivetrain and Front
Suspension Frame
Replacement (Short Cradle) .
- Remove the drivetrain and front suspension frame upper and rear
bolts. Refer to Drivetrain and Front
Suspension Frame Replacement (Long Cradle) , Drivetrain and Front Suspension
Frame
Replacement (Short Cradle) .
- Partially lower the rear of the drivetrain and front suspension frame to
gain clearance for the steering
gear.
- Remove the stabilizer shaft. Refer to Stabilizer Shaft Replacement .
.gif)
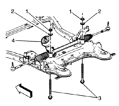
Fig. 57: Steering Gear Bolts
- Remove the steering gear nuts (1), washers (2) and steering gear bolts
(3). DISCARD the bolts.
- Remove the steering gear (4) from the vehicle.
Installation Procedure
.gif)
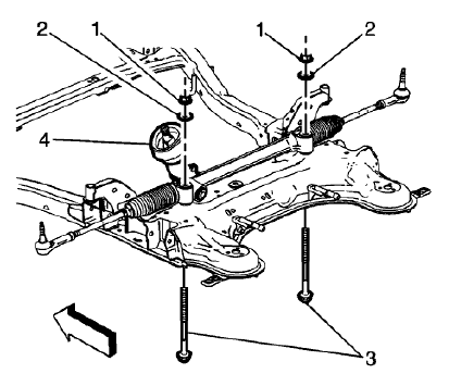
Fig. 58: Steering Gear Bolts
- Position the steering gear (4) on the vehicle.
- Install the NEW steering gear bolts (3), washers (2) and nuts (1).
CAUTION: Refer to Fastener Caution .
CAUTION: This vehicle is equipped with torque-to-yield or single use
fasteners.
Install a NEW torque-to-yield or single use fastener when installing
this component. Failure to replace the torque-to-yield or single use
fastener could cause damage to the vehicle or component.
- Tighten the NEW steering gear bolts (3) to 100 N.m (74 lb ft) + (90-105
degrees).
- Install the stabilizer shaft. Refer to Stabilizer Shaft Replacement .
- Install all drivetrain and front suspension frame bolts. Refer to
Drivetrain and Front Suspension Frame
Replacement (Long Cradle) , Drivetrain and Front Suspension Frame
Replacement (Short
Cradle) .
- Install the rear transmission mount bracket through bolt. Refer to
Transmission Mount Bracket
Replacement - Rear (AWD) , Transmission Mount Bracket Replacement - Rear (FWD)
.
- Connect the exhaust isolators to the drivetrain and front
suspension frame. Refer to Exhaust Front Pipe
Replacement (LUV) , Exhaust Front Pipe Replacement .
- Connect the stabilizer shaft links to the stabilizer shaft. Refer to
Stabilizer Shaft Link Replacement .
- Connect the steering linkage outer tie rods to the steering knuckles.
Refer to Steering Linkage Outer Tie
Rod Replacement.
- Install the intermediate steering shaft upper seal. Refer to
Intermediate Steering Shaft Upper Seal
Replacement .
- Connect the intermediate steering shaft to the steering gear. Refer to
Intermediate Steering Shaft
Replacement (NJ1) .
STEERING LINKAGE INNER TIE ROD REPLACEMENT (N40)
.gif)
Fig. 59: Steering Linkage Inner Tie Rod
Steering Linkage Inner Tie Rod Replacement (N40)
.jpg)
.jpg)
STEERING LINKAGE INNER TIE ROD REPLACEMENT (NJ1)
.gif)
Fig. 60: Steering Linkage Inner Tie Rod
Steering Linkage Inner Tie Rod Replacement (NJ1)
.jpg)
.jpg)
READ NEXT:
POWER STEERING SYSTEM DESCRIPTION AND OPERATION
The power steering system reduces the amount of effort needed to steer the
vehicle. The system uses the
powertrain control module, body control module,
SPECIFICATIONS
FASTENER TIGHTENING SPECIFICATIONS
Fastener Tightening Specifications
SCHEMATIC WIRING DIAGRAMS
STEERING WHEEL WIRING SCHEMATICS (ENCORE)
Heated Steering Wheel
Fig. 1: Heated Steeri
SEE MORE:
Removal Procedure
WARNING: Refer to Brake Fluid Irritant Warning .
CAUTION: Refer to Brake Fluid Effects on Paint and Electrical
Components Caution .
CAUTION: Always connect or disconnect the wiring harness connector from
the
EBCM/EBTCM with the ignition switch in the OFF position. Failure to
obse
NOTE: Examples used in this article are general in nature and do
not necessarily relate
to a specific engine or system. Illustrations and procedures have been chosen
to guide mechanic through engine overhaul process. Descriptions of processes
of cleaning, inspection, assembly and machine shop pract