Chevrolet Trax: Steering gear replacement (N40)
Removal Procedure
- Disconnect the intermediate steering shaft from the steering gear. Refer
to Intermediate Steering Shaft
Replacement (N40) .
- Remove the intermediate steering shaft upper seal. Refer to Intermediate
Steering Shaft Upper Seal
Replacement .
- Remove as much power steering fluid from the power steering fluid
reservoir as possible.
- Raise and support the vehicle. Refer to Lifting and Jacking the Vehicle
.
- Disconnect the steering linkage outer tie rods from the steering
knuckles. Refer to Steering Linkage
Outer Tie Rod Replacement.
- Disconnect the stabilizer shaft links from the stabilizer shaft. Refer
to Stabilizer Shaft Link
Replacement .
- Disconnect the exhaust isolators from the drivetrain and front
suspension frame. Refer to Exhaust Front
Pipe Replacement (LUV) , Exhaust Front Pipe Replacement .
- Remove the rear transmission mount bracket through bolt. Refer to
Transmission Mount Bracket
Replacement - Rear (AWD) , Transmission Mount Bracket Replacement - Rear (FWD)
.
.gif)
Fig. 49: Power Steering Gear Inlet Hose And Bracket
- Remove the power steering gear inlet hose bracket bolt (1) and the
plastic push pin (2) and separate the
power steering gear inlet hose (3) from the vehicle frame.
.gif)
Fig. 50: Power Steering Gear Outlet Hose Bracket
- Remove the power steering gear outlet hose bracket bolt (1) and the
plastic push pin (2) and separate the
power steering gear inlet hose (3) from the steering gear.
- Place drain pans under the vehicle.
.gif)
Fig. 51: Power Steering Gear Inlet And Outlet Hoses
- Remove the power steering gear inlet and outlet hose bolt (1) and
release the power steering gear inlet
and outlet hoses (2,3) and seals (4) from the steering gear. DISCARD the
seals.
- Position adjustable jack stands underneath the left and right sides of
the rear of the drivetrain and front
suspension frame.
- Loosen, but do not remove, the drivetrain and front suspension
frame front bolts. Refer to Drivetrain and
Front Suspension Frame Replacement (Long Cradle) , Drivetrain and Front
Suspension Frame
Replacement (Short Cradle) .
- Remove the drivetrain and front suspension frame upper and rear bolts.
Refer to Drivetrain and Front
Suspension Frame Replacement (Long Cradle) , Drivetrain and Front Suspension
Frame
Replacement (Short Cradle) .
- Partially lower the rear of the drivetrain and front suspension frame to
gain clearance for the steering
gear.
- Remove the stabilizer shaft. Refer to Stabilizer Shaft Replacement .
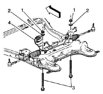
.gif)
Fig. 52: Steering Gear And Mounting Bolts
- Remove the steering gear nuts (1), washers (2) and steering gear bolts
(3). DISCARD the bolts.
- Remove the steering gear (4) from the vehicle.
Installation Procedure
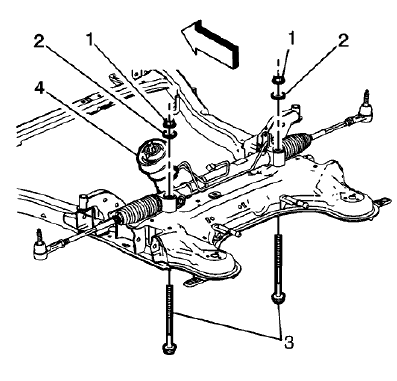
.gif)
Fig. 53: Steering Gear And Mounting Bolts
- Position the steering gear (4) on the vehicle.
- Install the NEW steering gear bolts (3), washers (2) and nuts (1).
CAUTION: Refer to Fastener Caution .
CAUTION: This vehicle is equipped with torque-to-yield or single use
fasteners.
Install a NEW torque-to-yield or single use fastener when installing
this component. Failure to replace the torque-to-yield or single use
fastener could cause damage to the vehicle or component.
- Tighten the steering gear bolts (3) to 100 N.m (74 lb ft) + (90-105
degrees).
- Install the stabilizer shaft. Refer to Stabilizer Shaft Replacement .
- Install all drivetrain and front suspension frame bolts. Refer to
Drivetrain and Front Suspension Frame
Replacement (Long Cradle) , Drivetrain and Front Suspension Frame
Replacement (Short
Cradle) .
.gif)
Fig. 54: Power Steering Gear Inlet And Outlet Hoses
- Connect the power steering gear inlet and outlet hoses (2,3) and NEW
seals (4) to the steering gear.
- Tighten the power steering gear inlet and outlet hose bolt (1) to 11 N.m
(97 lb in).
.gif)
Fig. 55: Power Steering Gear Outlet Hose Bracket
- Secure the power steering gear outlet hose (3) to the steering gear
using the power steering gear inlet hose
bracket bolt (1) and the plastic push pin (2).
- Tighten the power steering gear outlet hose bracket bolt (1) to 9 N.m
(80 lb in).
.gif)
Fig. 56: Power Steering Gear Inlet Hose And Bracket
- Secure the power steering gear inlet hose (3) to the vehicle frame using
the power steering gear inlet hose
bracket bolt (1) and the plastic push pin (2).
- Tighten the power steering gear inlet hose bracket bolt (1) to 9 N.m (80
lb in).
- Clean any excess power steering fluid from the vehicle and remove the
drain pans.
- Install the rear transmission mount bracket through bolt. Refer to
Transmission Mount Bracket
Replacement - Rear (AWD) , Transmission Mount Bracket Replacement - Rear (FWD)
.
- Connect the exhaust isolators to the drivetrain and front
suspension frame. Refer to Exhaust Front Pipe
Replacement (LUV) , Exhaust Front Pipe Replacement .
- Connect the stabilizer shaft links to the stabilizer shaft. Refer to
Stabilizer Shaft Link Replacement .
- Connect the steering linkage outer tie rods to the steering knuckles.
Refer to Steering Linkage Outer Tie
Rod Replacement.
- Install the intermediate steering shaft upper seal. Refer to
Intermediate Steering Shaft Upper Seal
Replacement .
- Connect the intermediate steering shaft to the steering gear. Refer to
Intermediate Steering Shaft
Replacement (N40) .
- Fill and bleed the power steering system. Refer to Power Steering System
Bleeding.
READ NEXT:
Removal Procedure
Disconnect the intermediate steering shaft from the steering gear. Refer
to Intermediate Steering Shaft
Replacement (NJ1) .
Remove the intermediate steering shaft upper seal. R
POWER STEERING SYSTEM DESCRIPTION AND OPERATION
The power steering system reduces the amount of effort needed to steer the
vehicle. The system uses the
powertrain control module, body control module,
SEE MORE:
Steering and suspension are complex systems made up of a variety of
interdependent components. For proper
vehicle handling, ride, and tire wear, a thorough inspection is required
whenever suspension work is being
performed. Conditions listed assume that the problem has been isolated to the
specif
BODY WATERLEAK REPAIR
Fig. 6: Cutting Out A Portion Of The Adhesive Caulking (1 Of 2)
WARNING: If the vehicle interior is exposed to moisture and becomes
soaked up to
the level of the sensing and diagnostic module (SDM), the SDM and SDM
harness connector must be replaced. The SDM could be activat