SPECIFICATIONS
Fastener Tightening Specifications

SCHEMATIC WIRING DIAGRAMS
SIR WIRING SCHEMATICS (ENCORE)
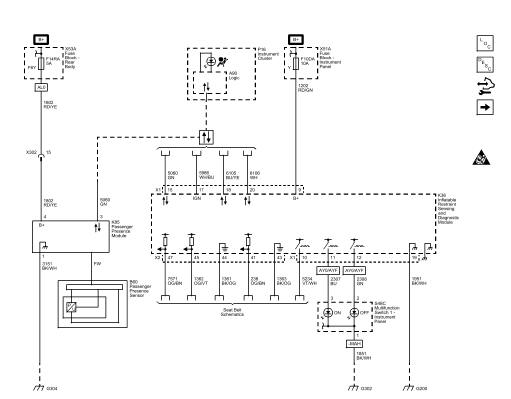
Power, Ground, Passenger Presence, Serial Data and Indicators

Fig. 1: Power, Ground, Passenger Presence, Serial Data and Indicators
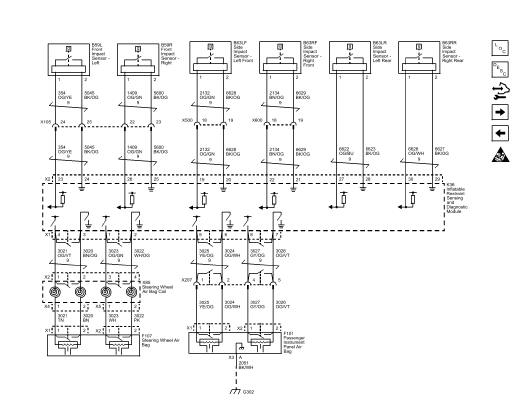
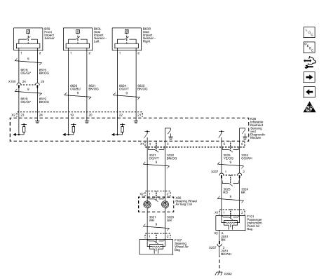
Front Air Bags, and Impact Sensors (AY0 or AYF)

Fig. 2: Front Air Bags, and Impact Sensors (AY0 or AYF)
Front Air Bags, and Sensors (AJG or AYC)

Fig. 3: Front Air Bags, and Sensors (AJG or AYC)
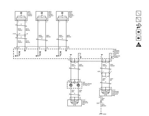
Seat, Knee, and Roof Air Bags

Fig. 4: Seat, Knee, and Roof Air Bags
SIR WIRING SCHEMATICS (TRAX)
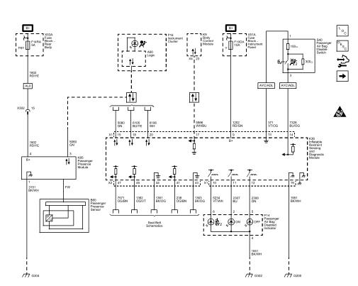
Power, Ground, Passenger Presence, Disable Switch, Serial Data and Indicators

Fig. 5: Power, Ground, Passenger Presence, Disable Switch, Serial Data and
Indicators
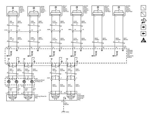
Front Air Bags, and Front Impact Sensors (AYC)

Fig. 6: Front Air Bags, and Front Impact Sensors (AYC)
Front Air Bags, and Impact Sensors (AY0 or AYF)

Fig. 7: Front Air Bags, and Impact Sensors (AY0 or AYF)
Pretensioners and Seat, Knee, and Roof Air Bags

Fig. 8: Pretensioners and Seat, Knee, and Roof Air Bags
COMPONENT LOCATOR
SIR IDENTIFICATION VIEWS (NON-NORTH AMERICA)
The SIR Identification Views shown below illustrate the approximate location of all SIR components available for the vehicle. This will assist in determining the appropriate SIR Disabling and Enabling for a given service procedure, refer to SIR Disabling and Enabling.
Non-North American Models

Fig. 9: Except North American Models

Passenger Instrument Panel Air Bag-Located at the top right
under the instrument
panel
Inflatable Restraint Sensing and Diagnostic Module (SDM)-Located
underneath the
center console
Passenger Seat Belt Retractor Pretensioner-Located under the
center pillar trim near
the bottom
Right Front Side Impact Sensor (SIS)-Located under the
center pillar trim near the
bottom
Passenger Seat Side Air Bag-Located on the seat back of passenger seat
Rear Compartment Lid Assist Rod-A gas shock is located under
the rear trunk lid
on the passenger side (Hatchback Models)
Rear Compartment Lid Assist Rod-A gas shock is located under
the rear trunk lid
on the driver side (Hatchback Models)
Driver Seat Side Air Bag-Located on the seat back of driver seat
Left Front Side Impact Sensor (SIS)-Located under the center
pillar trim near the
bottom
Driver Seat Belt Retractor Pretensioner-Located under the
center pillar trim near
the bottom
Driver Steering Wheel Air Bag-Located on the steering wheel
Vehicle Battery-Located under the hood on the right side
DTC B0012 OR B0013: Driver steering wheel air bag deployment loop
DTC B0014, B0021, B0031, OR B0038: Seat side air bag deployment loop
DTC B1020: Auxiliary electronic control unit (ecu) performance
Personalization Menu (Radio
without Touchscreen)