Chevrolet Trax: Schematic wiring diagrams
SPECIFICATIONS
FASTENER TIGHTENING SPECIFICATIONS
Fastener Tightening Specifications
.jpg)
SCHEMATIC WIRING DIAGRAMS
ANTILOCK BRAKE SYSTEM WIRING SCHEMATICS (ENCORE)
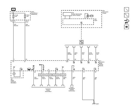
Module Power, Ground and Subsystem References

Fig. 1: Module Power, Ground and Subsystem References
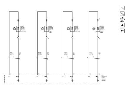
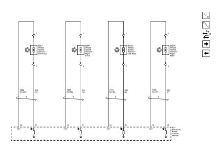
Wheel Speed Sensors

Fig. 2: Wheel Speed Sensors
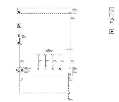
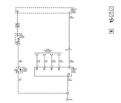
Stability Control

Fig. 3: Stability Control
ANTILOCK BRAKE SYSTEM WIRING SCHEMATICS (TRAX)
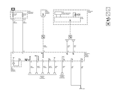
Module Power, Ground and Subsystem References

Fig. 4: Module Power, Ground and Subsystem References
Wheel Speed Sensors

Fig. 5: Wheel Speed Sensors
Stability Control

Fig. 6: Stability Control
READ NEXT:
DIAGNOSTIC CODE INDEX
DTC B2745 (WITH C67/CJ2): Traction control switch
Diagnostic Instructions
Perform the Diagnostic System Check - Vehicle prior to using this
diagnostic procedure.
Revie
Diagnostic Instructions
Perform the Diagnostic System Check - Vehicle prior to using this
diagnostic procedure.
Review Strategy Based Diagnosis for an overview of the diagnostic
approach.
Diag
SEE MORE:
NOTE: The use of a LOW PROFILE LIFT ARMS SYSTEM may be required to
avoid
unwanted contact with the vehicle's body and structure depending on lifting
equipment used. Refer to the manufacture's recommendation for their
applications of low profile lift arms system for their lifting equipment.
Fig. 1
The required specific Onstar
subscription plan includes the
services that follow to help
customers stay connected.
For coverage maps
WiFi Connectivity (If Equipped)
The vehicle has a WiFi hotspot that
provides a high-speed, wireless
Internet connection to connect
multiple mobile devices (data plan