Chevrolet Trax: Engine coolant thermostat replacement (2H0, LDE, LFH)
Removal Procedure
WARNING: Refer to Battery Disconnect Warning .
- Disconnect the battery negative cable. Refer to Battery Negative Cable
Disconnection and
Connection .
- Drain the coolant. Refer to Cooling System Draining and Filling.
.gif)
Fig. 53: Engine Wiring Harness Connector And Retainers
- Disconnect the engine wiring harness connector (1) and retainers (2).
.gif)
Fig. 54: Wiring Harness Bracket And Nut
- Remove the wiring harness bracket nut (3) and bracket (4).
.gif)
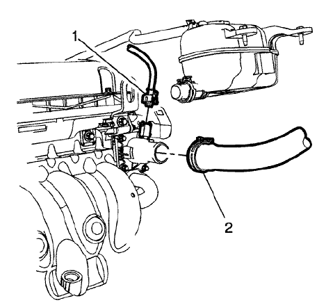
Fig. 55: Thermostat Heating Element Sensor & Radiator Inlet Hose
- If equipped, disconnect the thermostat heating element sensor (1) and
remove the radiator inlet hose (2).
.gif)
Fig. 56: Thermostat Housing And Retaining Bolts
- Remove the thermostat housing retaining bolts (1).
.gif)
Fig. 57: Thermostat And Discard Seal
- Remove the thermostat (1) and discard the seal (2).
Installation Procedure
.gif)
Fig. 58: Thermostat And Discard Seal
- Fit the thermostat (1) to the thermostat housing using a NEW seal (2).
.gif)
Fig. 59: Thermostat Housing And Retaining Bolts
CAUTION: Refer to Fastener Caution .
- Install the thermostat (2) and tighten the thermostat bolts (1) to 10
N.m (89 lb in).
.gif)
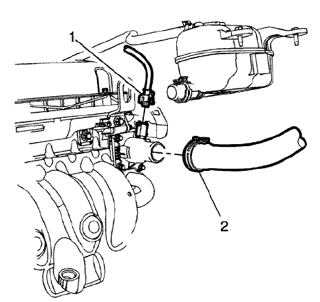
Fig. 60: Thermostat Heating Element Sensor & Radiator Inlet Hose
- Install the radiator inlet hose (2) and connect the thermostat heating
element sensor (1).
.gif)
Fig. 61: Wiring Harness Bracket And Nut
- Install the wiring harness bracket (4) and tighten the nut (3) to 10 N.m
(89 lb in).
.gif)
Fig. 62: Engine Wiring Harness Connector And Retainers
- Connect the engine harness connector (1) and harness retainers (2) to
the bracket.
- Refill the engine cooling system. Refer to Cooling System Draining and
Filling.
- Connect the battery negative cable. Refer to Battery Negative Cable
Disconnection and Connection .
- Start the engine and check for coolant leaks.
READ NEXT:
Removal Procedure
Drain the cooling system. Refer to Cooling System Draining and Filling.
Remove the air cleaner outlet duct. Refer to Air Cleaner Outlet Duct
Replacement .
Fig. 63: Engine Coo
Removal Procedure
Drain the cooling system. Refer to Cooling System Draining and Filling.
Remove the charge air cooler outlet air hose from the throttle body.
Refer to Charge Air Cooler Outlet
A
Removal Procedure
Disconnect the battery negative cable. Refer to Battery Negative Cable
Disconnection and
Connection .
Remove the front bumper fascia. Refer to Front Bumper Fascia Replacement
SEE MORE:
Sunroof
If equipped, the sunroof only
operates when the ignition is turned
to ON/RUN or Retained Accessory
Power (RAP) is active.
Open/Close: Press and hold the
front or rear of switch (1) to open or
close the sunroof.
Vent: Press and hold the front or
rear of switch (2) to vent or close
the sunr
Fig. 13: Drive Range, Fourth Gear -- Gen 2/Hybrid Fluid Flow Diagram
Drive Range - Fourth Gear Default (Gen 2/Hybrid)
If the transmission encounters an electrical component malfunction, the
transmission will default to Fourth gear.
All solenoids will default to their normal state. If the torque