Chevrolet Trax: Drum brake adjusting hardware replacement
Removal Procedure
WARNING: Refer to Brake Dust Warning .
- Raise and support the vehicle. Refer to Lifting and Jacking the Vehicle
.
- Remove the tire and wheel assembly. Refer to Tire and Wheel Removal and
Installation .
- Remove the brake drum. Refer to Brake Drum Replacement.
.gif)
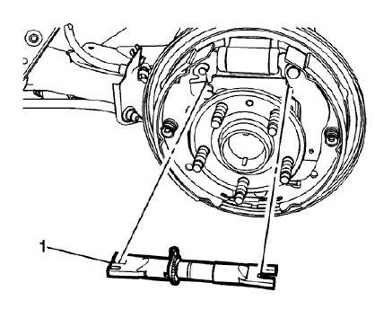
Fig. 40: Upper Brake Shoe Return Spring
- Remove the upper brake shoe return spring (1).
.gif)
Fig. 41: Brake Shoe Adjuster
- Remove brake shoe adjuster (1).
.gif)
Fig. 42: Brake Shoe Adjuster Actuator Lever
- Remove the brake shoe adjuster actuator lever (1).
- Inspect the drum brake adjusting hardware and replace any damaged
components as necessary. Refer to
Drum Brake Adjusting Hardware Inspection.
- Disassemble the brake shoe adjuster and thoroughly clean the adjuster
screw threads of any corrosion.
- Apply a light coat of high temperature brake lubricant to the brake shoe
adjuster screw threads.
Installation Procedure
- Assemble the brake shoe adjuster, setting the adjuster to the fully
retracted position.
- Clean the drum brake backing plate of any dirt and debris.
.gif)
Fig. 43: Brake Shoe Adjuster Actuator Lever
- Install the brake shoe adjuster actuator lever (1).
.gif)
Fig. 44: Brake Shoe Adjuster
- Install brake shoe adjuster (1).
.gif)
Fig. 45: Upper Brake Shoe Return Spring
- Install the upper brake shoe return spring (1).
- Adjust the drum brakes. Refer to Drum Brake Adjustment.
- Install the brake drum. Refer to Brake Drum Replacement.
- Install the tire and wheel assembly. Refer to Tire and Wheel Removal and
Installation .
READ NEXT:
Removal Procedure
WARNING: Refer to Brake Dust Warning .
WARNING: Refer to Brake Fluid Irritant Warning .
Raise and support the vehicle. Refer to Lifting and Jacking the Vehicle
.
Remove the tire
Disassembly Procedure
WARNING: Refer to Brake Dust Warning .
WARNING: Refer to Brake Fluid Irritant Warning .
Raise and support the vehicle. Refer to Lifting and Jacking the Vehicle
.
Remove the
Special Tools
CH-21177-A Drum to Brake Shoe Clearance Gauge
For equivalent regional tools, refer to Special Tools.
WARNING: Refer to Brake Dust Warning
Ensure the park brake lever is in the fully re
SEE MORE:
Paint thickness gauges measure the total thickness of the vehicle finish. It
is important to accurately measure the
thickness of the finish on each vehicle as the thickness of the finish will vary
on each vehicle. Use a paint gauge
before the sanding process in order to accurately measure how much
Special Tools
EN-952 Fixing Pin
EN-953-A Fixing Tool
EN-955-10 Fixing Pin from EN-955 Kit
For equivalent regional tools, refer to Special Tools.
The engine should be adjusted to TDC.
The crankshaft should be locked with EN-952 fixing pin.
The camshaft should be locked with EN-953-A fixing t