SPECIFICATIONS
FASTENER TIGHTENING SPECIFICATIONS
Fastener Tightening Specifications
.jpg)
DIAGNOSTIC INFORMATION AND PROCEDURES
MANUAL SEAT ADJUSTER LOCKS BETWEEN LOCK POSITIONS
Manual Seat Adjuster Locks Between Lock Positions
.jpg)
SEATS - ADJUSTER TRACK LOCKS AHEAD OF OTHER TRACK
Seats - Adjuster Track Locks Ahead of Other Track
.jpg)
REPAIR INSTRUCTIONS
DRIVER OR PASSENGER SEAT REMOVAL AND INSTALLATION
.gif)
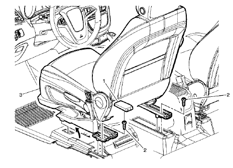
Fig. 1: Driver Or Passenger Seat
Driver or Passenger Seat Removal and Installation
.jpg)
.jpg)
DRIVER OR PASSENGER SEAT CUSHION OUTER FINISH PANEL REPLACEMENT (MANUAL)
.gif)
Fig. 2: Driver Or Passenger Seat Cushion Outer Finish Panel (Manual)
Driver or Passenger Seat Cushion Outer Finish Panel Replacement (Manual)
.jpg)
.jpg)
DRIVER OR PASSENGER SEAT CUSHION OUTER FINISH PANEL REPLACEMENT (POWER)
.gif)
Fig. 3: Driver Or Passenger Seat Cushion Outer Finish Panel (Power)
Driver or Passenger Seat Cushion Outer Finish Panel Replacement (Power)
.jpg)
.jpg)
FRONT SEAT RISER FINISH COVER REPLACEMENT
.gif)
Fig. 4: Front Seat Riser Finish Cover
Front Seat Riser Finish Cover Replacement
.jpg)
.jpg)
DRIVER OR PASSENGER SEAT ADJUSTER HANDLE REPLACEMENT
.gif)
Fig. 5: Driver Or Passenger Seat Adjuster Handle
Driver or Passenger Seat Adjuster Handle Replacement
.jpg)
.jpg)
Front seat vertical adjuster replacement
Driver or passenger seat back cover and pad replacement
Rear seat back cushion panel replacement
DTC P00B7 (2H0 OR LUJ): Engine coolant flow insufficient
DTC C0035, C0040, C0045, OR C0050: Wheel speed sensor