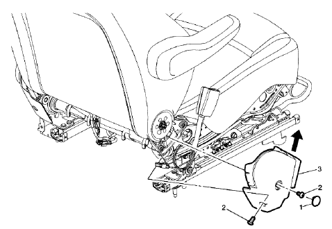
.gif)
Fig. 6: Front Seat Vertical Adjuster
Front Seat Vertical Adjuster Replacement
.jpg)
FRONT SEAT STORAGE TRAY REPLACEMENT (BA8)
.gif)
Fig. 7: t Seat Storage Tray (BA8)
Front Seat Storage Tray Replacement (BA8)
.jpg)
FRONT SEAT ARMREST REPLACEMENT (D05)
.gif)
Fig. 8: Front Seat Armrest And Components
Front Seat Armrest Replacement (D05)
.jpg)
DRIVER OR PASSENGER SEAT HEAD RESTRAINT REPLACEMENT (AJC)
.gif)
Fig. 9: Driver or Passenger Seat Head Restraint
Driver or Passenger Seat Head Restraint Replacement (AJC)
.jpg)
DRIVER OR PASSENGER SEAT HEAD RESTRAINT REPLACEMENT (AHR)
.gif)
Fig. 10: Driver Or Passenger Seat Head Restraint
Driver or Passenger Seat Head Restraint Replacement (AHR)
.jpg)
DRIVER OR PASSENGER SEAT HEAD RESTRAINT GUIDE REPLACEMENT (AJC)
.gif)
Fig. 11: Driver or Passenger Seat Head Restraint Guides
Driver or Passenger Seat Head Restraint Guide Replacement (AJC)
.jpg)
DRIVER OR PASSENGER SEAT HEAD RESTRAINT GUIDE REPLACEMENT (AHR)
.gif)
Fig. 12: Front Seat Head Restraint Adjust Rod Guide
Driver or Passenger Seat Head Restraint Guide Replacement (AHR)
.jpg)
FRONT SEAT HEAD RESTRAINT ADJUST KNOB REPLACEMENT
.gif)
Fig. 13: Front Seat Head Restraint Adjust Knob
Front Seat Head Restraint Adjust Knob Replacement
.jpg)
FRONT SEAT BELT ANCHOR PLATE TENSIONER COVER REPLACEMENT
.gif)
Fig. 14: at Belt Anchor Plate Tensioner Cover
Front Seat Belt Anchor Plate Tensioner Cover Replacement
.jpg)
.gif)
DRIVER OR PASSENGER SEAT INNER RECLINER FINISH COVER REPLACEMENT (DRIVER)
.gif)
Fig. 15: Front Seat Cushion Inner Trim Panel
Driver or Passenger Seat Inner Recliner Finish Cover Replacement (Driver)
.jpg)
DRIVER OR PASSENGER SEAT INNER RECLINER FINISH COVER REPLACEMENT (PASSENGER)
.gif)
Fig. 16: Passenger Seat Inner Recliner Finish Cover
Driver or Passenger Seat Inner Recliner Finish Cover Replacement (Passenger)
.jpg)
DRIVER OR PASSENGER SEAT INNER RECLINER FINISH COVER REPLACEMENT (PASSENGER OUTBOARD WITH AG5)
.gif)
Fig. 17: Passenger Seat Inner Recliner Finish Cover (Outboard With AG5)
Driver or Passenger Seat Inner Recliner Finish Cover Replacement (Passenger Outboard with AG5)
.jpg)
DRIVER OR PASSENGER SEAT INNER RECLINER FINISH COVER REPLACEMENT (PASSENGER INBOARD WITH AG5)
.gif)
Fig. 18: Passenger Seat Inner Recliner Finish Cover (Inboard With AG5)
Driver or Passenger Seat Inner Recliner Finish Cover Replacement (Passenger Inboard with AG5)
.jpg)
DRIVER OR PASSENGER SEAT CUSHION FRAME REPLACEMENT
.gif)
Fig. 19: Driver Or Passenger Seat Cushion Frame
Driver or Passenger Seat Cushion Frame Replacement
.jpg)
.jpg)
FRONT SEAT CUSHION COVER AND PAD REPLACEMENT
.gif)
Fig. 20: Front Seat Cushion Cover And Pad
Front Seat Cushion Cover and Pad Replacement
.jpg)
.jpg)
Driver or passenger seat back cover and pad replacement
Rear seat back cushion panel replacement
Seat Hardware, Trim, and Upholstery - Description and
operation
Change trans fluid message
DTC B2345 (WITH MEMORY A45): Seat heater disable circuit low voltage high/temperature