Chevrolet Trax: Camshaft intake and exhaust sprocket replacement
Special Tools
EN-955-A Locking Pin
For equivalent regional tools, refer to Special Tools.
Removal Procedure
- Remove the air cleaner assembly. Refer to Air Cleaner Assembly
Replacement .
- Remove the camshaft cover. Refer to Camshaft Cover Replacement.
- Remove both camshaft position actuator solenoid valves. Refer to
Camshaft Position Actuator Solenoid
Valve Replacement .
- Adjust the engine to TDC. Refer to Camshaft Timing Chain Adjustment.
.gif)
Fig. 61: Timing Chain Tensioner Plug
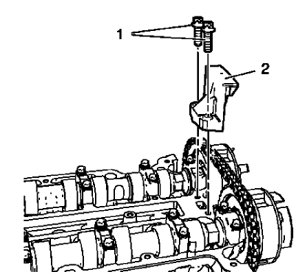
- Remove the timing chain tensioner plug (1) from the engine front cover.
.gif)
Fig. 62: Hexagonal Wrench Rotation Direction
- Install a wrench (1) on the cast hexagonal portion of the intake
camshaft, rotate the camshaft toward the
exhaust camshaft in order to apply tension.
.gif)
Fig. 63: Timing Chain Tensioner Bore And Pin
- Install EN-955-A pin (2) to the timing chain tensioner bore (1) to
secure it in place.
- Remove the wrench from intake camshaft.
.gif)
Fig. 64: Upper Timing Chain Guide And Bolts
- Remove the upper timing chain guide bolts (1).
- Remove the upper timing chain guide (2).
.gif)
Fig. 65: Intake Camshaft Sprocket Bolt And Hexagonal Wrench
- Loosen the intake camshaft sprocket bolt (2) while holding up the
hexagon of the intake camshaft with a
wrench (1).
- Loosen the exhaust camshaft sprocket bolt while holding up the hexagon
of the exhaust camshaft with a
wrench.
.gif)
Fig. 66: Camshaft Position Exciter Wheels And Camshaft Sprocket Bolts
- Remove and DISCARD the camshaft sprocket bolts (2) and the camshaft
position exciter wheels (1).
.gif)
Fig. 67: Timing Chain And Camshaft Sprockets
- Remove the camshaft sprockets (2) and timing chain (1) as one unit.
- Remove the intake and exhaust camshaft sprocket.
- Allow the chain to rest on the front cover.
Installation Procedure
.gif)
Fig. 68: Timing Chain And Camshaft Sprockets
- Install the camshaft sprockets (2) and timing chain (1) as one unit.
.gif)
Fig. 69: Camshaft Position Exciter Wheels And Camshaft Sprocket Bolts
- Install the camshaft position exciter wheels (1).
- Install the NEW camshaft sprocket bolts (2) hand tight only.
- Remove the EN-955-A pin to apply tension to the timing chain .
NOTE: Engine must be adjusted to TDC.
- Adjust the camshaft timing chain. Refer to Camshaft Timing Chain
Adjustment.
.gif)
Fig. 70: Upper Timing Chain Guide And Bolts
- Install the upper timing chain guide (2).
CAUTION: Refer to Fastener Caution .
- Install the upper timing chain guide bolts (1) and tighten to 8 (71 lb
in).
.gif)
Fig. 71: Timing Chain Tensioner Plug
- Install the timing chain tensioner plug (1) and tighten to 50 (37 lb
ft).
- Install both camshaft position actuator solenoid valves. Refer to
Camshaft Position Actuator Solenoid
Valve Replacement .
- Install the camshaft cover. Refer to Camshaft Cover Replacement.
- Install the air cleaner assembly. Refer to Air Cleaner Assembly
Replacement .
- Check and correct engine oil level.
READ NEXT:
Special Tools
EN-470-B Angular Torque Wrench
EN-955 Fixing Pin
EN-953-A Fixing Tool
For equivalent regional tools, refer to Special Tools.
Removal Procedure
Disconnect battery negative cable. R
For assembly of the cylinder head. Refer to Cylinder Head Assemble.
CAUTION: Refer to Fastener Caution .
Install the cylinder head assembly parts:
Install the 3 engine lift bracket bolts and t
SEE MORE:
The names, logos, emblems,
slogans, vehicle model names, and
vehicle body designs appearing in
this manual including, but not limited
to, GM, the GM logo, CHEVROLET,
the CHEVROLET Emblem, and
TRAX are trademarks and/or
service marks of General Motors
LLC, its subsidiaries, affiliates,
or licensors.
SPECIFICATIONS
FASTENER TIGHTENING SPECIFICATIONS
Fastener Tightening Specifications
APPROXIMATE FLUID CAPACITIES
Approximate Fluid Capacities
ADHESIVES, FLUIDS, LUBRICANTS, AND SEALERS
Adhesives, Fluids, Lubricants, and Sealers
COMPONENT LOCATOR
TRANSFER CASE DISASSEMBLED VIEW
Fig. 1: Trans