Chevrolet Trax: Air conditioning condenser hose replacement (2H0)
Removal Procedure
- Recover the refrigerant. Refer to Refrigerant Recovery and Recharging
(R-134a).
- Remove the air cleaner inlet duct. Refer to Air Cleaner Inlet Duct
Replacement (2H0).
.gif)
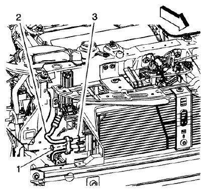
Fig. 23: Condenser Hose Assembly And Evaporator Hose Assembly
- Remove the air conditioning compressor hose assembly from the air
conditioning condenser hose at the
evaporator hose assembly and position out of the way. Refer to Air
Conditioning Compressor Hose
Replacement (2H0),
- Remove the air conditioning condenser hose assembly (1) from the
evaporator hose assembly.
- Remove and discard the old sealing washers (2) and replace with NEW
sealing washers.
.gif)
Fig. 24: Air Conditioning Condenser Hose Assembly
- Disconnect the electrical connector from the air conditioning
refrigerant pressure sensor.
- Remove air conditioning condenser hose assembly bolt (1) from the air
conditioning compressor.
- Remove air conditioning condenser hose assembly (2) from the air
conditioning compressor.
- Remove and discard the old sealing washers (3) and replace with NEW
sealing washers.
.gif)
Fig. 25: Condenser Hose Assembly And Sealing Washers
- Remove the front bumper fascia. Refer to Front Bumper Fascia Replacement
(Trax) , Front Bumper
Fascia Replacement (Encore) .
- Remove air conditioning condenser hose assembly nut (1) from the air
conditioning condenser.
- Remove air conditioning condenser hose assembly (2) from air
conditioning condenser.
- Remove and discard the old sealing washers (3) and replace with NEW
sealing washers.
.gif)
Fig. 26: Removing Air Conditioning Condenser Hose Assembly
- Remove air conditioning condenser hose assembly (1) from the vehicle.
- Transfer all required parts
Installation Procedure
NOTE: Install NEW air conditioning sealing washers to the air
conditioning
condenser hose assembly. Refer to Air Conditioning System Seal
Replacement.
- Install the air conditioning refrigerant pressure sensor if removed.
Refer to Air Conditioning (A/C)
Refrigerant Pressure Sensor Replacement (2H0).
- Install air conditioning condenser hose assembly into the vehicle.
.gif)
Fig. 27: Condenser Hose Assembly And Sealing Washers
- Install NEW air conditioning sealing washer (3) to the air conditioning
condenser hose assembly (2).
- Install the air conditioning condenser hose assembly (2) to the air
conditioning condenser assembly.
CAUTION: Refer to Fastener Caution .
- Install air conditioning condenser hose assembly nut (1) and tighten the
nut to 22 N.m (16 lb ft).
- Install the front bumper fascia. Refer to Front Bumper Fascia
Replacement (Trax) , Front Bumper
Fascia Replacement (Encore) .
.gif)
Fig. 28: Air Conditioning Condenser Hose Assembly
- Install NEW air conditioning sealing washers (3) to the air conditioning
condenser hose assembly.
- Install the air conditioning condenser hose assembly (2) to the air
conditioning compressor assembly.
- Install the air conditioning condenser hose assembly bolt (1) and
tighten the bolt to 22 N.m (16 lb ft).
- Connect the electrical connector to the air conditioning refrigerant
pressure sensor.
.gif)
Fig. 29: Condenser Hose Assembly And Evaporator Hose Assembly
- Install NEW air conditioning sealing washer (2) to the air conditioning
condenser hose assembly (1).
- Install the air conditioning condenser hose assembly (1) to the
evaporator hose assembly.
- Install the air compressor hose assembly to the air conditioning
condenser hose assembly. Refer to Air
Conditioning Compressor Hose Replacement (2H0).
- Install the air cleaner inlet duct. Refer to Air Cleaner Inlet Duct
Replacement (2H0).
- Charge the refrigerant system. Refer to Refrigerant Recovery and
Recharging (R-134a).
READ NEXT:
Fig. 30: Air Conditioning Evaporator Hose Assembly
Air Conditioning Evaporator Hose Assembly Replacement (LUJ, LUV)
AIR CONDITIONING EVAPORATOR HOSE ASSEMBLY REPLACEMENT (2H0)
Fig. 31: Air Con
Fig. 38: Air Conditioning (A/C) Refrigerant Pressure Sensor
Air Conditioning (A/C) Refrigerant Pressure Sensor Replacement (LUJ, LUV)
AIR CONDITIONING (A/C) REFRIGERANT PRESSURE SENSOR REPLACEME
Removal Procedure
Disconnect the negative battery cable. Refer to Battery Negative Cable
Disconnection and
Connection .
Recover the refrigerant system. Refer to Refrigerant Recovery and
Rechar
SEE MORE:
Slowly and cautiously spin the
wheels to free the vehicle when
stuck in sand, mud, ice, or snow.
If stuck too severely for the traction
system to free the vehicle, turn the
traction system off and use the
rocking method. See Traction
Control/Electronic Stability
Warning
If the vehicle's tires spin
Select and the following may
display:
Auto Volume
Radio Favorites
Radio Tune Bar
Radio Text
XM Categories
Radio Factory Settings
Auto Volume
The auto volume feature
automatically adjusts the radio
volume according to vehicle speed.
Select Off, Low, Medium, or High.
Radio Favorites
This feat