Chevrolet Trax: Sunroof
SCHEMATIC WIRING DIAGRAMS
SPECIFICATIONS
FASTENER TIGHTENING SPECIFICATIONS
Fastener Tightening Specifications
.jpg)
SCHEMATIC WIRING DIAGRAMS
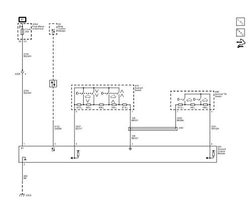
SUNROOF WIRING SCHEMATICS (ENCORE)
Power Sunroof
.jpg)
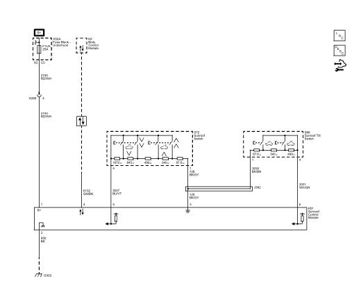
SUNROOF WIRING SCHEMATICS (TRAX)
Power Sunroof
.jpg)
Fig. 2: Power Sunroof
READ NEXT:
DIAGNOSTIC CODE INDEX
DTC B3664: SUNROOF POSITION SELECT SWITCH
Diagnostic Instructions
Perform the Diagnostic System Check - Vehicle prior to using this
diagnostic procedure.
Review Strategy
Diagnostic Instructions
Perform the Diagnostic System Check - Vehicle prior to using this
diagnostic procedure.
Review Strategy Based Diagnosis for an overview of the diagnostic
approach.
Diag
SEE MORE:
Diagnostic Instructions
Perform the Diagnostic System Check - Vehicle prior to using this
diagnostic procedure.
Review Strategy Based Diagnosis for an overview of the diagnostic
approach.
Diagnostic Procedure Instructions provides an overview of each
diagnostic category.
Circuit/System De
A Bluetooth-enabled cell phone
must be paired to the Bluetooth
system and then connected to the
vehicle before it can be used. See
your cell phone manufacturer's user
guide for Bluetooth functions before
pairing the cell phone. If a Bluetooth
phone is not connected, calls will be
made using OnStar H