Chevrolet Trax: Schematic wiring diagrams
SPECIFICATIONS
FASTENER TIGHTENING SPECIFICATIONS
Fastener Tightening Specifications
.jpg)
Adhesives, Fluids, Lubricants, and Sealers
.jpg)
SCHEMATIC WIRING DIAGRAMS
INSIDE REARVIEW MIRROR WIRING SCHEMATICS (ENCORE)
Inside Review Mirror
.jpg)
Fig. 1: Inside Review Mirror
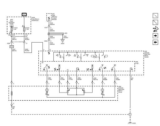
INSIDE REARVIEW MIRROR WIRING SCHEMATICS (TRAX)
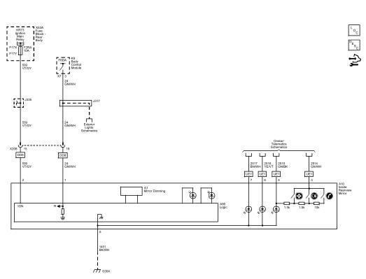
Inside Rearview Mirror Electrochromic (DD8)
.jpg)
Fig. 2: Inside Rearview Mirror Electrochromic (DD8)
OUTSIDE REARVIEW MIRROR WIRING SCHEMATICS (ENCORE)
Mirrors (Without AAG)
.jpg)
Fig. 3: Mirrors (Without AAG)
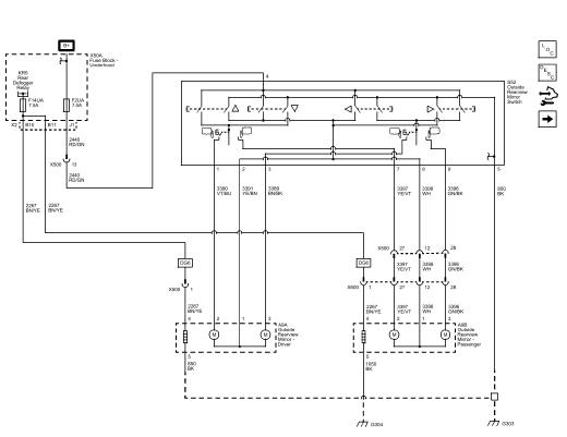
Driver Mirror (AAG)
.jpg)
Fig. 4: Driver Mirror (AAG)
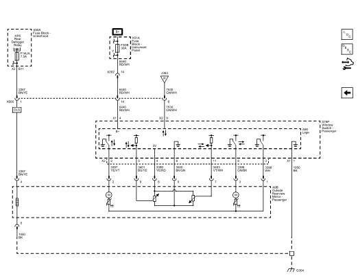
Passenger Mirror (AAG)
.jpg)
Fig. 5: Passenger Mirror (AAG)
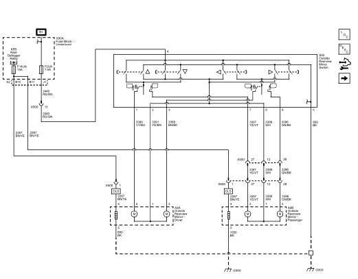
OUTSIDE REARVIEW MIRROR WIRING SCHEMATICS (TRAX)
Mirrors
.jpg)
Fig. 6: Mirrors
READ NEXT:
DIAGNOSTIC CODE INDEX
Diagnostic Instructions
Perform the Diagnostic System Check - Vehicle prior to using this
diagnostic procedure.
Review Strategy Based Diagnosis for an overview of the diag
Diagnostic Instructions
Perform the Diagnostic System Check - Vehicle prior to using this
diagnostic procedure.
Review Strategy Based Diagnosis for an overview of the diagnostic
approach.
Diag
SEE MORE:
To set the parking brake, hold the
brake pedal down and pull up on the
parking brake lever. If the ignition is
on, the brake system warning light
will come on. See Brake System
Warning Light
To release the parking brake, hold
the brake pedal down. Pull the
parking brake lever up until you can
pres
ABS DESCRIPTION AND OPERATION
Antilock Brake System Block Diagram
Fig. 45: Antilock Brake System Block Diagram
This vehicle is equipped with the MGH 60 Mando electronic stability control
brake system. The electronic
brake control module and the brake pressure modulator are serviced separately