HEADLIGHTS/DAYTIME RUNNING LIGHTS (DRL) WIRING SCHEMATICS (ENCORE)
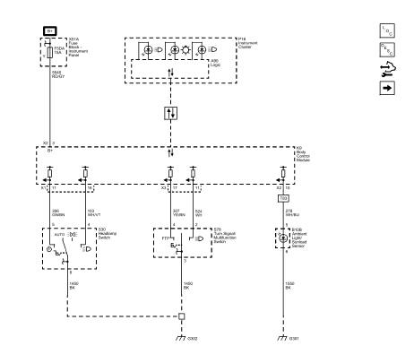
Controls and Indicators
.jpg)
Fig. 1: Controls and Indicators
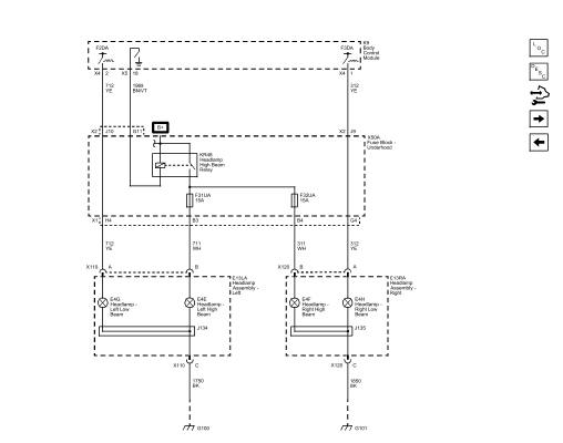
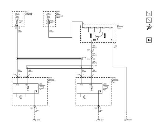
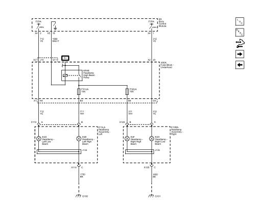
HeadLamps
.jpg)
Fig. 2: HeadLamps
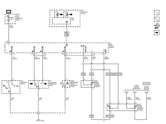
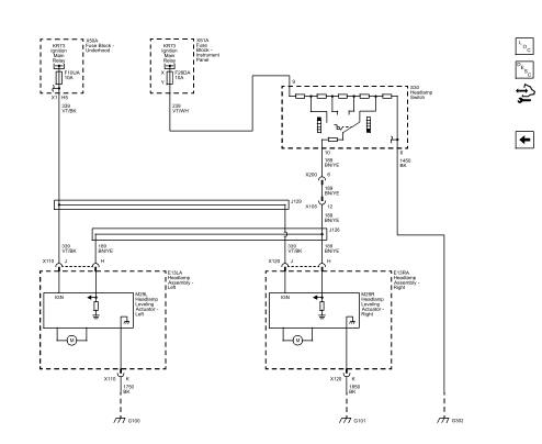
Leveling (TR6)
.jpg)
Fig. 3: Leveling (TR6)
HEADLIGHTS/DAYTIME RUNNING LIGHTS (DRL) WIRING SCHEMATICS (TRAX)
Controls and Indicators
.jpg)
Fig. 4: Controls and Indicators
HeadLamps (Without T3N)
.jpg)
Fig. 5: HeadLamps (Without T3N)
HeadLamps (T3N)
.jpg)
Fig. 6: HeadLamps (T3N)
Leveling (TR6)
.jpg)
Fig. 7: Leveling (TR6)
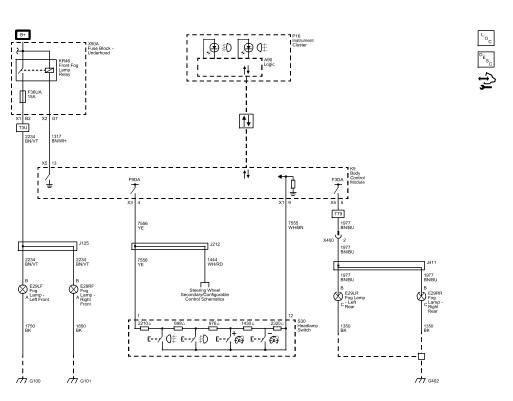
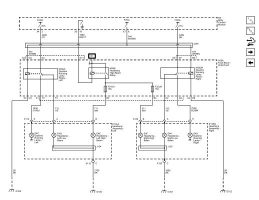
FOG LIGHTS WIRING SCHEMATICS (ENCORE)
Fog Lamps

Fig. 8: Fog Lamps
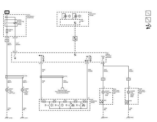
FOG LIGHTS WIRING SCHEMATICS (TRAX)
Fog Lamps
.jpg)
Fig. 9: Fog Lamps
EXTERIOR LIGHTS WIRING SCHEMATICS (ENCORE)
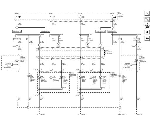
Park, Turn, Hazard and Brake Lamp Controls, and Indicators
.jpg)
Fig. 10: Park, Turn, Hazard and Brake Lamp Controls, and Indicators
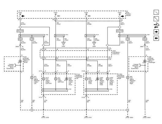
Park, Repeater and Front Turn Lamps
.jpg)
Fig. 11: Park, Repeater and Front Turn Lamps
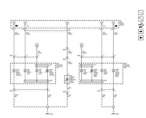
Tail, Stop and Rear Turn Signal Lamps
.jpg)
Fig. 12: Tail, Stop and Rear Turn Signal Lamps
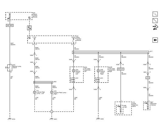
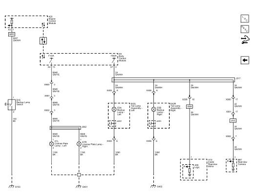
License Plate and Backup Lamps
.jpg)
Fig. 13: License Plate and Backup Lamps
EXTERIOR LIGHTS WIRING SCHEMATICS (TRAX)
Park, Turn, Hazard and Brake Lamp Controls, and Indicators
.jpg)
Fig. 14: Park, Turn, Hazard and Brake Lamp Controls, and Indicators
Park, Repeater and Front Turn Lamps
.jpg)
Fig. 15: Park, Repeater and Front Turn Lamps
Tail, Stop and Rear Turn Signal Lamps
.jpg)
Fig. 16: Tail, Stop and Rear Turn Signal Lamps
License Plate and Backup Lamps
.jpg)
Fig. 17: License Plate and Backup Lamps
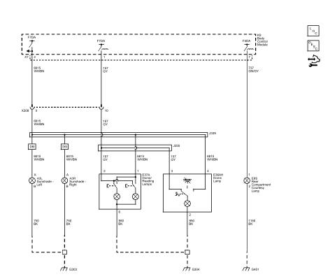
INTERIOR LIGHTS WIRING SCHEMATICS (ENCORE)
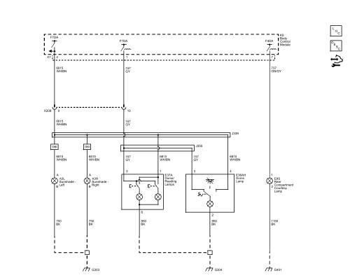
Dome, Sunshades, and Rear Compartment Lamps
.jpg)
Fig. 18: Dome, Sunshades, and Rear Compartment Lamps
INTERIOR LIGHTS WIRING SCHEMATICS (TRAX)
Dome, Sunshades, and Rear Compartment Lamps
.jpg)
Fig. 19: Dome, Sunshades, and Rear Compartment Lamps
INTERIOR LIGHTS DIMMING WIRING SCHEMATICS (ENCORE)
Controls, and Instrument Panel, Steering Wheel Switches
.jpg)
Fig. 20: Controls, and Instrument Panel, Steering Wheel Switches
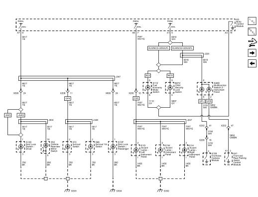
Door, Sunroof, Instrument Panel Switches, and Accent Lamps
.jpg)
Fig. 21: Door, Sunroof, Instrument Panel Switches, and Accent Lamps
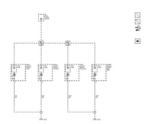
Window Switches
.jpg)
Fig. 22: Window Switches
INTERIOR LIGHTS DIMMING WIRING SCHEMATICS (TRAX)
Controls, Headlamp, Instrument Panel, and Steering Wheel Switches
.jpg)
Fig. 23: Controls, Headlamp, Instrument Panel, and Steering Wheel Switches
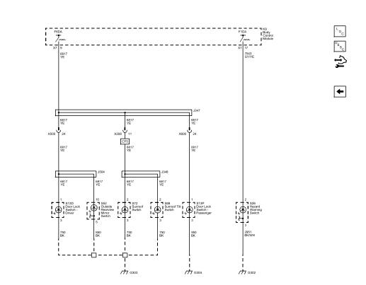
Door, Sunroof, Mirror, and Instrument Panel Switches
.jpg)
Fig. 24: Door, Sunroof, Mirror, and Instrument Panel Switches
SPECIFICATIONS
Fastener Tightening Specifications
.jpg)
Lighting System - DTC Index
DIAGNOSTIC CODE INDEX
.jpg)
.jpg)
Schematic wiring diagrams
Scan tool does not communicate with low speed gmlan device
Supplemental Inflatable Restraints - Description and operation