Chevrolet Trax: Schematic wiring diagrams
SPECIFICATIONS
FASTENER TIGHTENING SPECIFICATIONS
Fastener Tightening Specifications
.jpg)
LUBRICATION SPECIFICATIONS
Capacities
.jpg)
SCHEMATIC WIRING DIAGRAMS
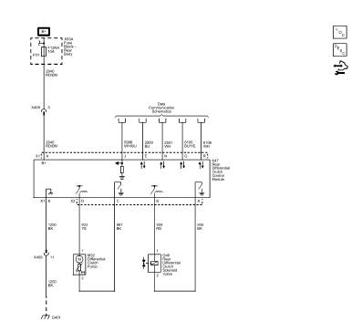
REAR AXLE WIRING SCHEMATICS (ENCORE)
Rear Differential Clutch Control Module
.jpg)
Fig. 1: Rear Differential Clutch Control Module
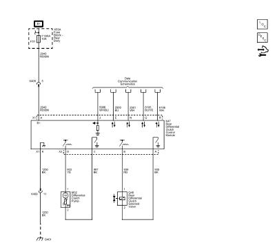
REAR AXLE WIRING SCHEMATICS (TRAX)
Rear Differential Clutch Control Module
.jpg)
Fig. 2: Rear Differential Clutch Control Module
READ NEXT:
DIAGNOSTIC CODE INDEX
DIAGNOSTIC CODE INDEX
DTC C0417: REAR DRIVE CLUTCH CONTROL SOLENOID VALVE CONTROL CIRCUIT
Diagnostic Instructions
Perform the Diagnostic System Check - Vehicle prior to using
Diagnostic Instructions
Perform the Diagnostic System Check - Vehicle prior to using this
diagnostic procedure.
Review Strategy Based Diagnosis for an overview of the diagnostic
approach.
Diag
Diagnostic Instructions
Perform the Diagnostic System Check - Vehicle prior to using this
diagnostic procedure.
Review Strategy Based Diagnosis for an overview of the diagnostic
approach.
Diag
SEE MORE:
WARNING: Refer to Brake Fluid Irritant Warning .
CAUTION: Refer to Brake Fluid Effects on Paint and Electrical
Components Caution .
CAUTION: Only use products that comply with GM specifications and check
manufacturer information respectively. We recommend the use of GM
genuine products. Instruction
NOTE:
Brake rotor thickness variation MUST be checked BEFORE checking for
assembled lateral runout (LRO). Thickness variation exceeding the
maximum acceptable level can cause brake pulsation. Refer to Brake
Rotor Thickness Variation Measurement.
Brake rotor assembled lateral runout (LRO) excee