Chevrolet Trax: Inflatable restraint module handling and scrapping
Special Tools
EL-38826 SIR Deployment Harness
For equivalent regional tools, refer to Special Tools.
Live and Undeployed Air Bag
WARNING: Refer to SIR Inflator Module Handling and Storage Warning
Take special care when handling or storing an undeployed air bag. An air bag
deployment produces a rapid
generation of gas. This may cause the air bag, or an object in front of the air
bag, to project through the air in
the event of an unlikely deployment.
Dual Stage Air Bags
Dual stage air bags have two deployment stages. If stage 1 was used to deploy
a dual stage air bag, stage 2 may
still be active. Therefore, a deployed dual stage air bag must be treated as an
active air bag. If disposal of a dual
stage air bag is required, both deployment loops must be energized to deploy the
air bag.
Scrapping Procedure
At the end of a vehicle's useful life, certain situations may arise which
will require the disposal of a live and
undeployed air bag. Do NOT dispose a live and undeployed air bag through normal
disposal channels until the
air bag has been deployed.
Do not deploy the air bag in the following situations:
- After replacement of an air bag under warranty-the air bag may need to
be returned undeployed to the
manufacturer.
- If the vehicle is the subject of a product liability claim, related to
the SIR system and is subject to a
preliminary investigation - do NOT alter the SIR system in any manner.
- If the vehicle is involved in a campaign affecting the air bags - follow
the instructions in the campaign
service bulletin for proper SIR handling procedures.
Deployment Procedures
NOTE: Some countries,
states or localities may not allow service deployment of air
bags without special permission or training. Local laws regarding deploying and
scrapping of air bags/devices with pyrotechnics must be followed.
You can only deploy the air bag inside of the vehicle.
Deployment Inside Vehicle - Vehicle Scrapping Procedure
Deploy the air bags inside of the vehicle when destroying the vehicle or when
salvaging the vehicle for parts.
This includes, but is not limited to, the following situations:
- The vehicle has completed all useful life.
- Irreparable damage occurred to the vehicle in a non-deployment type
accident.
- Irreparable damage occurred to the vehicle during a theft.
- The vehicle is being salvaged for parts to be used on a vehicle with a
different VIN, as opposed to
rebuilding as the same VIN.
WARNING: Refer to SIR Inflatable Module Deployment Outside Vehicle
Warning
- Lower the driver and passenger windows.
- Turn the ignition switch to the OFF position and remove the ignition key.
- Check that all air bags which will be deployed are mounted securely.
- Remove all loose objects from the front seats.

Fig. 34: Identifying I/P Module Connector To Vehicle Harness Connector (LH
Side I/P)
WARNING: A deployed dual stage inflator module will look the same
whether
one or both stages were used. Always assume a deployed dual
stage inflator module has an active stage 2. Improper handling or
servicing can activate the inflator module and cause personal injury.
- Disconnect the steering wheel air bag yellow connector (1) from vehicle
harness yellow connector (3).

Fig. 35: Stripping SIR Wires
NOTE: If the vehicle
is equipped with dual stage air bags the steering wheel air
bag and instrument panel air bag will each have 4 wires. Refer to
Component Connector End Views (Encore) , Component Connector End
Views (Trax) for determining high and low circuits.
- Cut the yellow harness connector out of the vehicle, leaving at least 16
cm (6 in) of wire at the connector.
- Strip 13 mm (0.5 in) of insulation from each of the connector wire leads.

Fig. 36: Fabricating 20 Ft. Deployment Harness
- Cut two 6.1 m (20 ft) deployment wires from a 0.8 mm (18 gauge) or
thicker multi-strand wire. Use these
wires to fabricate the driver deployment harness.
- Strip 13 mm (0.5 in) of insulation from both ends of the wires.
- Twist together one end from each of the wires in order to short the
wires. Deployment wires shall remain
shorted, and not connected to a power source until you are ready to deploy
the air bag.

Fig. 37: Twisting Connector Wire Leads (High Circuits) To Deployment Harness
Wire
- Twist together the 2 connector wire leads from the high circuits from
both stages of the steering wheel air
bag, to one set of deployment wires. Refer to Component Connector End Views
(Encore) ,
Component Connector End Views (Trax) in order to determine the correct
circuits.
- Inspect that the 3-wire connection is secure.
- Secure and insulate the 3-wire connection to the deployment harness
using electrical tape.

Fig. 38: Twisting Connector Wire Leads (Low Circuits) To Deployment Harness
Wire
- Twist together the 2 connector wire leads from the low circuits from
both stages of the steering wheel air
bag, to one set of deployment wires. Refer to Component Connector End Views
(Encore) ,
Component Connector End Views (Trax) in order to determine the correct
circuits.
- Inspect that the 3-wire connection is secure.
- Secure and insulate the 3-wire connection to the deployment harness
using electrical tape.
- Connect the deployment harness to the connector on the steering wheel
air bag.
- Route the deployment harness out of the driver side of the vehicle.
- Disconnect the yellow left roof rail harness connector from the vehicle
harness connector.
- Cut the harness connector out of the vehicle, leaving at least 16
cm (6 in) of wire at the connector.
- Strip 13 mm (0.5 in) of insulation from each of the connector wire leads.
- Cut two 6.1 m (20 ft) deployment wires from a 0.8 mm (18 gauge) or
thicker multi-strand wire. These
wires will be used to fabricate the roof rail air bag deployment harness.
- Strip 13 mm (0.5 in) of insulation from both ends of the wires.
- Twist together one end from each of the wires in order to short the
wires.
- Twist together one connector wire lead to one deployment wire.
- Secure and insulate the connection using electrical tape.
- Twist together and tape the remaining connector wire lead to the
remaining deployment wire.
- Connect the deployment harness to the yellow connector of the roof rail
air bag.
- Route the deployment harness out of the driver side of the vehicle.

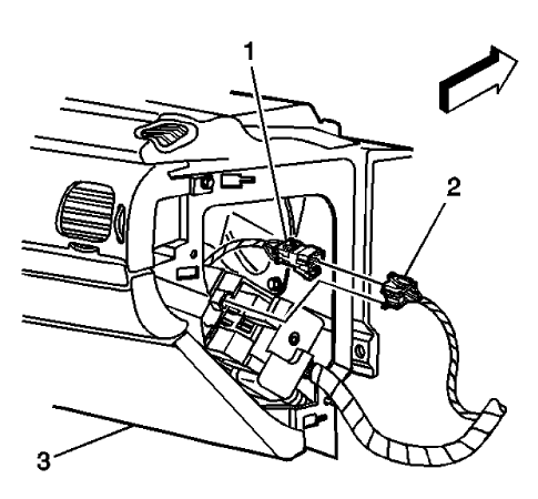
Fig. 39: Identifying I/P Module Connector To Vehicle Harness Connector
- Disconnect the instrument panel air bag yellow harness connector (1)
from the vehicle harness connector
(2).
NOTE: If the vehicle
is equipped with dual stage air bags the steering wheel air
bag and instrument panel air bag will each have 4 wires. Refer to
Component Connector End Views (Encore) , Component Connector End
Views (Trax) for determining high and low circuits.
- Cut the yellow harness connector out of the vehicle, leaving at least 16
cm (6 in) of wire at the connector.
- Strip 13 mm (0.5 in) of insulation from each of the connector wire leads.
- Cut two 6.1 m (20 ft) deployment wires from a 0.8 mm (18 gauge) or
thicker multi-strand wire. These
wires will be used to fabricate the passenger deployment harness.
- Strip 13 mm (0.5 in) of insulation from both ends of the wires.
- Twist together one end from each of the wires in order to short the
wires.
- Twist together the 2 connector wire leads from the high circuits from
both stages of the instrument panel
air bag to one set of deployment wires. Refer to Component Connector End
Views (Encore) ,
Component Connector End Views (Trax) in order to determine the correct
circuits.
- Inspect that the 3-wire connection is secure.
- Secure and insulate the 3-wire connection to the deployment harness
using electrical tape.
- Twist together the 2 connector wire leads from the low circuits from
both stages of the instrument panel
air bag to one set of deployment wires. Refer to Component Connector End
Views (Encore) ,
Component Connector End Views (Trax) in order to determine the correct
circuits.
- Inspect that the 3-wire connection is secure.
- Secure and insulate the 3-wire connection to the deployment harness
using electrical tape.
- Connect the deployment harness to the instrument panel air bag in-line
connector.
- Route the deployment harness out of the passenger side of the vehicle.
- Disconnect the yellow harness connector to the right roof rail air bag
from the vehicle harness connector.
- Cut the harness connector out of the vehicle, leaving at least 16 cm (6
in) of wire at the connector.
- Strip 13 mm (0.5 in) of insulation from each of the connector wire leads.
- Cut two 6.1 m (20 ft) deployment wires from a 0.8 mm (18 gauge) or
thicker multi-strand wire. These
wires will be used to fabricate the roof rail air bag deployment harness.
- Strip 13 mm (0.5 in) of insulation from both ends of the wires.
- Twist together one end from each of the wires in order to short the
wires.
- Twist together one connector wire lead to one deployment wire.
- Secure and insulate the connection using electrical tape.
- Twist together and tape the remaining connector wire lead to the
remaining deployment wire.
- Connect the deployment harness to the roof rail air bag yellow connector.
- Route the deployment harness out of the passenger side of the vehicle.
- Completely cover the windshield and the front door window openings with
a drop cloth.
- Stretch to the full length all of the deployment harness wires on the
right side of the vehicle.
- Deploy each deployment loop one at a time.
- Place a power source, 12 V minimum/2A minimum, such as a vehicle battery,
near the shorted end of the
harnesses.
- Separate one set of wires and touch the wire ends to the power source in
order to deploy the selected air
bag.
- Disconnect the deployment harness from the power source and twist the
wire ends together.
- Continue the same process with the remaining deployment harnesses.
- Disconnect all harnesses from the vehicle.
- Discard the harnesses.
- Scrap the vehicle in the same manner as a non-SIR equipped vehicle.
- If one or all of the air bags did not deploy, remove the undeployed air
bags from the vehicle.
PRETENSIONER HANDLING AND SCRAPPING
Special Tools
EL-38826 SIR Deployment Harness
For equivalent regional tools, refer to Special Tools.
Scrapping Procedure
During the course of a vehicles useful life, certain situations may arise
which will necessitate the disposal of a
live (undeployed) pretensioner. The following information covers the proper
procedures for the disposing of a
live (undeployed) pretensioner. Do not dispose of a live (undeployed)
pretensioner through normal disposal
channels until the pretensioner has been deployed. The following information
covers the proper procedures for
the disposing of a live (undeployed) pretensioner.
- After replacement of a pretensioner under warranty. The pretensioner may
need to be returned
undeployed to the original manufacturer of pretensioner.
- If the vehicle is the subject of a Product Liability report related to
the SIR system and is subject to a
Preliminary Investigation - do not alter the SIR system in any manner.
- If the vehicle is involved in a campaign affecting the pretensioners.
Follow the instructions in the
Campaign Service Bulletin for proper SIR handling procedures.
Deployment Procedures
NOTE: Some countries, states or localities may not allow service
deployment of air
bags without special permission or training. Local laws regarding deploying
and scrapping of air bags/devices with pyrotechnics must be followed.
The pretensioner can only be deployed inside of the vehicle. Refer to
Inflatable Restraint Module Handling
and Scrapping for deploying the pretensioner inside vehicle under Vehicle
Scrapping Procedure.
READ NEXT:
SUPPLEMENTAL INFLATABLE RESTRAINT SYSTEM DESCRIPTION AND OPERATION
SIR System Overview
The supplemental inflatable restraint (SIR) system supplements the protection
offered by the seat belts. The SIR
SCHEMATIC WIRING DIAGRAMS
ACTIVE NOISE SYSTEM CANCELLATION WIRING SCHEMATICS (ENCORE)
Active Noise Cancellation (NKC)
Fig. 1: Active Noise Cancellation (NKC)
DIAGNOSTIC INFORMATION AND PROCEDURES
AC
SEE MORE:
IMPORTANT: The following steps must be completed before using the
symptom tables.
Perform the Diagnostic System Check - Vehicle before using the symptom
tables in order to verify that
all of the following are true:
There are no DTCs set.
The control modules can communicate via the serial d
WARNING: Refer to Brake Fluid Irritant Warning .
CAUTION: Refer to Brake Fluid Effects on Paint and Electrical
Components Caution .
CAUTION: Only use products that comply with GM specifications and check
manufacturer information respectively. We recommend the use of GM
genuine products. Instruction