
Fig. 33: Fuel Tank Filler Door Latch Housing
Fuel Tank Filler Door Latch Housing Replacement (Encore)

FUEL TANK FILLER DOOR LATCH HOUSING REPLACEMENT (TRAX)

Fig. 34: Fuel Tank Filler Door Latch Housing
Fuel Tank Filler Door Latch Housing Replacement (Trax)

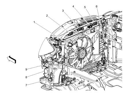
HOOD HOLD-OPEN ROD REPLACEMENT

Fig. 35: Hood Hold-Open Rod
Hood Hold-Open Rod Replacement

HOOD FRONT WEATHERSTRIP REPLACEMENT (TRAX)

Fig. 36: Hood Front Weatherstrip
Hood Front Weatherstrip Replacement (Trax)

HOOD FRONT WEATHERSTRIP REPLACEMENT (ENCORE)

Fig. 37: Hood Front Weatherstrip
Hood Front Weatherstrip Replacement (Encore)
.jpg)
HOOD FRONT EDGE WEATHERSTRIP REPLACEMENT (TRAX)

Fig. 38: Hood Front Edge Weatherstrip
Hood Front Edge Weatherstrip Replacement (Trax)

HOOD FRONT EDGE WEATHERSTRIP REPLACEMENT (ENCORE)

Fig. 39: Hood Front Edge Weatherstrip
Hood Front Edge Weatherstrip Replacement (Encore)
.jpg)

Fig. 40: Hood Rear Weatherstrip
Hood Rear Weatherstrip Replacement (Trax)

Hood rear weatherstrip replacement (encore)
Schematic wiring diagrams
Clutch actuator cylinder pipe replacement (D16)
Heater and air conditioning evaporator and blower upper case replacement